GM Service Manual Online
For 1990-2009 cars only

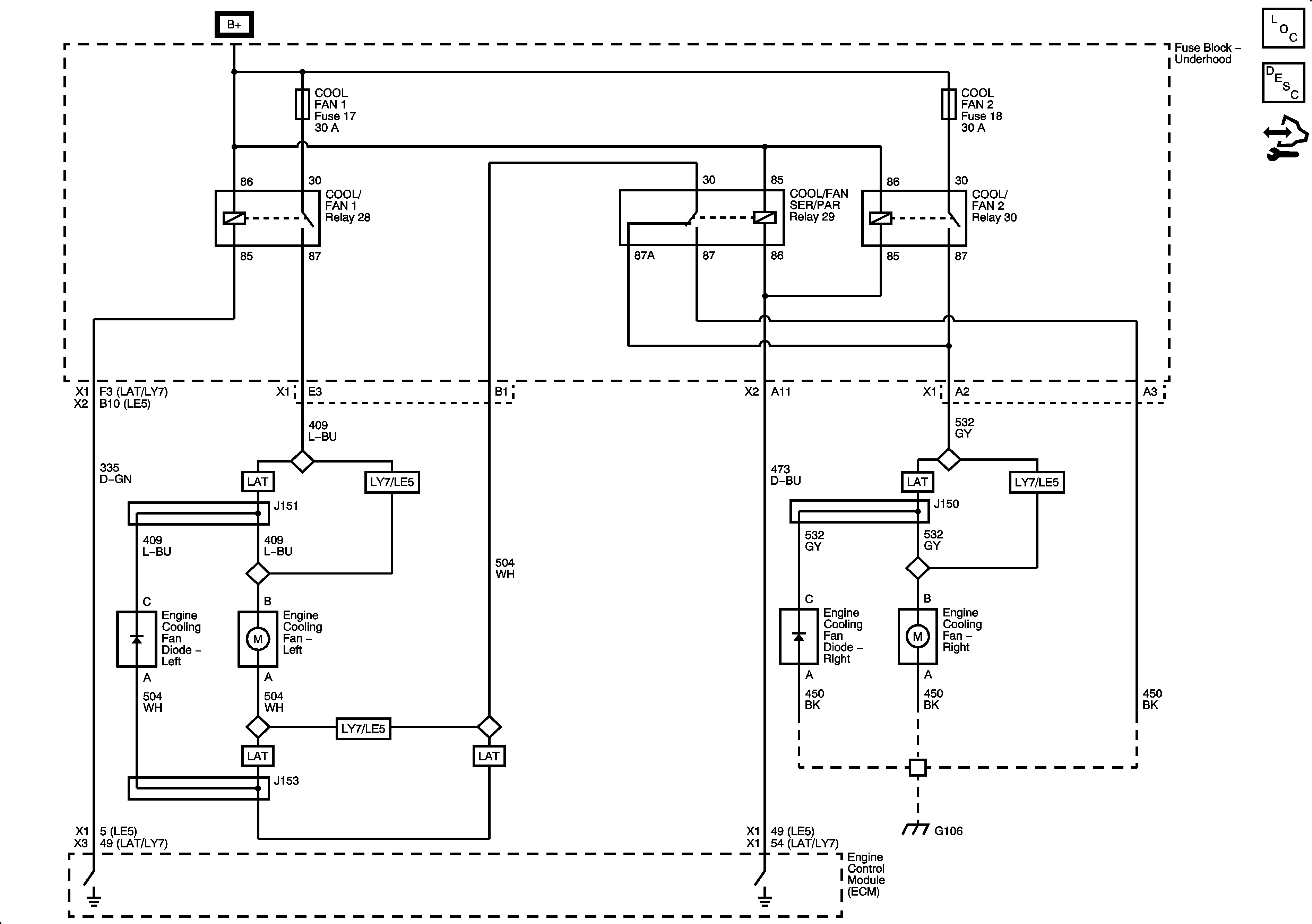
Engine Cooling Fans


Object Number: 2084105  Size: FS