GM Service Manual Online
For 1990-2009 cars only
Makes
🢒
Saturn
🢒
2009
🢒
AURA
🢒
Diagnostic Navigation
🢒
Vehicle Diagnostic Information
🢒 Interior Lights Schematics
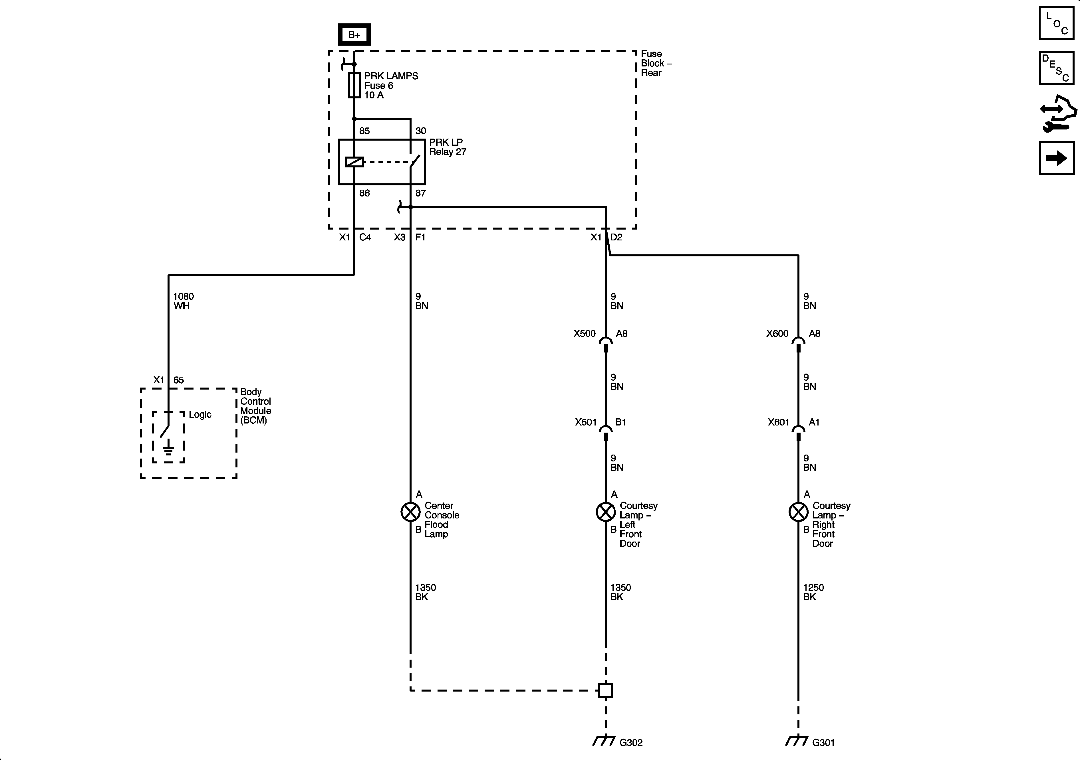
Figure
1:
Courtesy Lamps 1 of 2
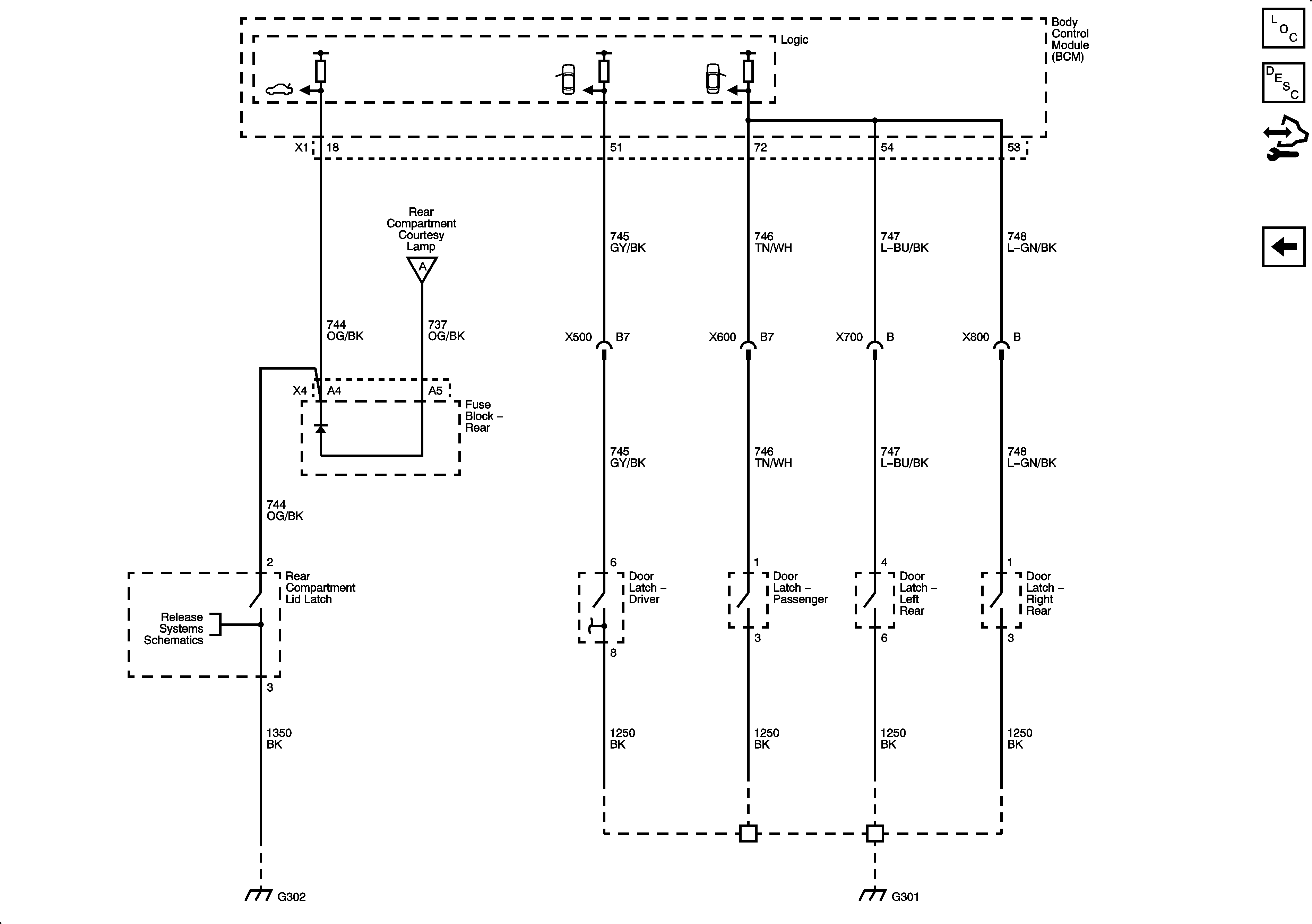
Figure
2:
Courtesy Lamps 2 of 2
Figure
3:
Ajar Switches