GM Service Manual Online
For 1990-2009 cars only
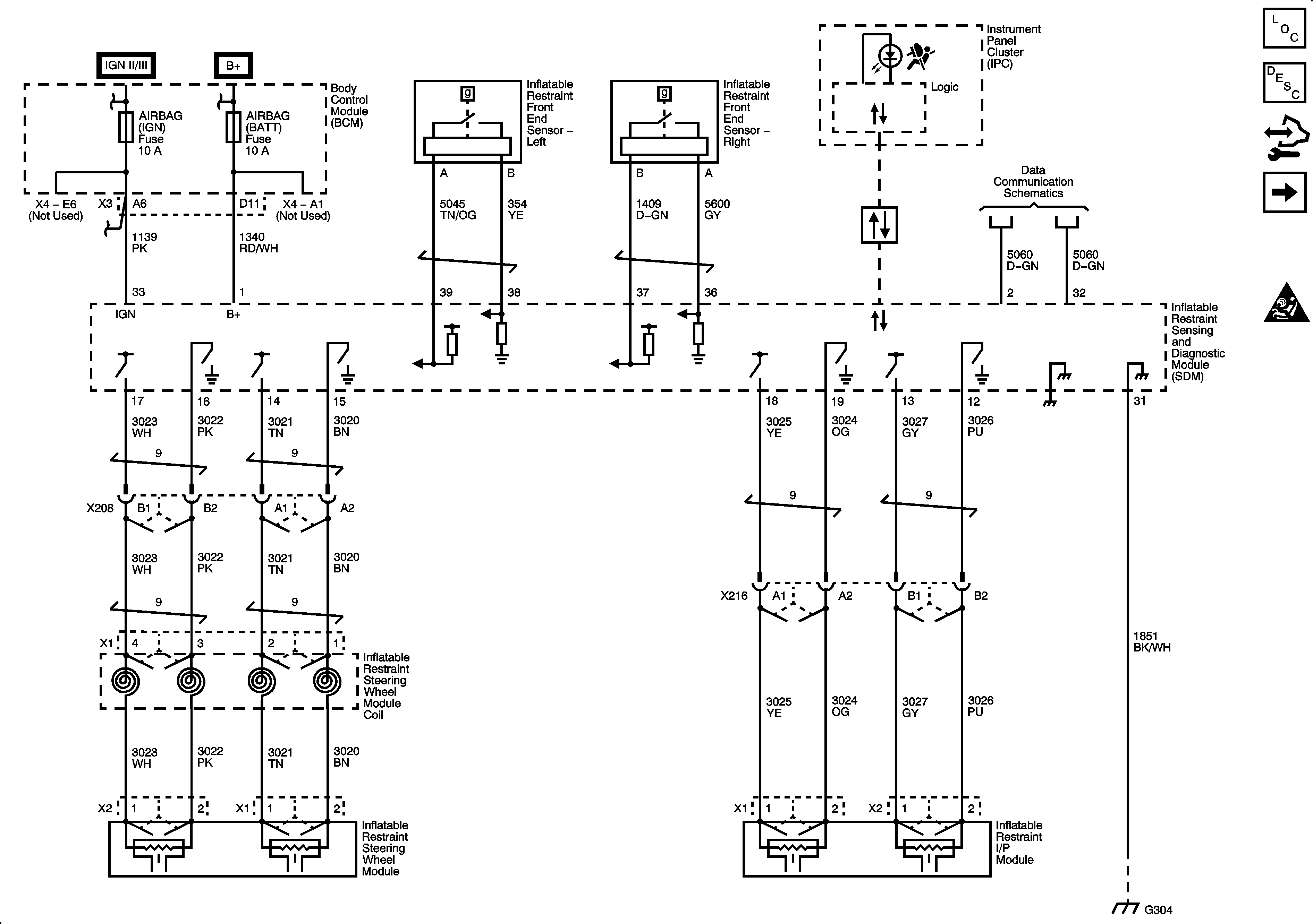
Figure 1:

Power, Ground and Sensors


Object Number: 2084073  Size: FS
Figure 2:

AY0


Object Number: 2084074  Size: FS
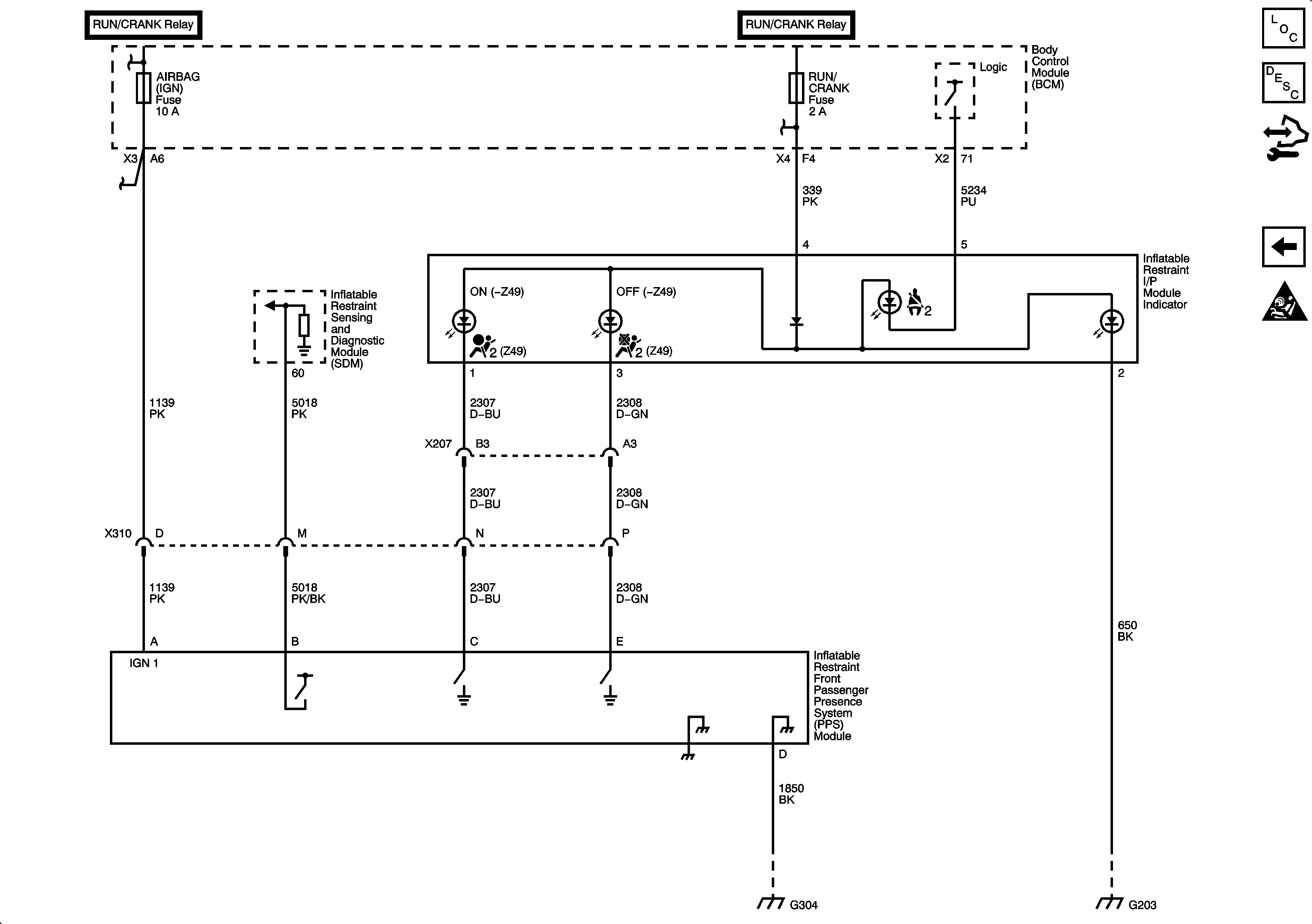
Figure 3:

Seat Belt Pretensioners


Object Number: 2084075  Size: FS
Figure 4:

Passenger Presence System


Object Number: 2084076  Size: FS