GM Service Manual Online
For 1990-2009 cars only
Figure 1:

Displays


Object Number: 2083880  Size: FS
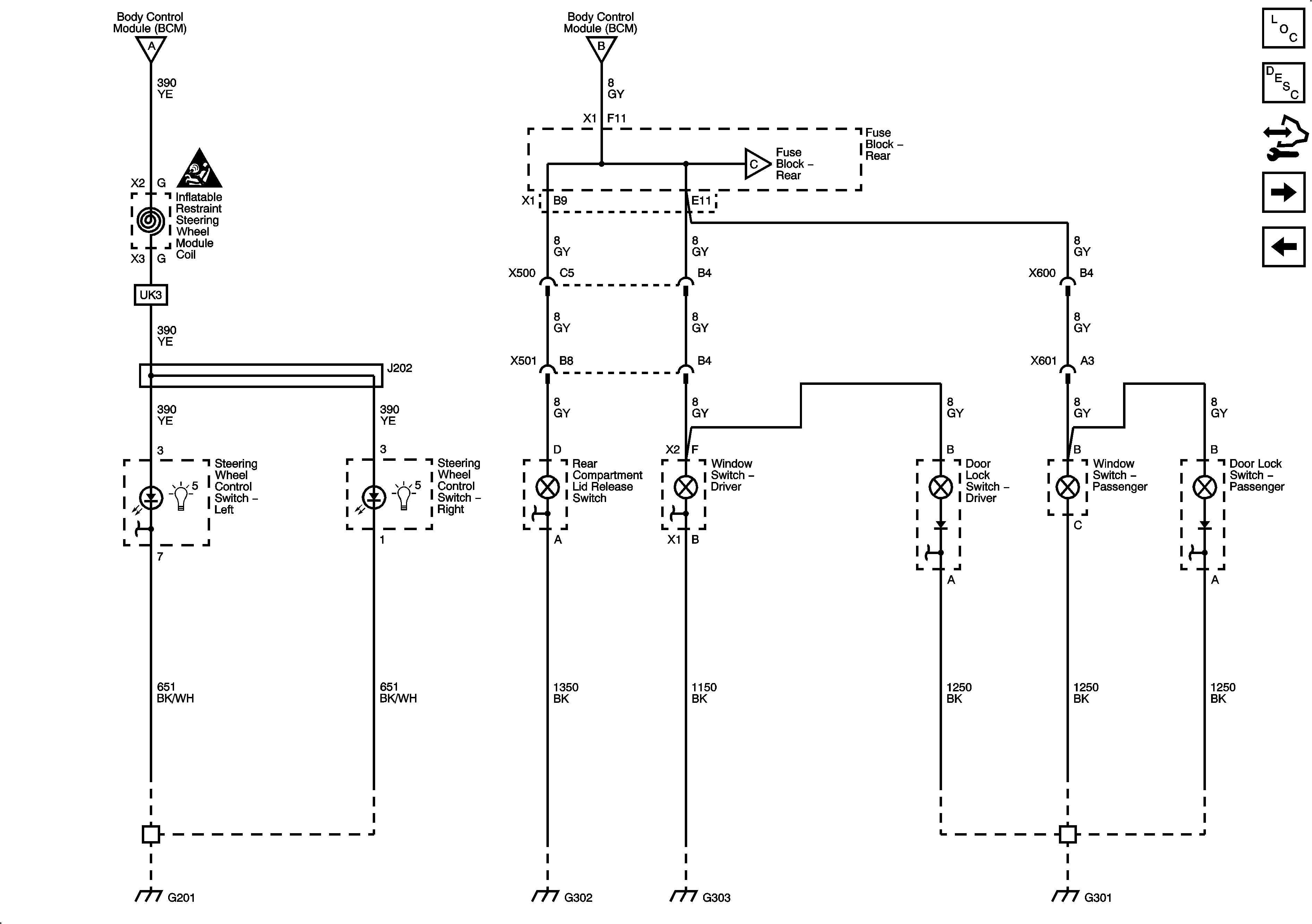
Figure 2:

Switches


Object Number: 2083881  Size: FS
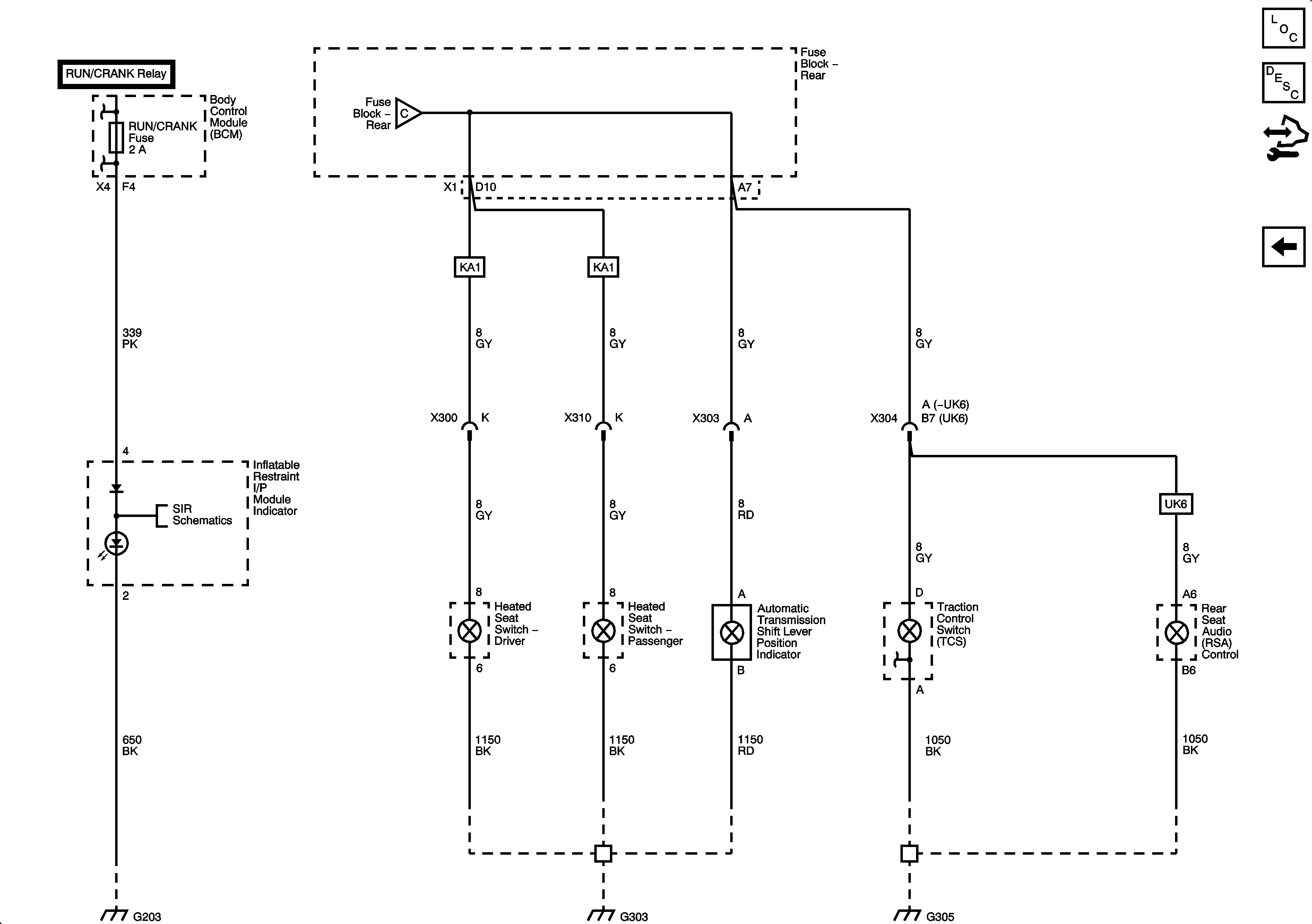
Figure 3:

Center Console and Seats


Object Number: 2083882  Size: FS