GM Service Manual Online
For 1990-2009 cars only
Makes
🢒
Saturn
🢒
2009
🢒
AURA
🢒
Steering
🢒
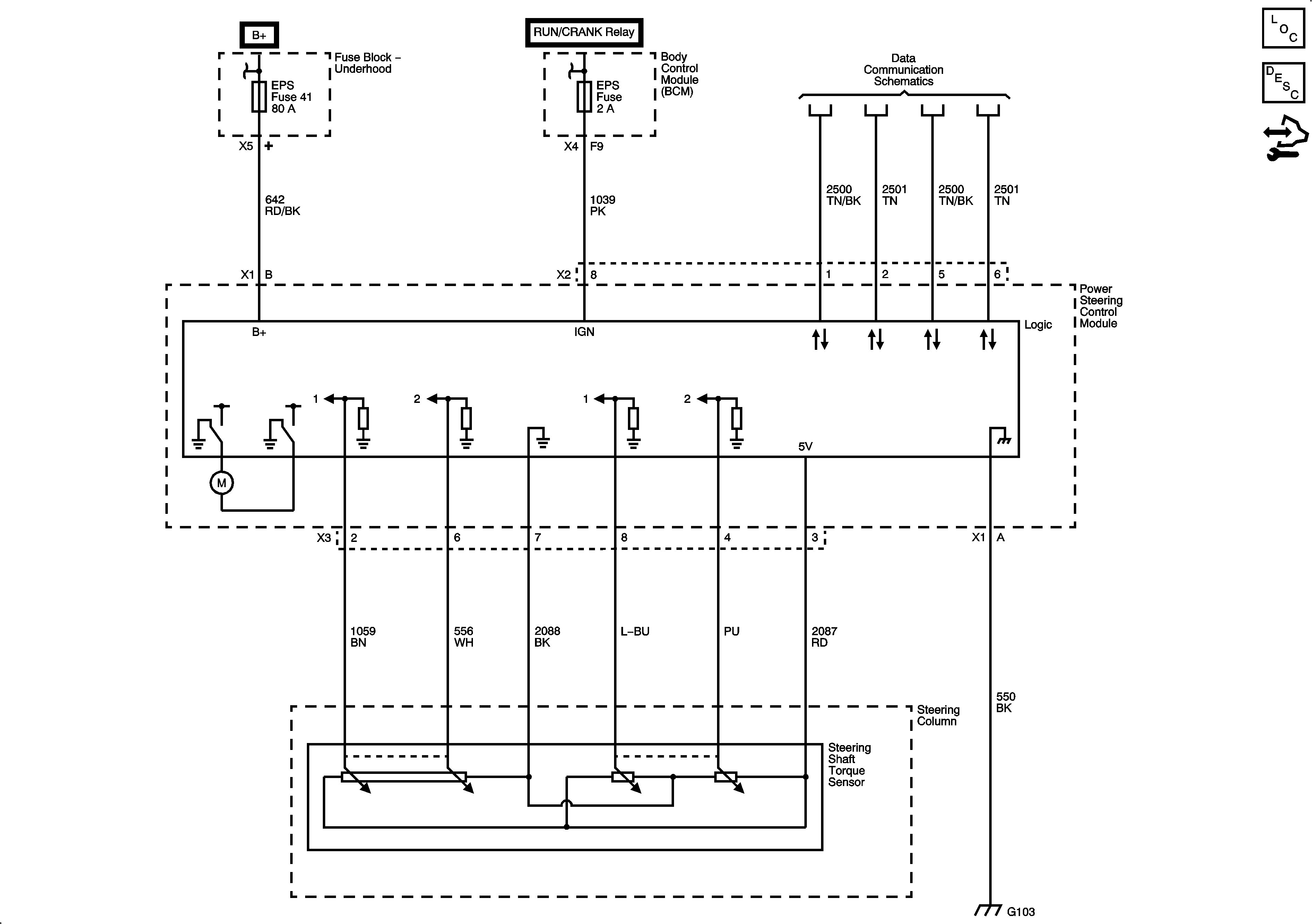
Power Steering
🢒 Power Steering Schematics