GM Service Manual Online
For 1990-2009 cars only
Makes
🢒
Saturn
🢒
2008
🢒
Astra
🢒
Engine
🢒
Engine Controls and Fuel - 1.8L (2H0)
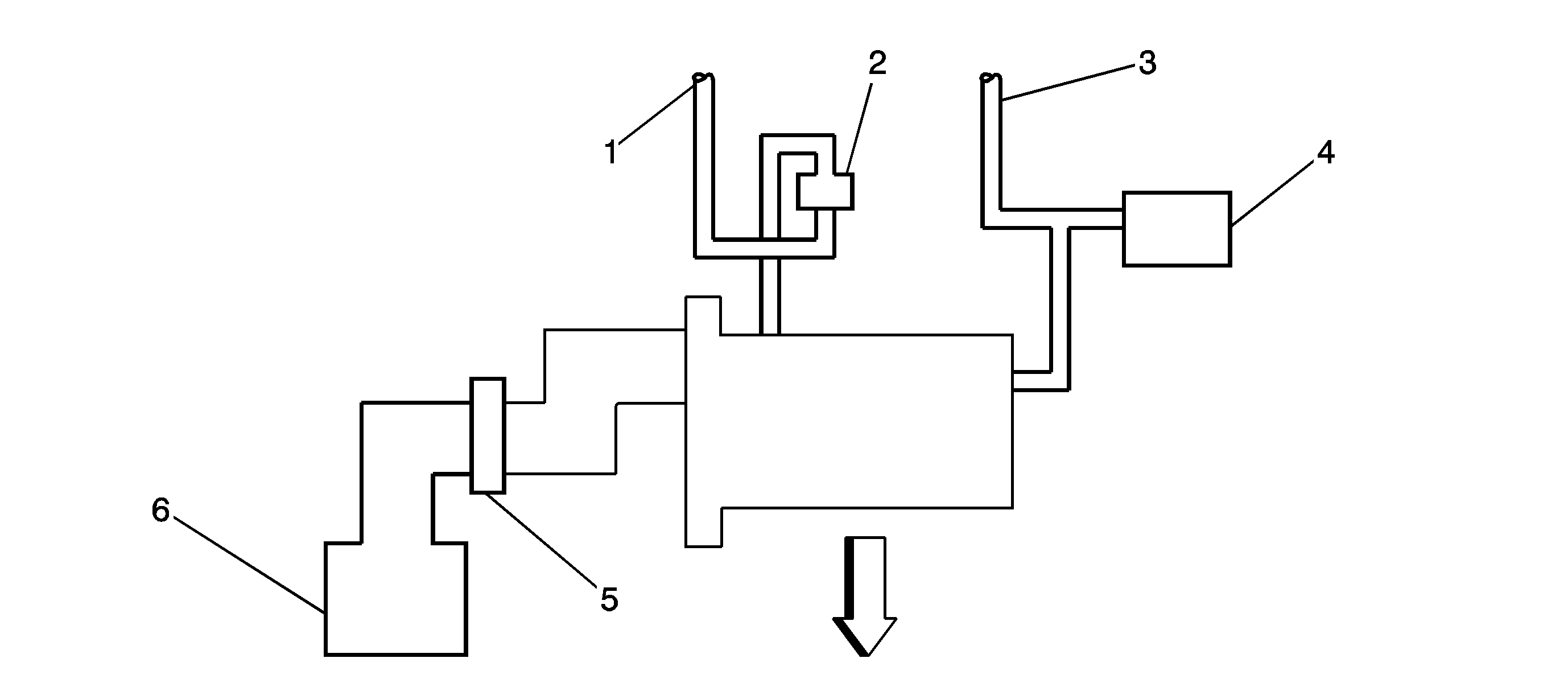
🢒 Emission Hose Routing Diagram
(1)
To EVAP Canister
(2)
PUrge Valve
(3)
To Underbody
(4)
Brake Booster
(5)
MAF Sensor
(6)
Air Cleaner