GM Service Manual Online
For 1990-2009 cars only
Makes
🢒
Saturn
🢒
2008
🢒
Astra
🢒
Diagnostic Navigation
🢒
Vehicle Diagnostic Information
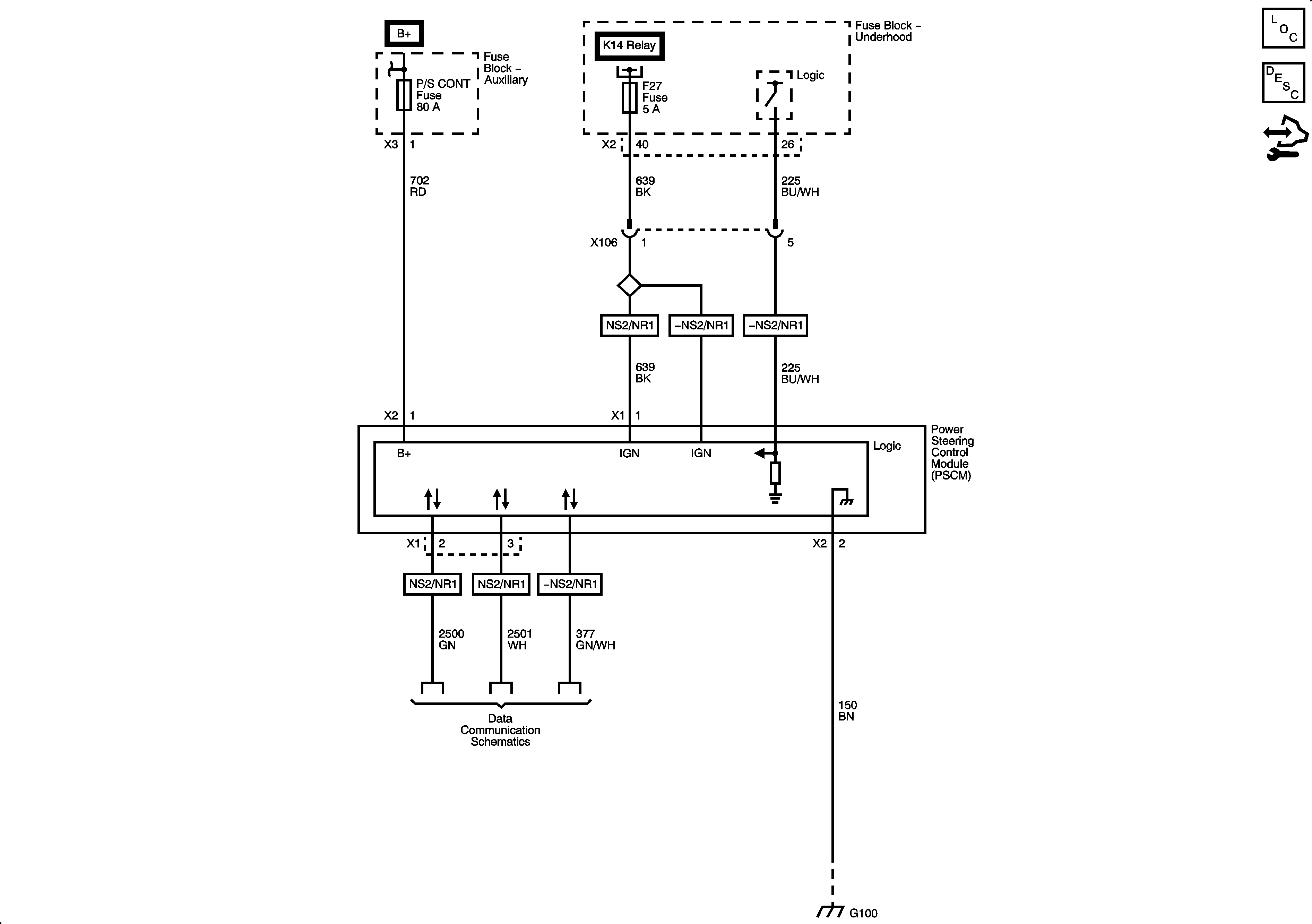
🢒 Power Steering Schematics
Master Electrical Component List
Power Steering System Description and Operation (TRW)
Control Module References
B+ Bus 1 of 2
Fuse Block - Underhood F24, F30, F29, and F27 Fuses
Power, Ground, Class 2, and GM Low Speed Serial Data (CAN A)
G100, G103, G104, G105 and G106