GM Service Manual Online
For 1990-2009 cars only
Makes
🢒
Saturn
🢒
2008
🢒
Astra
🢒 Seat Belt
Seat Belt
Master Electrical Component List
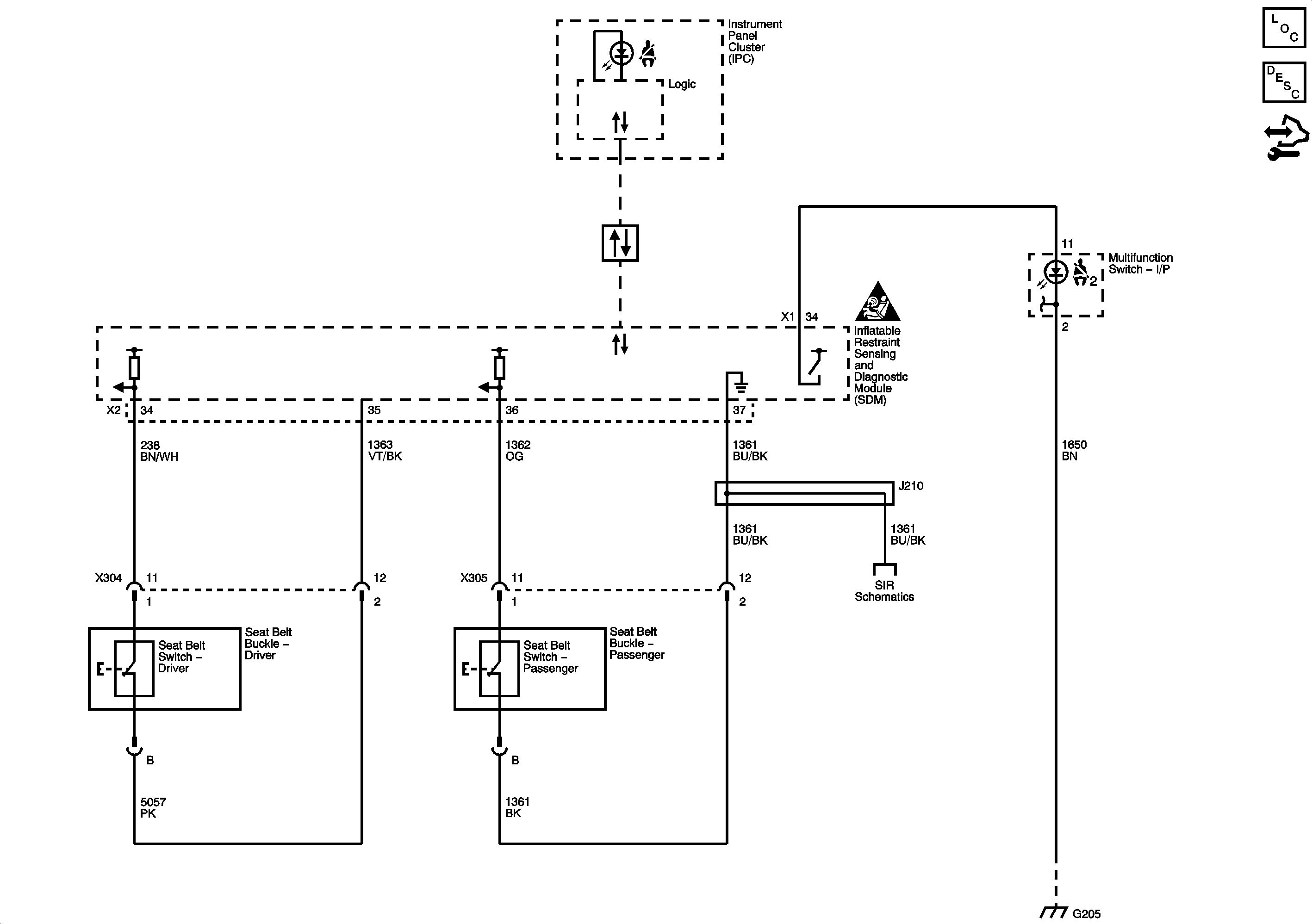
Seat Belt System Description and Operation
Control Module References