GM Service Manual Online
For 1990-2009 cars only
Makes
🢒
Saturn
🢒
2008
🢒
Astra
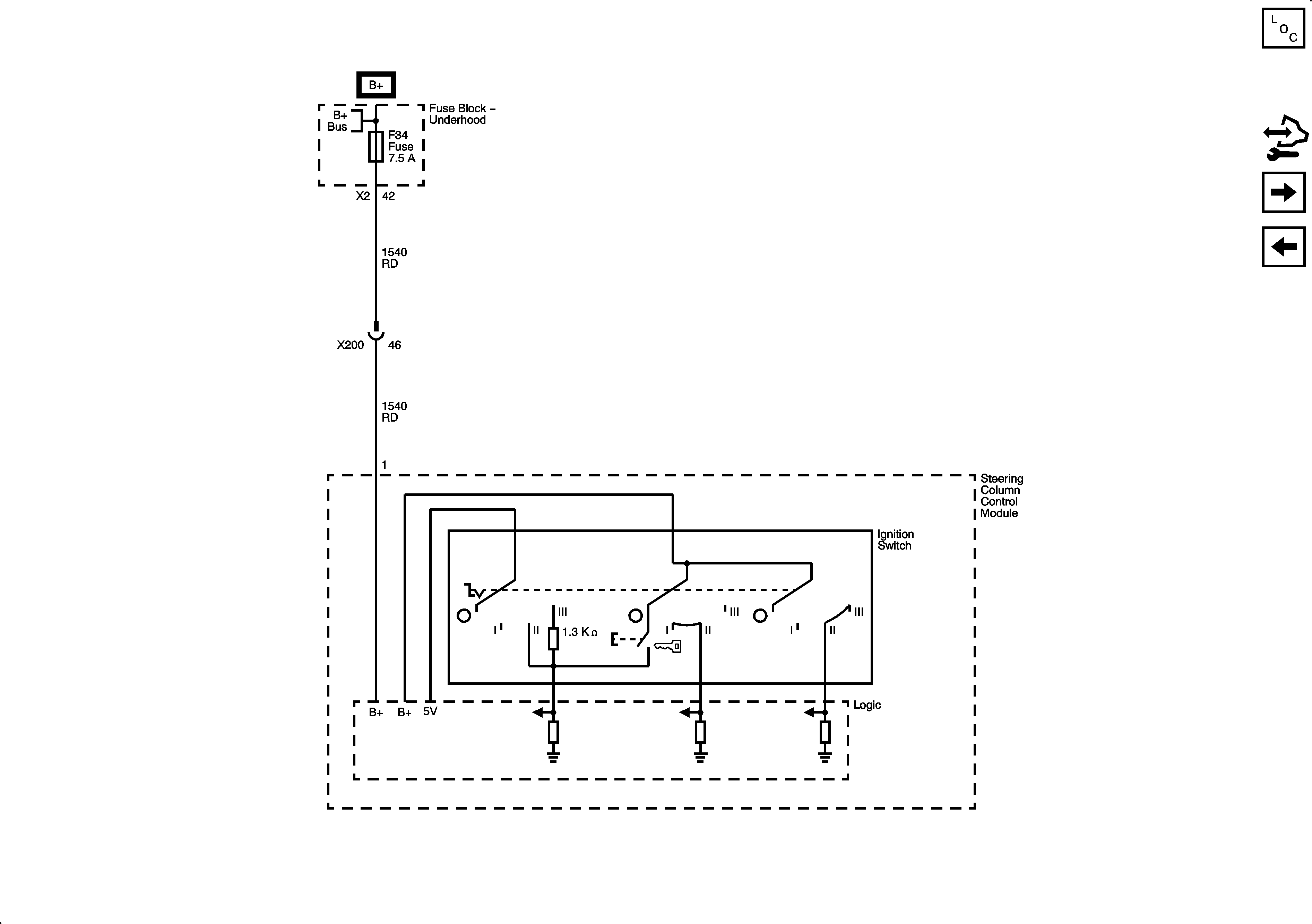
🢒 Fuse Block - Underhood F34 Fuse and Ignition Switch
Fuse Block - Underhood F34 Fuse and Ignition Switch
Fuse Block - Underhood, F34 Fuse and Ignition Switch
Master Electrical Component List
Control Module References
Fuse Block - Underhood F28, F10, F22, F2, F1, and F36 Fuses
B+ Bus 2 of 2
B+ Bus 2 of 2