GM Service Manual Online
For 1990-2009 cars only
Makes
🢒
Saturn
🢒
2008
🢒
Astra
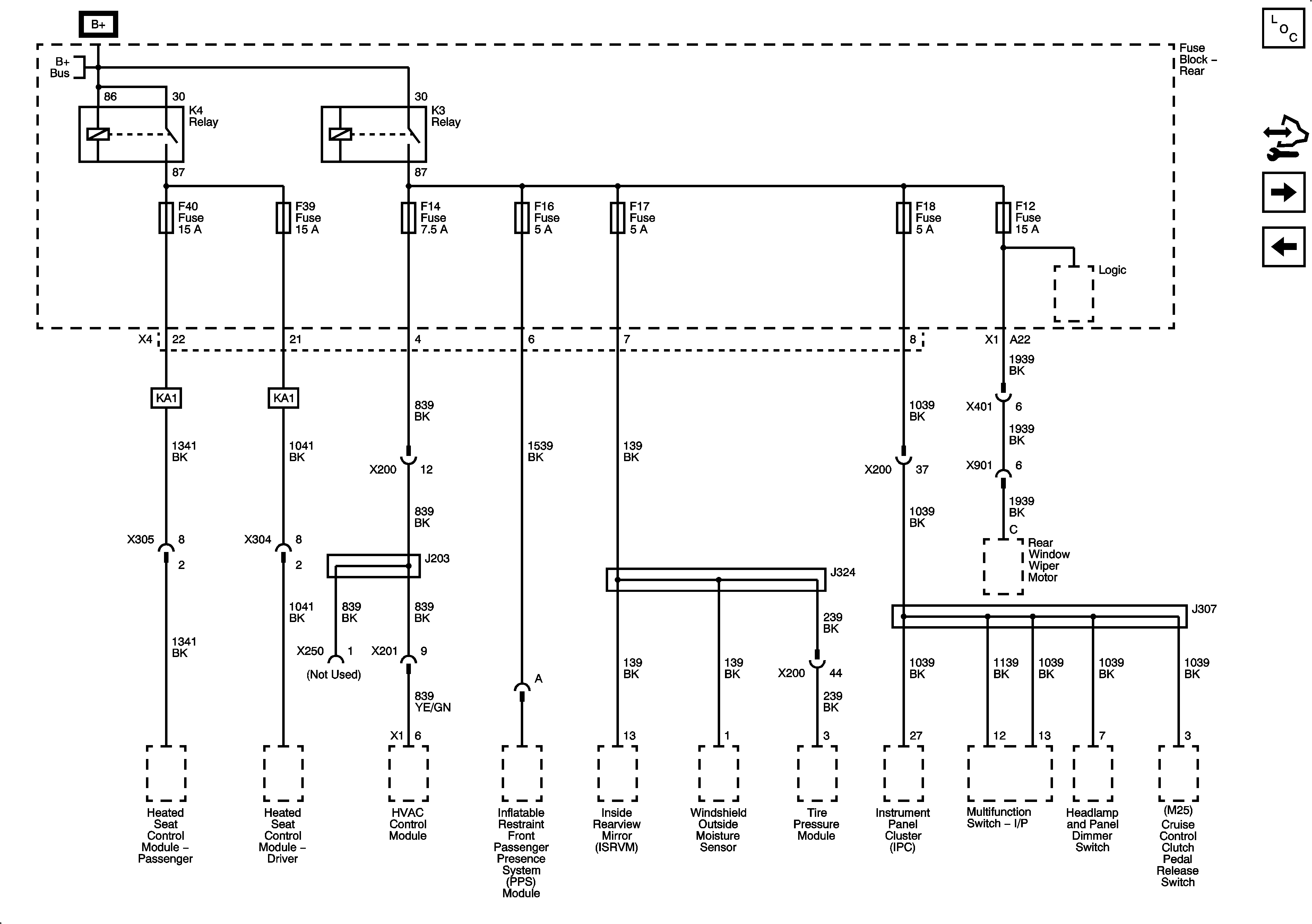
🢒 Fuse Block - Rear F40, F39, F14, F16, F17, F18 and F12 Fuses
Fuse Block - Rear F40, F39, F14, F16, F17, F18 and F12 Fuses
Fuse Block - Rear, F40, F39, F14, F16, F17, F18, and F12 Fuses
Master Electrical Component List
Control Module References
Fuse Block - Rear F11 and F21 Fuses
Fuse Block - Rear F29, F34, F22, F4, F24, F3, F23, and F1 Fuses
B+ Bus 1 of 2