GM Service Manual Online
For 1990-2009 cars only
Makes
🢒
Saturn
🢒
2008
🢒
Astra
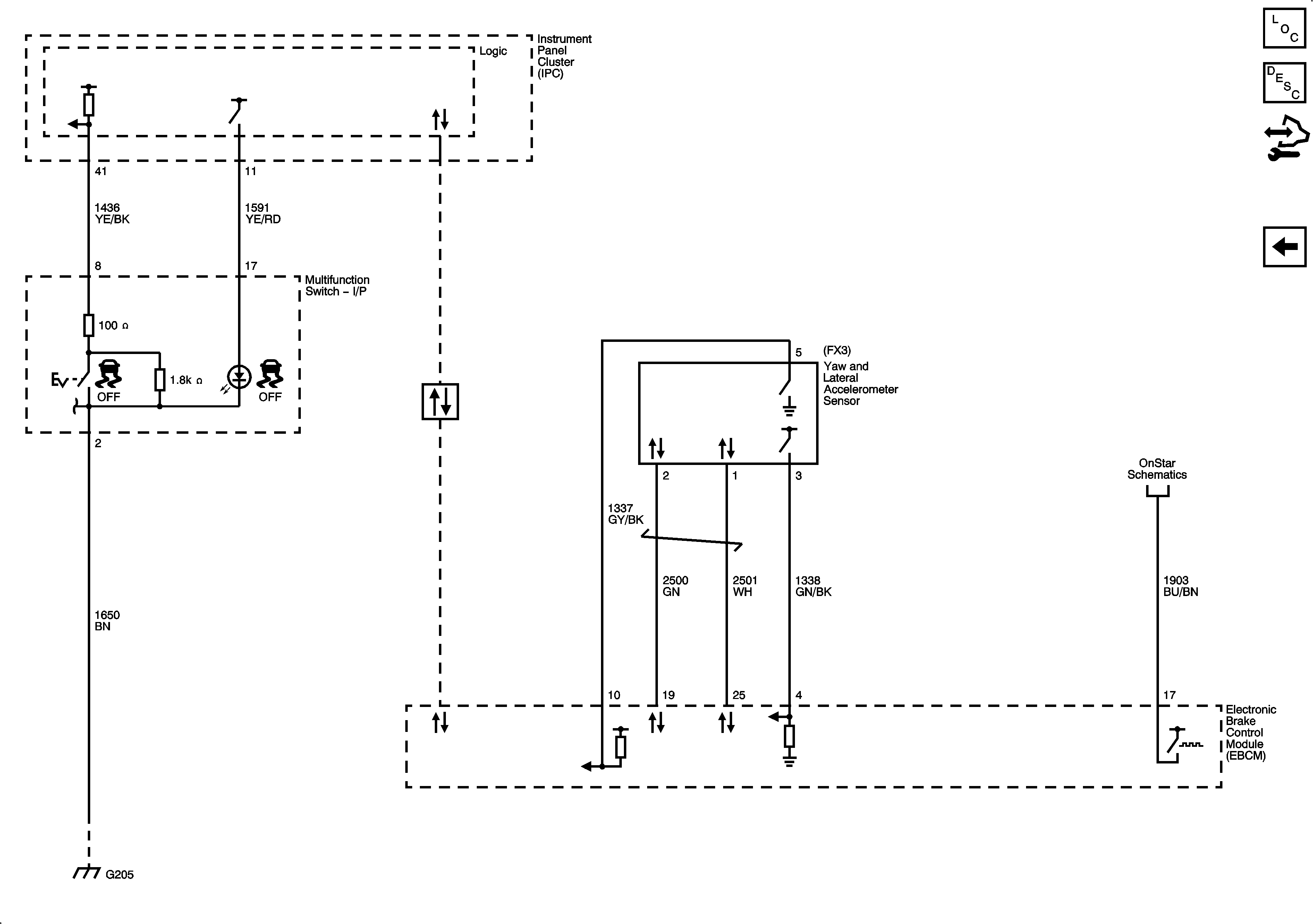
🢒 Stability Off Switch and Yaw and Lateral Accelerometer Sensor
Stability Off Switch and Yaw and Lateral Accelerometer Sensor
Stability Off Switch and Yaw and Lateral Accelerometer Sensor
Master Electrical Component List
ABS Description and Operation
Control Module References
Wheel Speed Sensors
Power, Ground, Class 2, and GM Low Speed Serial Data (CAN A)
Vehicle Communication and Interface Module (VCIM) - Right
G203, G204, and G205
G203, G204, and G205