GM Service Manual Online
For 1990-2009 cars only
Makes
🢒
Saturn
🢒
2008
🢒
Astra
🢒 Brake, Hazard, and Turn Signal Switching
Brake, Hazard, and Turn Signal Switching
Brake, Hazard, and Turn Signal Switching
Master Electrical Component List
Exterior Lighting Systems Description and Operation
Control Module References
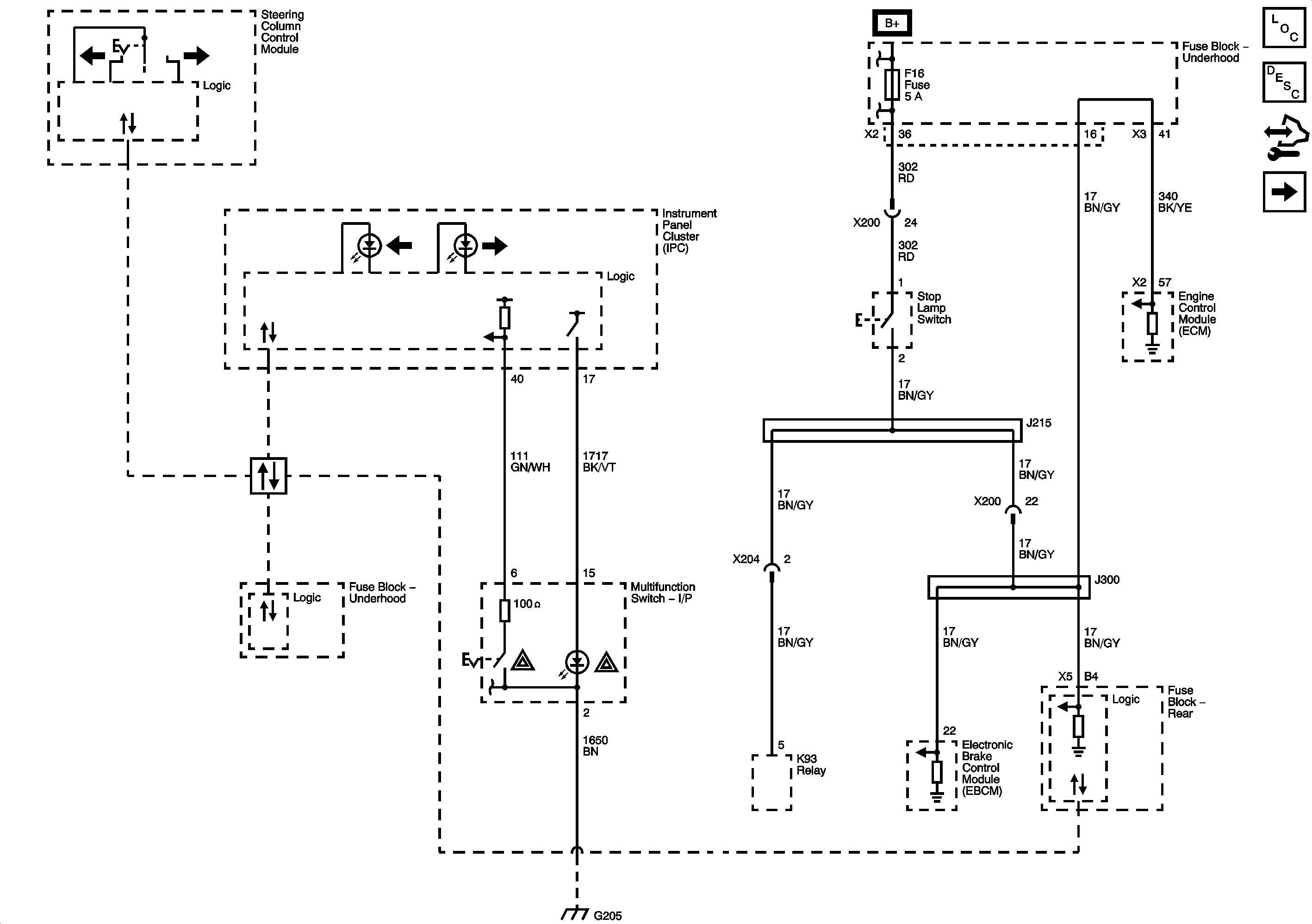
Turn Signal and Brake Lights
B+ Bus 2 of 2
Fuse Block - Underhood F35 and F16 Fuses
Power, Ground, Class 2, and GM Low Speed Serial Data (CAN A)
G203, G204, and G205
G203, G204, and G205