GM Service Manual Online
For 1990-2009 cars only
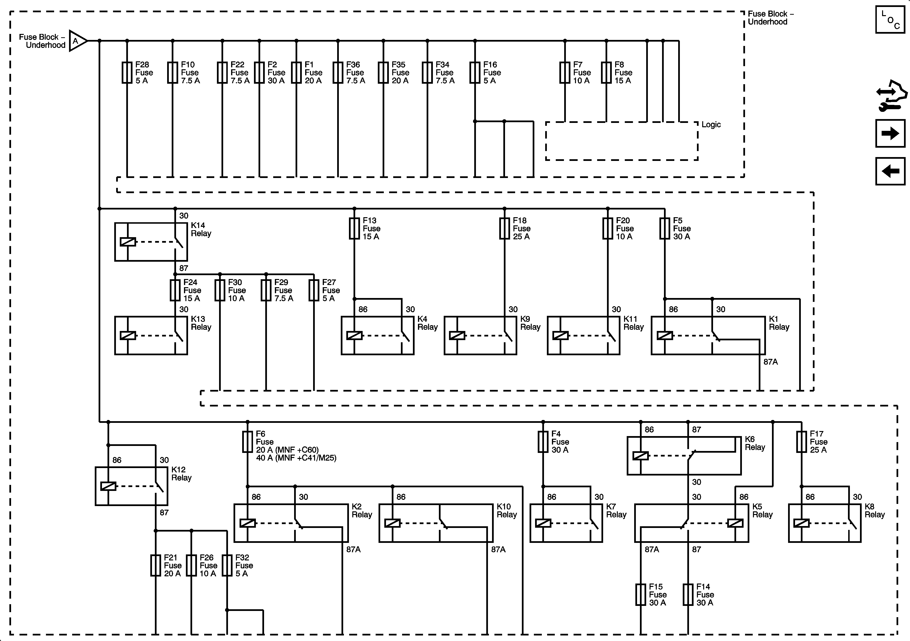
Figure 1:

B+ Bus 1 of 2


Object Number: 2151183  Size: FS
Master Electrical Component List
Control Module References
B+ Bus 2 of 2
B+ Bus 2 of 2
Figure 2:

B+ Bus 2 of 2


Object Number: 2151184  Size: FS
Master Electrical Component List
Control Module References
Fuse Block - Underhood F34 Fuse and Ignition Switch
B+ Bus 1 of 2
B+ Bus 1 of 2
Figure 3:

Fuse Block - Underhood, F34 Fuse and Ignition Switch


Object Number: 2151186  Size: FS
Master Electrical Component List
Control Module References
Fuse Block - Underhood F28, F10, F22, F2, F1, and F36 Fuses
B+ Bus 2 of 2
B+ Bus 2 of 2
Figure 4:

Fuse Block - Underhood, F28, F10, F22, F2, F1, and F36 Fuses


Object Number: 2151187  Size: FS
Master Electrical Component List
Control Module References
Fuse Block - Underhood F35 and F16 Fuses
Fuse Block - Underhood F34 Fuse and Ignition Switch
B+ Bus 2 of 2
Figure 5:

Fuse Block - Underhood, F35 and F16 Fuses


Object Number: 2151188  Size: FS
Master Electrical Component List
Control Module References
Fuse Block - Underhood F24, F30, F29, and F27 Fuses
Fuse Block - Underhood F28, F10, F22, F2, F1, and F36 Fuses
B+ Bus 2 of 2
Figure 6:

Fuse Block - Underhood, F24, F30, F29, and F27 Fuses


Object Number: 2151189  Size: FS
Master Electrical Component List
Control Module References
Fuse Block - Underhood F5, F21, F26, and F32 Fuses
Fuse Block - Underhood F35 and F16 Fuses
B+ Bus 2 of 2
Figure 7:

Fuse Block - Underhood, F5, F21, F26, and F32 Fuses


Object Number: 2151190  Size: FS
Master Electrical Component List
Control Module References
Fuse Block - Underhood F6, F15, and F14 Fuses
Fuse Block - Underhood F24, F30, F29, and F27 Fuses
B+ Bus 2 of 2
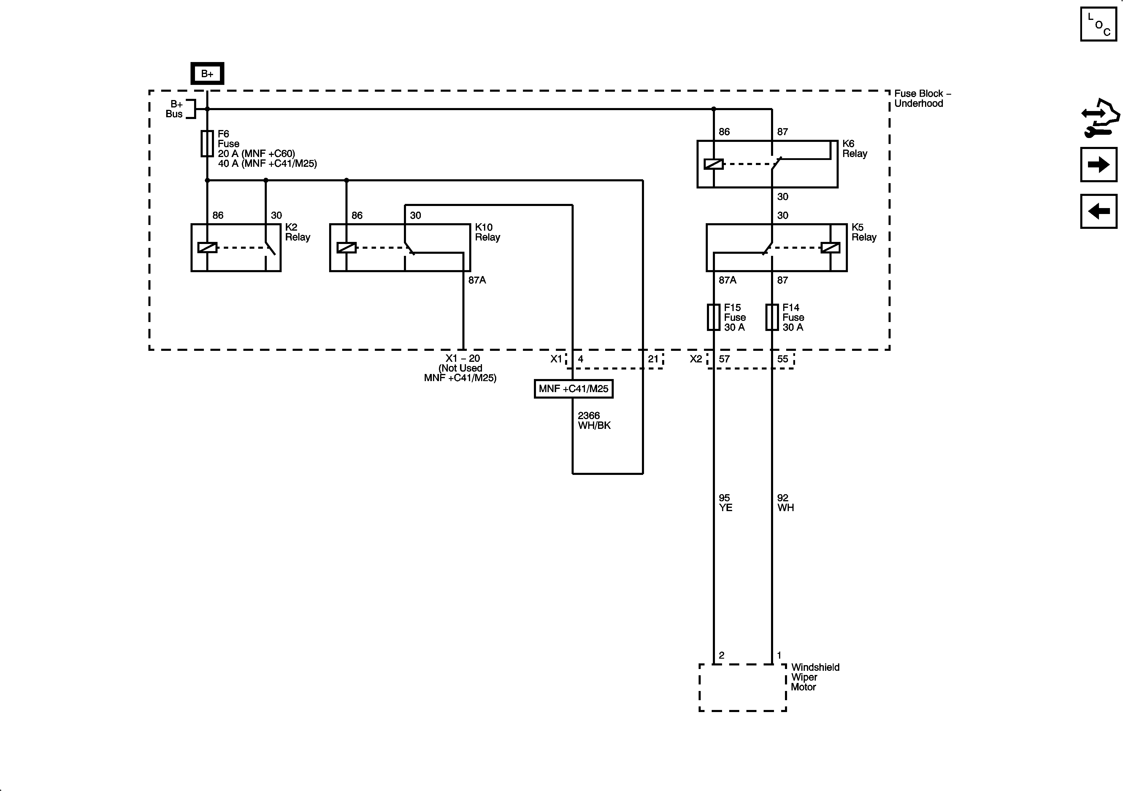
Figure 8:

Fuse Block - Underhood, F6, F15, and F14 Fuses


Object Number: 2151191  Size: FS
Master Electrical Component List
Control Module References
Fuse Block - Rear F29, F34, F22, F4, F24, F3, F23, and F1 Fuses
Fuse Block - Underhood F5, F21, F26, and F32 Fuses
B+ Bus 2 of 2
Figure 9:

Fuse Block - Rear, F29, F34, F22, F4, F24, F3, F23, and F1 Fuses


Object Number: 2151192  Size: FS
Master Electrical Component List
Control Module References
Fuse Block - Rear F40, F39, F14, F16, F17, F18 and F12 Fuses
Fuse Block - Underhood F6, F15, and F14 Fuses
B+ Bus 1 of 2
Figure 10:

Fuse Block - Rear, F40, F39, F14, F16, F17, F18, and F12 Fuses


Object Number: 2151193  Size: FS
Master Electrical Component List
Control Module References
Fuse Block - Rear F11 and F21 Fuses
Fuse Block - Rear F29, F34, F22, F4, F24, F3, F23, and F1 Fuses
B+ Bus 1 of 2
Figure 11:

Fuse Block - Rear, F11 and F21 Fuses


Object Number: 2151194  Size: FS
Master Electrical Component List
Control Module References
Fuse Block - Rear F40, F39, F14, F16, F17, F18 and F12 Fuses
B+ Bus 1 of 2