GM Service Manual Online
For 1990-2009 cars only

Special Tools

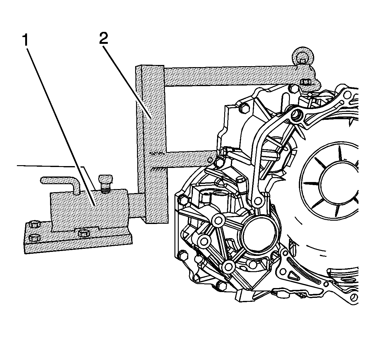
    • J 3289-20 Holding Fixture
    • KM 910 Transmission Holder

For equivalent regional tools, refer to Special Tools.


Object Number: 2029673  Size: SH

Remove the transmission from KM 910 transmission holder  (2) and J 3289-20 holding fixture  (1).