GM Service Manual Online
For 1990-2009 cars only

Removal Procedure


    Object Number: 878828  Size: SH
  1. Remove the accelerator pedal retaining nuts.

  2. Object Number: 878823  Size: SH
  3. Disconnect the cruise control cable, if equipped, from the accelerator pedal assembly.

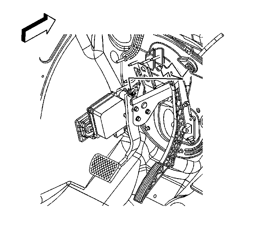
  4. Object Number: 878827  Size: SH
  5. Disconnect the accelerator cable and remove the accelerator pedal assembly.

Installation Procedure


    Object Number: 878827  Size: SH
  1. Connect the accelerator cable end to the accelerator pedal assembly. Ensure that the cable end retainer is fully seated to the accelerator pedal.

  2. Object Number: 878823  Size: SH
  3. Connect the cruise control cable, if equipped, to the accelerator pedal assembly.

  4. Object Number: 878828  Size: SH
  5. Install the accelerator pedal assembly to the dash panel.
  6. Notice: Refer to Fastener Notice in the Preface section.

  7. Install the accelerator pedal retaining nuts.
  8. Tighten
    Tighten the nuts to 10 N·m (89 lb in).

  9. Ensure that the carpet is positioned correctly in relation to the accelerator pedal in full closed and wide open throttle positions.
  10. Important: The throttle should operate freely and without binding between full closed and wide open throttle positions.

  11. Verify the complete throttle opening and closing positions by operating the accelerator pedal assembly.