GM Service Manual Online
For 1990-2009 cars only

Removal Procedure

Caution: Refer to Gasoline/Gasoline Vapors Caution in the Preface section.

  1. Relieve the fuel system pressure. Refer to Fuel Pressure Relief .
  2. Drain the fuel tank. Refer to Fuel Tank Draining .
  3. Raise and support the vehicle. Refer to Lifting and Jacking the Vehicle in General Information.
  4. Disconnect the fuel feed and return lines from the fuel filter.
  5. Cap or plug the fuel tank feed and return pipes to prevent fuel loss and/or contamination.

  6. Object Number: 889726  Size: SH
  7. Disconnect the following evaporative emission (EVAP) pipe fittings, for access to disconnect the fuel filler hose from the tank. Refer to Plastic Collar Quick Connect Fitting Service .
  8. • The EVAP purge pipe (2) from the EVAP canister
    • The fuel tank EVAP vapor pipe (3) from the EVAP canister
  9. Cap or plug the EVAP purge (2) and vapor (3) pipes to prevent contamination.

  10. Object Number: 889977  Size: SH
  11. Loosen the fuel filler hose clamp (1) at the fuel tank.
  12. Disconnect the fuel filler hose from the fuel tank.

  13. Object Number: 889730  Size: SH
  14. Disconnect the fuel pump module harness electrical connector from the vehicle underbody connector.

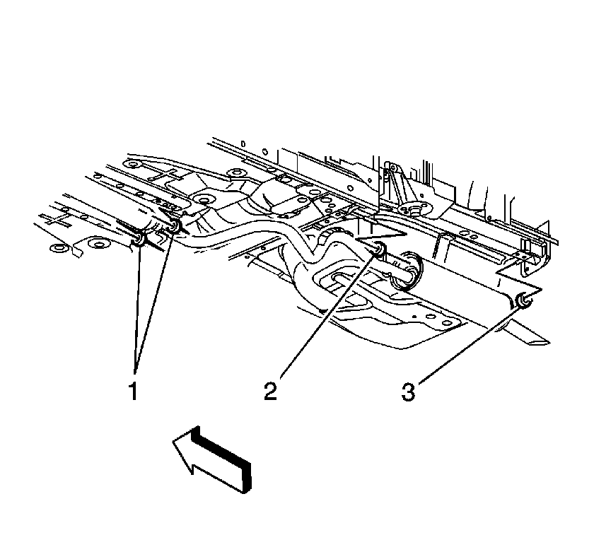
  15. Object Number: 879159  Size: SH
  16. Release the exhaust extension pipe insulators (1, 2) from the underbody hangers.
  17. Release the muffler insulator (3) from the underbody hanger and slowly lower the exhaust to rest on the rear axle beam.

  18. Object Number: 890002  Size: SH
  19. Have an assistant support the fuel tank during fuel tank strap removal, and during tank removal.
  20. Remove the LH fuel tank strap bolts and the strap.
  21. Remove the RH tank strap bolts and the strap.
  22. In order to clear the exhaust extension pipe, slowly lower the RH side of the fuel tank. Use care in feeding the fuel feed and return pipes, the EVAP vapor pipe, and the fuel pump module electrical harness to clear the axle.
  23. Once the tank is clear of the RH frame rail, remove the fuel tank down and toward the RH side of the vehicle.
  24. If the fuel tank only is to be replaced, remove the fuel pump module assembly from the fuel tank. Refer to Fuel Sender Assembly Replacement .

Installation Procedure


    Object Number: 890002  Size: SH
  1. If fuel tank replacement was necessary, install the fuel pump module assembly to the fuel tank. Refer to Fuel Sender Assembly Replacement .
  2. Have an assistant support the fuel tank during fuel tank and fuel tank strap installation.
  3. Begin to install the LH side of the fuel tank over the exhaust pipe.
  4. Raise the RH side of the fuel tank into position inboard of the RH frame rail. Use care in feeding the fuel feed and return pipes, the EVAP vapor pipe, and the fuel pump module electrical harness over the rear axle.
  5. Install the RH fuel tank strap and strap bolts.
  6. Install the LH fuel tank strap and strap bolts.
  7. Notice: Refer to Fastener Notice in the Preface section.

  8. Tighten the fuel tank strap bolts.
  9. Tighten
    Tighten the bolts to 25 N·m (18 lb ft).


    Object Number: 879159  Size: SH
  10. Raise the exhaust into position and install the muffler insulator (3) to the underbody hanger.
  11. Install the exhaust extension pipe insulators  (1, 2) to the underbody hangers.

  12. Object Number: 889730  Size: SH
  13. Connect the fuel pump module harness electrical connector to the vehicle underbody connector.

  14. Object Number: 889977  Size: SH
  15. Connect the fuel filler hose to the fuel tank.
  16. Notice: Refer to Component Fastener Tightening Notice in the Preface section.

  17. Tighten the fuel filler hose clamp (1) at the fuel tank.
  18. Tighten
    Tighten the clamp to 4.5 N·m (40 lb in).


    Object Number: 889726  Size: SH
  19. Remove the caps or plugs from the EVAP purge and vapor pipes.
  20. Connect the EVAP purge pipe (2) and vapor pipe (3) to the EVAP canister. Refer to Plastic Collar Quick Connect Fitting Service .
  21. Remove the caps or plugs from the fuel tank feed and return pipes.
  22. Connect the fuel feed and return lines to the fuel filter.
  23. Lower the vehicle.
  24. Refill the fuel tank.
  25. Connect the negative battery cable. Refer to Battery Negative Cable Disconnection and Connection in Engine Electrical.
  26. Inspect for fuel leaks using the following procedure:
  27. 20.1. Turn ON the ignition, with the engine OFF for 2 seconds.
    20.2. Turn OFF the ignition for 10 seconds.
    20.3. Turn ON the ignition, with the engine OFF.
    20.4. Inspect for fuel leaks.