GM Service Manual Online
For 1990-2009 cars only

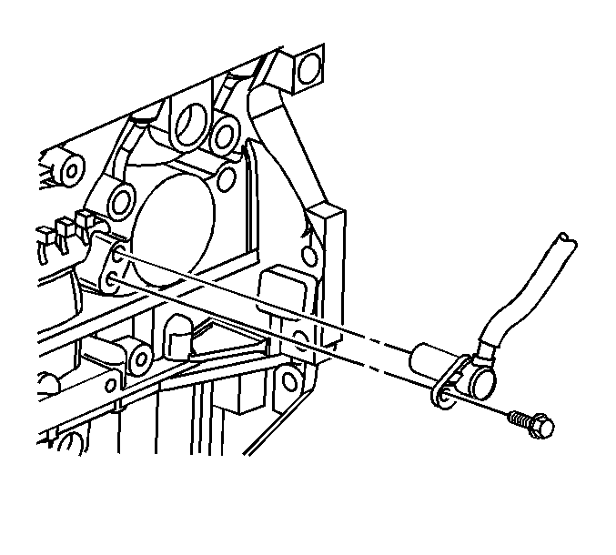
Removal Procedure

  1. Remove the starter. Refer to Starter Motor Replacement .

  2. Object Number: 770823  Size: SH
  3. Disconnect the crankshaft position (CKP) sensor electrical connector.
  4. Remove the CKP sensor bolt.
  5. Remove the CKP sensor.

Installation Procedure

  1. Inspect the CKP sensor O-ring and lubricate with a mineral based grease.

  2. Object Number: 770823  Size: SH
  3. Gently insert the CKP sensor into the block.
  4. Notice: Use the correct fastener in the correct location. Replacement fasteners must be the correct part number for that application. Fasteners requiring replacement or fasteners requiring the use of thread locking compound or sealant are identified in the service procedure. Do not use paints, lubricants, or corrosion inhibitors on fasteners or fastener joint surfaces unless specified. These coatings affect fastener torque and joint clamping force and may damage the fastener. Use the correct tightening sequence and specifications when installing fasteners in order to avoid damage to parts and systems.

  5. Install the CKP sensor bolt.
  6. Tighten
    Tighten the CKP sensor bolt to 8 N·m (71 lb in).

  7. Reconnect the CKP sensor electrical connector.
  8. Install the starter. Refer to Starter Motor Replacement .
  9. Perform the CKP system Variation Learn Procedure. Refer to Crankshaft Position System Variation Learn .