GM Service Manual Online
For 1990-2009 cars only
Makes
🢒
Saturn
🢒
2003
🢒
ION
🢒
Steering
🢒
Steering Wheel and Column
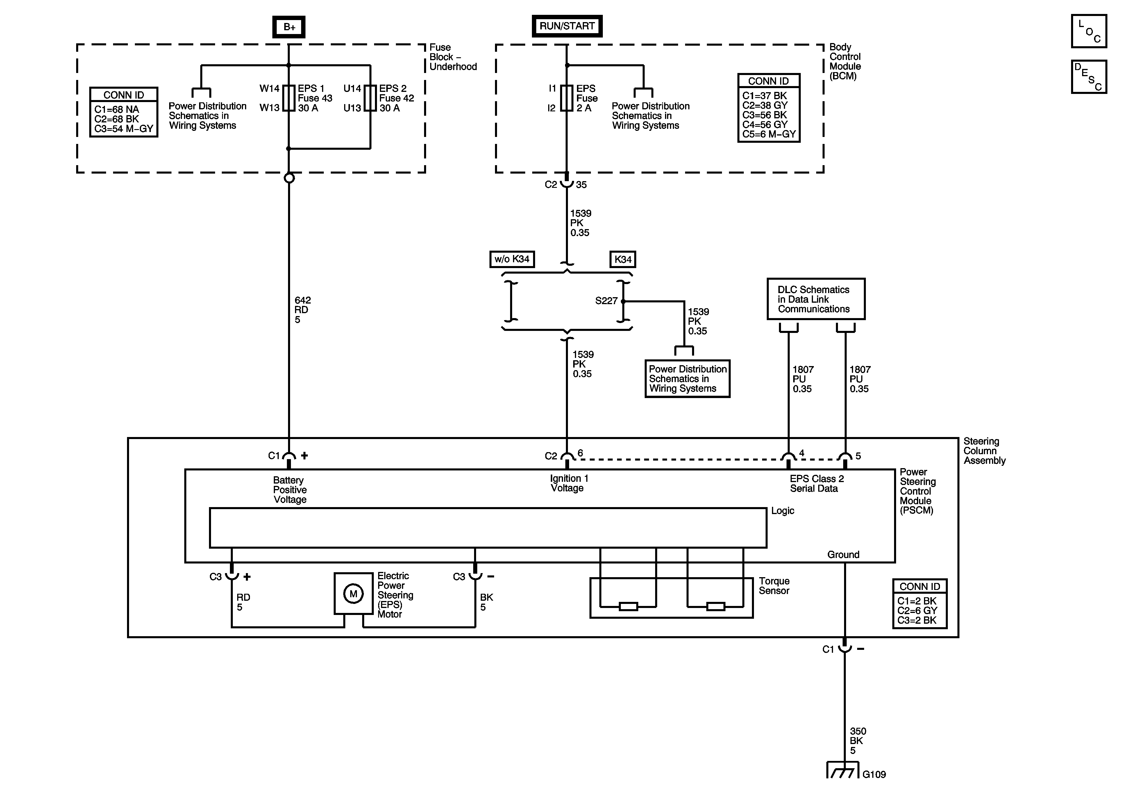
🢒 Power Steering Schematics
Master Electrical Component List
Power Steering System Description and Operation
03 GMX357 Fuse Block-Underhood Bus
Fuse Block-Underhood Fuses: ERLS, and INJECTORS, BCM Fuses: AIR BAG, CRUISE, and EPS
Data Link Connector (DLC) Schematics
Data Link Connector (DLC) Schematics
G103, G105, G107, and G109