GM Service Manual Online
For 1990-2009 cars only
Makes
🢒
Saturn
🢒
2003
🢒
ION
🢒
Body and Accessories
🢒
Lighting Systems
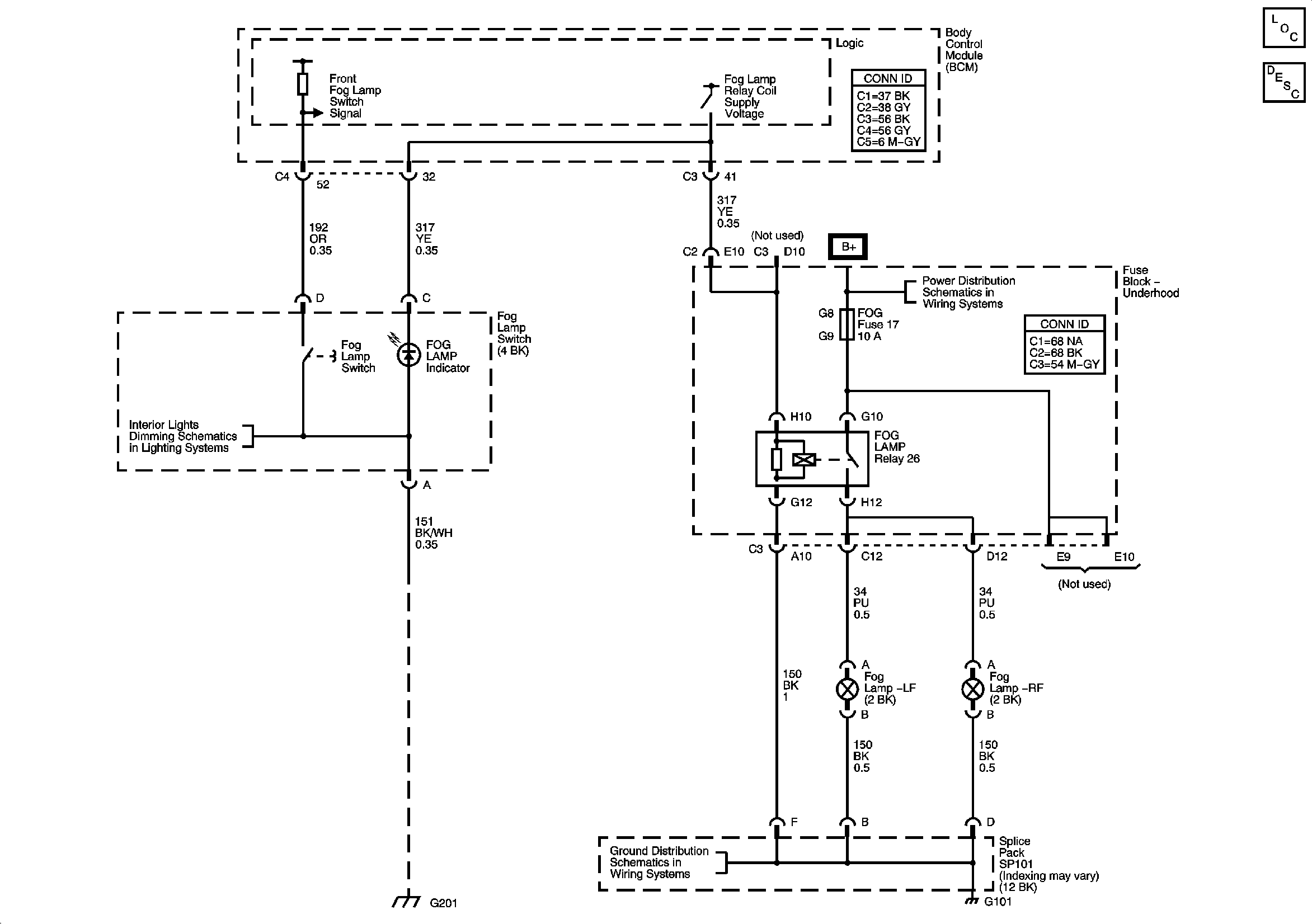
🢒 Fog Lights Schematics
Master Electrical Component List
Exterior Lighting Systems Description and Operation
Interior Lights Dimming Schematics
G201
G101
03 GMX357 Fuse Block-Underhood Bus