GM Service Manual Online
For 1990-2009 cars only

Info - VT25E (Vti) Transaxle Off-Vehicle Repair Authorization

Subject:VT25E (Vti) Transaxle Off-Vehicle Repair Authorization

Models:2002-2003 VUE and 2003 ION Vehicles
with a VT25E (Vti) Transaxle (RPO M75/M16)



Purpose:

The purpose of this bulletin is to authorize full off-vehicle repair of the VT25E (Vti) transaxle for all vehicle models. Since the introduction of the VT25E (Vti) transaxle in April of 2002, and the subsequent authorization of the limited on-vehicle service program in October of 2002, units requiring service of components not covered under these authorized programs have been replaced with a Service Transaxle Assembly (STA).

Beginning April 23, 2003, full off-vehicle repair of the VT25E (Vti) transaxle is authorized.

Use the following flowchart in order to help determine if a transmission concern warrants a repair or STA replacement.

Transmission Repair verses Service Transaxle Assembly


Object Number: 1283611  Size: FP

Important: Do not reuse the torque converter and differential housing bolts after they have been removed. Discard the bolts and replace them with new service bolts (P/N 24228273). Refer to the illustration below for location of the 22 bolts in the required tightening sequence.


Object Number: 1301093  Size: SH

Important: In the interest of customer satisfaction, STA models should only be considered when the projected cost of parts and labor exceeds the cost of a STA replacement.

VT Control Valve Body and Solenoid Assembly Components


Object Number: 1277720  Size: FP

VT Control Valve Body Assembly and Cover Components


Object Number: 1278735  Size: FP

Object Number: 1278735  Size: FP

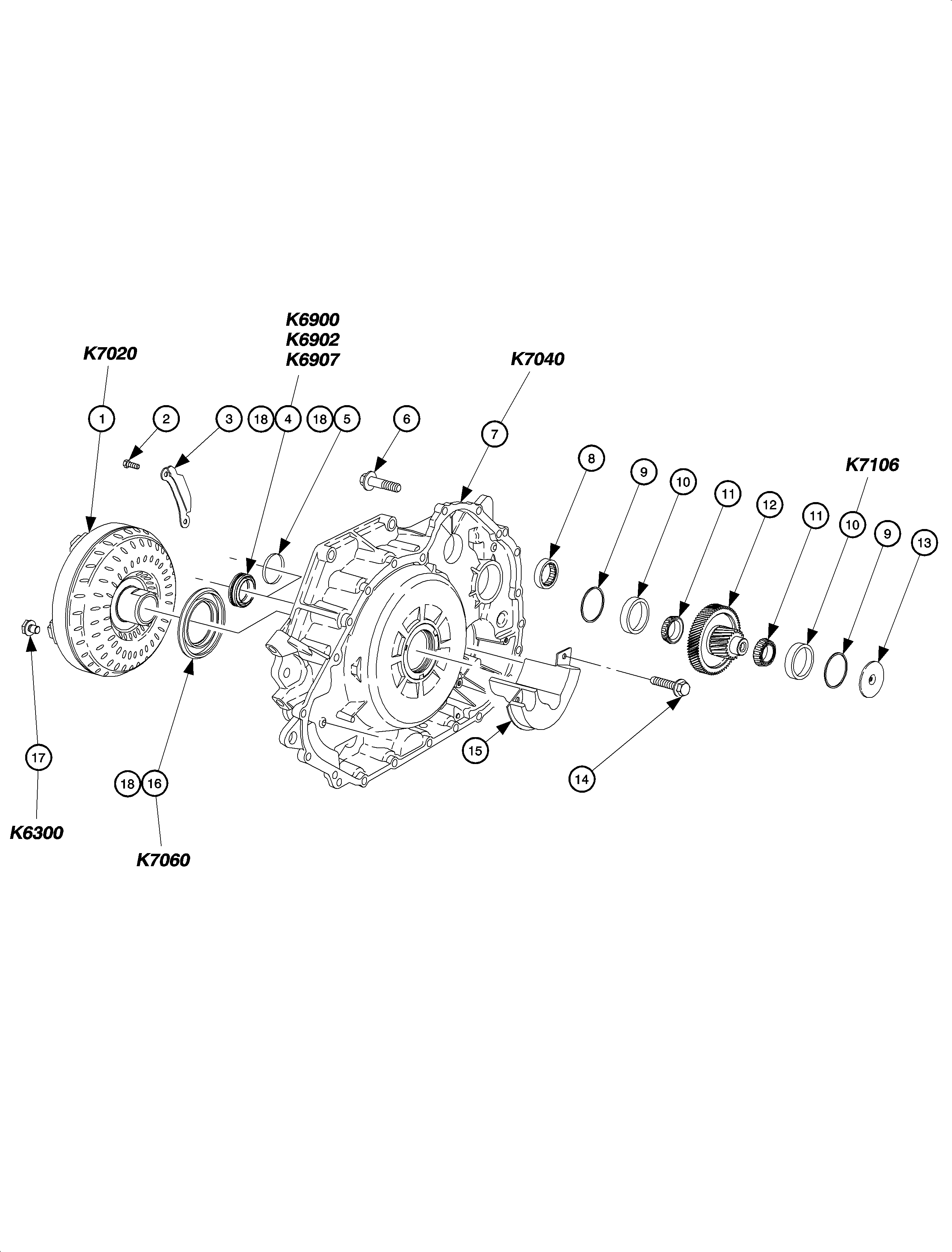
VT Torque Converter and Housing Related Components


Object Number: 1278741  Size: FP

VT Case Components, Pump, Filter, and Reverse Clutch


Object Number: 1279469  Size: FP

VT Case Cover and Forward Clutch Components


Object Number: 1280257  Size: FP

VT Front Differential Carrier Assembly and Components


Object Number: 1300901  Size: FP

Parts Requirements:

For part names and numbers, please reference the appropriate Saturn Parts & Illustration Catalog.

Claim Information:

To receive credit for any repairs during the warranty coverage period, submit a claim through the Saturn Dealer System, or if another procedure is performed, refer to the appropriate Electronic Labor time Guide for the correct Labor Operation Code and Time.


Object Number: 1284942  Size: SH

Object Number: 1284943  Size: SH

Object Number: 1284946  Size: SH

Object Number: 1284945  Size: SH