GM Service Manual Online
For 1990-2009 cars only

Service Information Regarding Design Change to the Manual Transmission Shift Control Housing and the Manual Transmission Select and Shift Lever Cables

Subject:Service Information Regarding Design Change to the Manual Transmission Shift Control Housing and the Manual Transmission Select and Shift Lever Cables

Models:2002-2003 Saturn VUE Vehicles -- Built Prior To and Including VIN Breakpoint 3S903335
2003 Saturn ION Vehicles -- Built Prior To and Including VIN Breakpoint 3Z204993
with Manual Transmission (RPO M86)

Attention: Fixed Operations Manager, Parts Manager, and Technician


Purpose


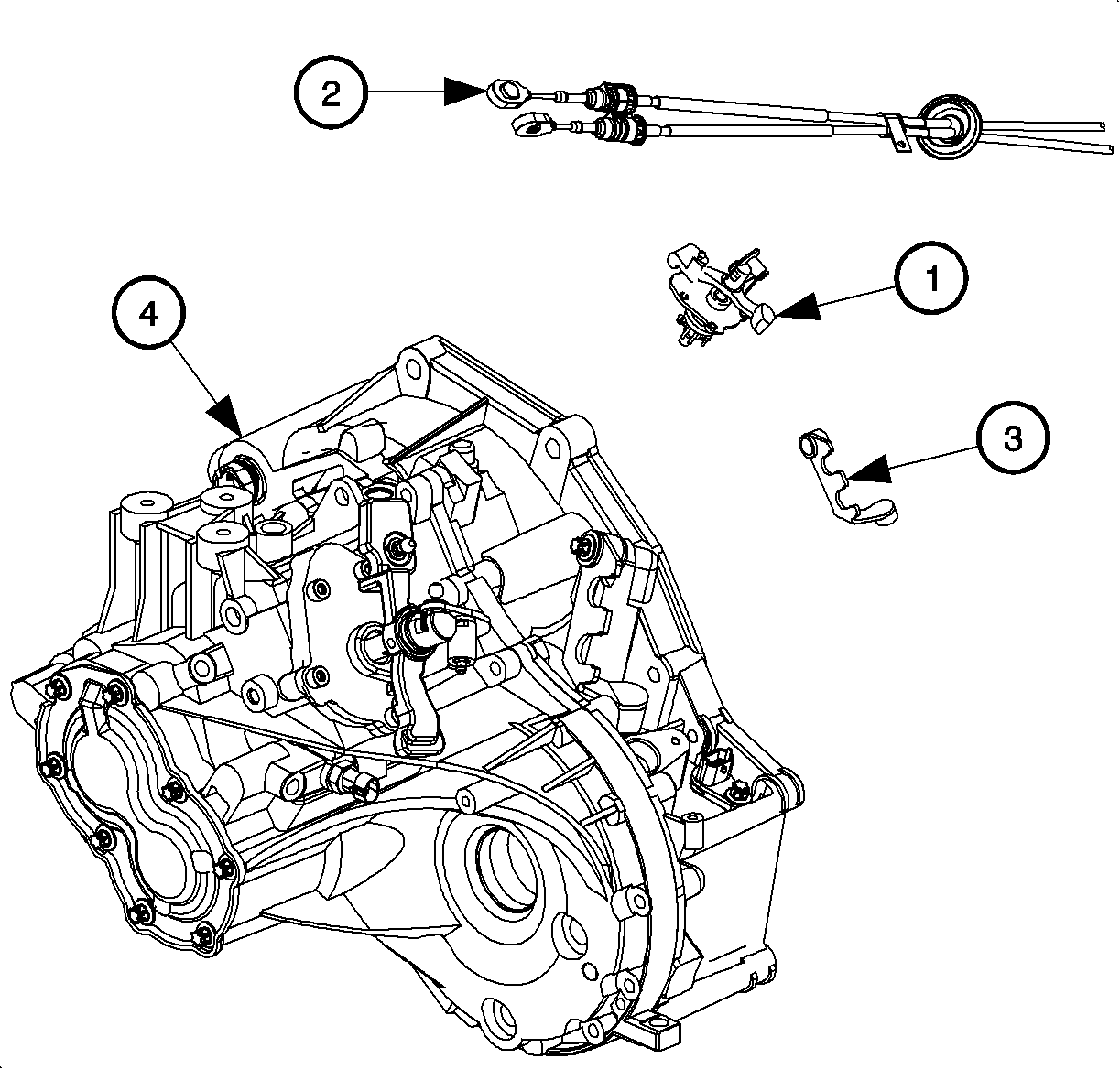
Object Number: 1385744  Size: SH

Design changes have been made during the 2003 model year production to the shift control housing select and shift cables for improved shift operation and feel. The changes include a physical design change to the shift control housing (1) and shift cable (2) connection points. When replacing manual transmission assemblies (4) in vehicles built prior to the VIN breakpoints listed above, the original shift control housing (1) and shift lever cable bracket (3) must be removed and installed onto the replacement transmission. Refer to the Shift Control Assembly Replacement procedures in the applicable Service Manual.