GM Service Manual Online
For 1990-2009 cars only
Makes
🢒
Saturn
🢒
2003
🢒
ION
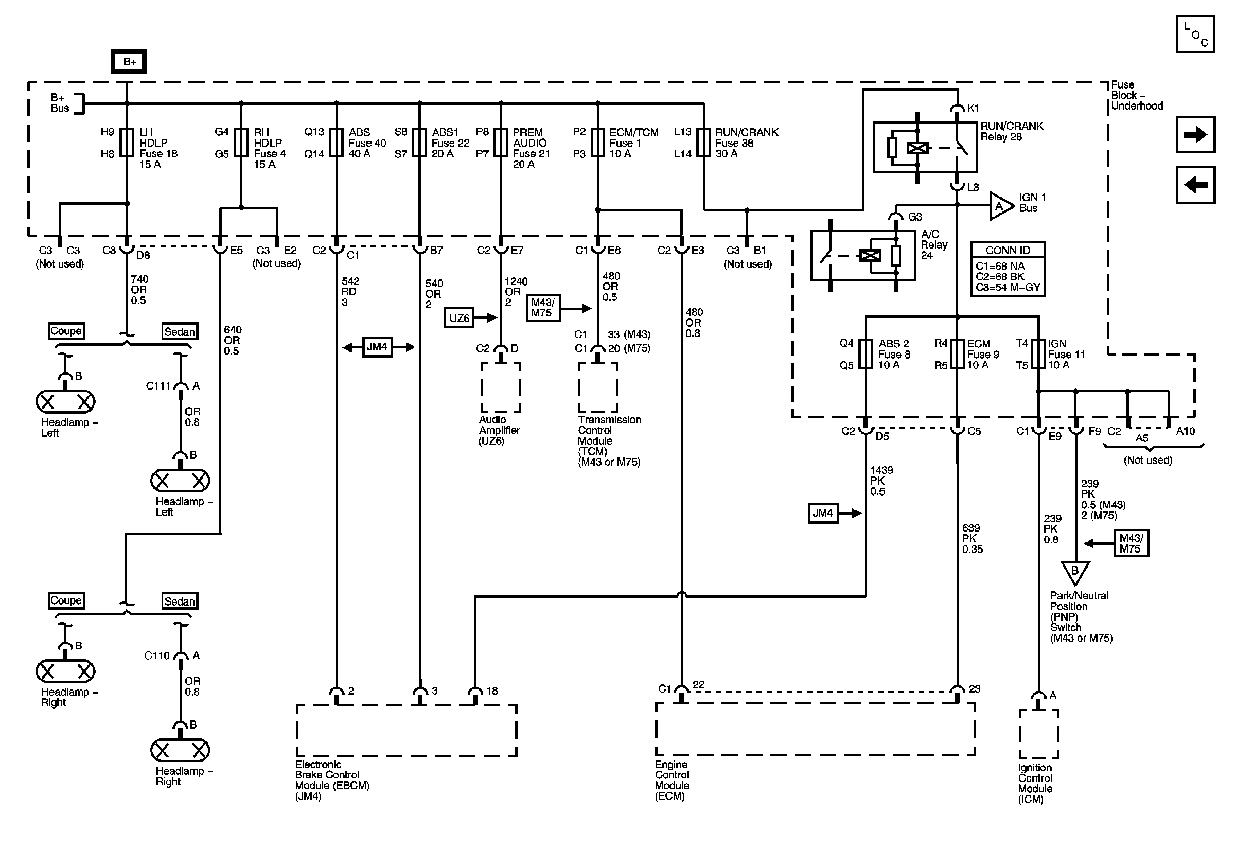
🢒 Fuse Block-Underhood Fuses: ABS, ABS1, ABS2, ECM, ECM/TCM, IGN, LH HDLP, PREM AUDIO, RH HDLP, and RUN/CRANK
Fuse Block-Underhood Fuses: ABS, ABS1, ABS2, ECM, ECM/TCM, IGN, LH HDLP, PREM AUDIO, RH HDLP, and RUN/CRANK
Fuse Block-Underhood Fuses: ABS, ABS1, ABS2, ECM, ECM/TCM, IGN, LH HDLP, PREM AUDIO, RH HDLP, and RUN/CRANK
Master Electrical Component List
Fuse Block-Underhood Fuses: BACK UP, TRANS1, and TRANS2
Fuse Block-Underhood Fuses: IP BATT2 and RUN (IGN3), BCM Fuses: BCM ELECT, CLUSTER, FUELPUMP, HVAC, IGN. SW, and STOP
03 GMX357 Fuse Block-Underhood Bus
Fuse Block-Underhood Fuses: BACK UP, TRANS1, and TRANS2
Fuse Block-Underhood Fuses: BACK UP, TRANS1, and TRANS2