GM Service Manual Online
For 1990-2009 cars only
Makes
🢒
Saturn
🢒
2003
🢒
ION
🢒 Ground, Power, Signals, and References to Cellular Communication and Lighting
Ground, Power, Signals, and References to Cellular Communication and Lighting
Ground, Power, Signals, and References to Cellular Communications and Lighting
Master Electrical Component List
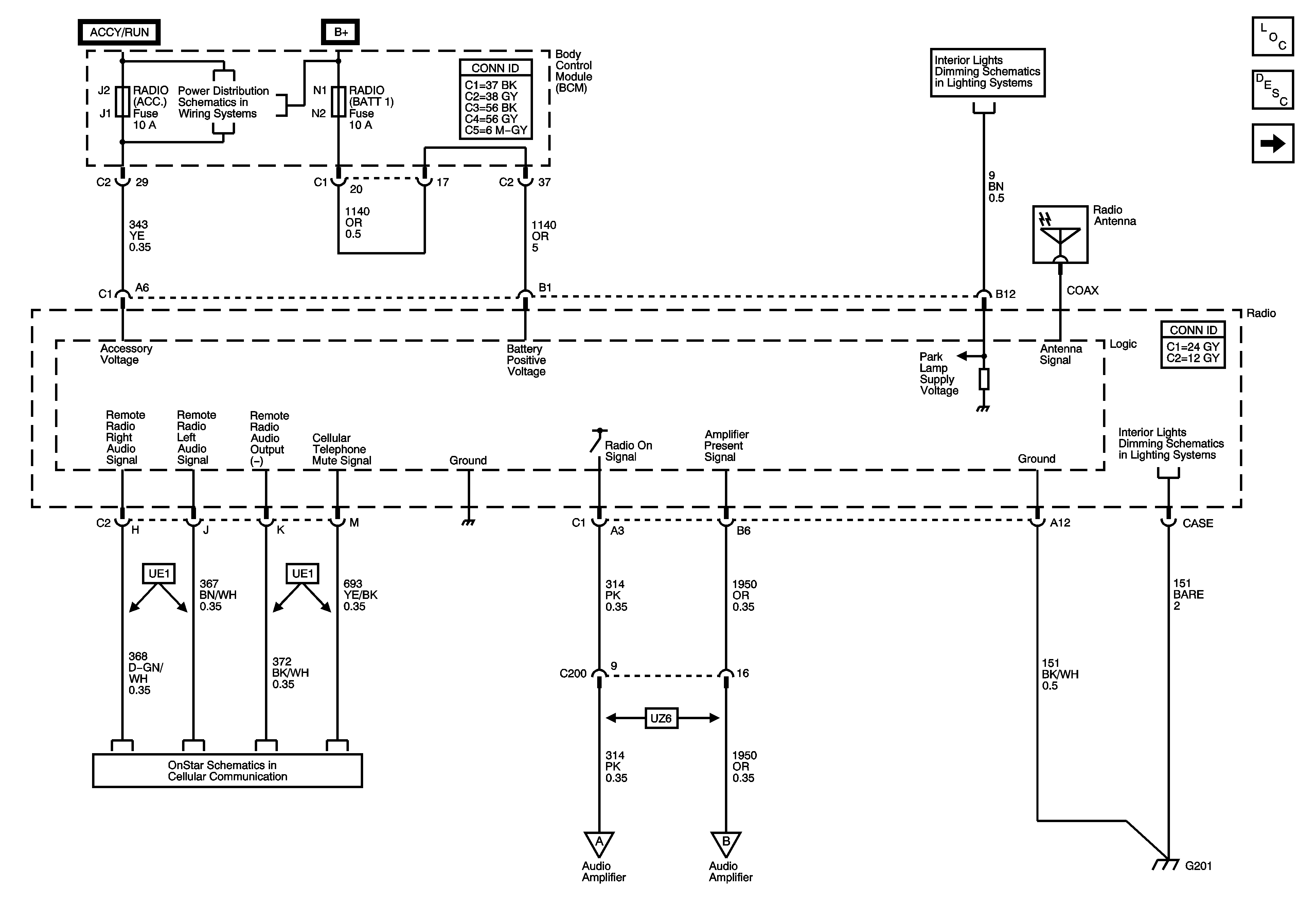
Radio/Audio System Description and Operation
Radio to Speakers-U79 or UX7
Fuse Block-Underhood Fuses: IP BATT1 and IP BATT1A, BCM Fuses: BCM PWR, DASH, LIGHTER, ONSTAR, PARK, PWR OUTLET, PWR WINDOWS, RADIO (ACC.), RADIO (BATT1), SUN ROOF, and WIPER SW
Interior Lights Dimming Schematics
Interior Lights Dimming Schematics
OnStar Schematics
03 A Car Radio/Audio System-Radio to Amplifier to Speakers (UZ6)
03 A Car Radio/Audio System-Radio to Amplifier to Speakers (UZ6)
G201