GM Service Manual Online
For 1990-2009 cars only
Makes
🢒
Saturn
🢒
2003
🢒
ION
🢒 Vehicle Theft Deterrent
Vehicle Theft Deterrent
Vehicle Theft Deterrent
Master Electrical Component List
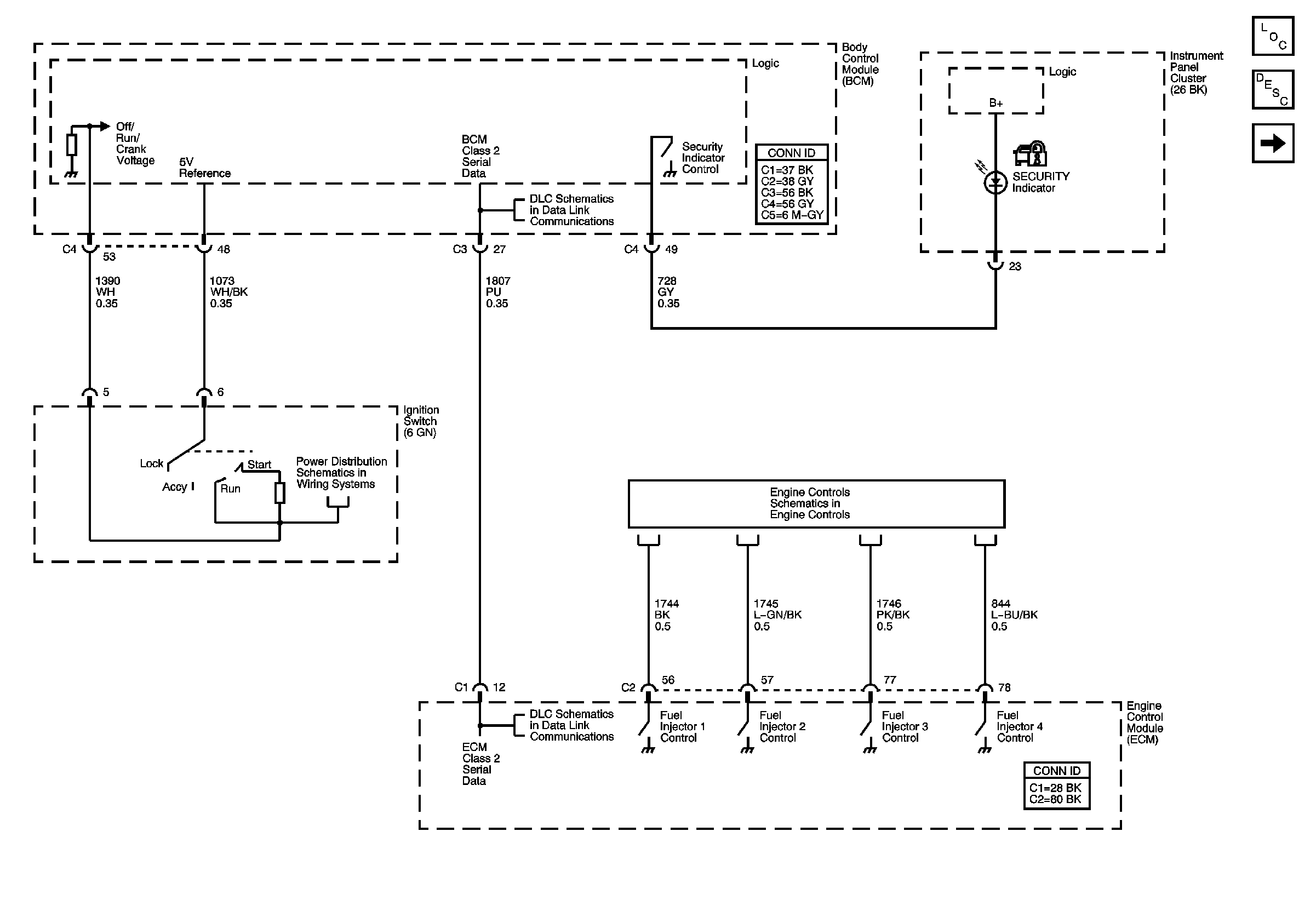
Vehicle Theft Deterrent (VTD) Description and Operation
Content Theft Deterrent
Data Link Connector (DLC) Schematics
Audible Warning Schematics
Fuel Delivery
Data Link Connector (DLC) Schematics