GM Service Manual Online
For 1990-2009 cars only

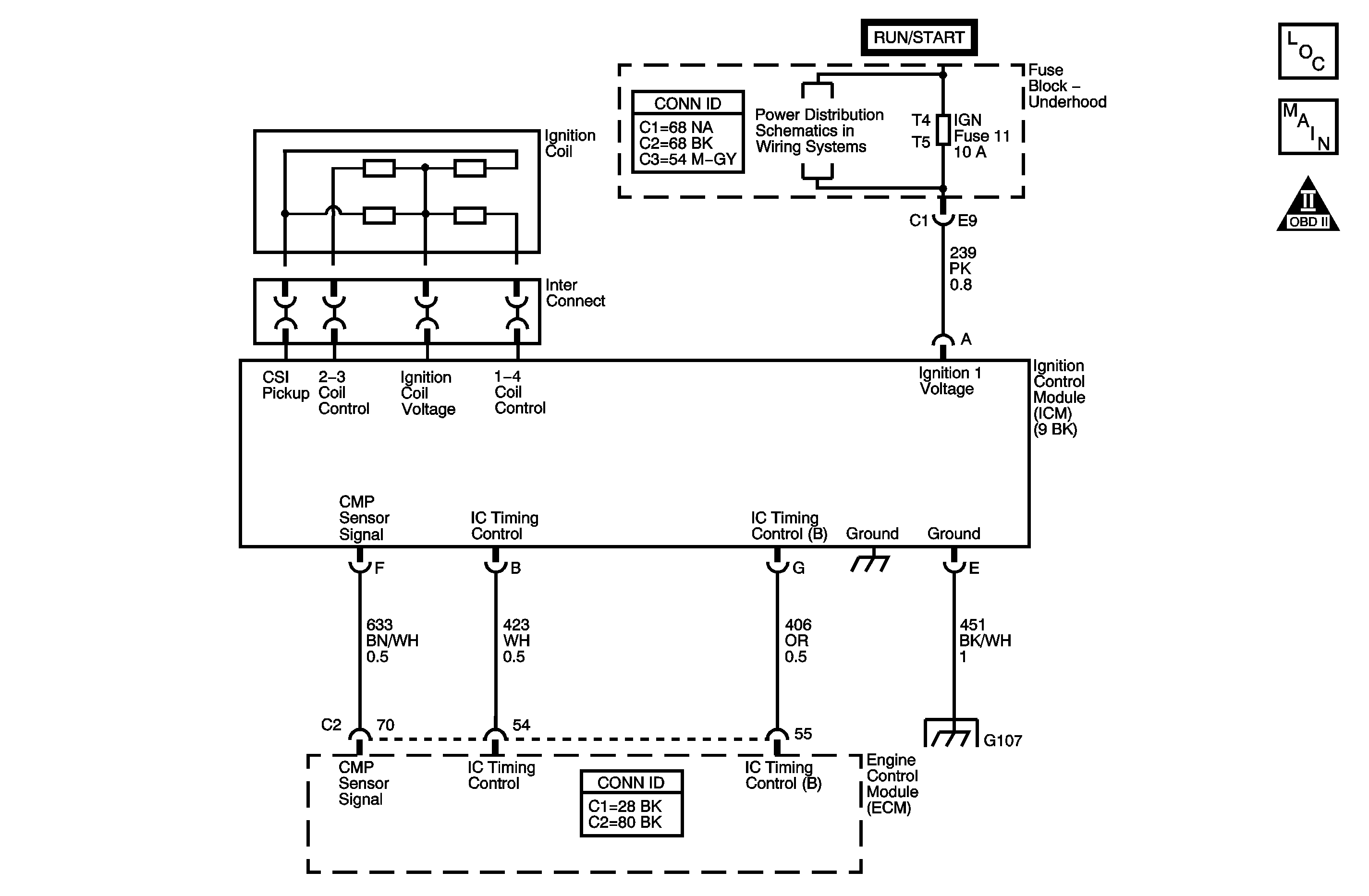
Object Number: 891191  Size: MF

Circuit Description

This ignition system does not use a conventional camshaft position (CMP) sensor that detects valve train position. The ignition control module (ICM) detects when #1 or #3 cylinder has fired on the compression stroke using sensing circuitry integrated within each coil. The sensing circuit detects the polarity and the strength of the secondary voltage output. The higher output is always at the event cylinder. The ICM sends a CMP signal to the engine control module (ECM) based on the voltage difference between the event and waste cylinder firing energy. This system is called compression sense ignition. By monitoring the CMP and crankshaft position (CKP) signals, the ECM can accurately sequence the fuel injectors. If the ECM receives an intermittent CMP signal from the ICM, DTC P0341 sets.

Conditions for Running the DTC

The engine is running.

Conditions for Setting the DTC

The ECM detects more than 11 extra CMP signal transitions when the manifold absolute pressure (MAP) is greater than 30 kPa.

Action Taken When the DTC Sets

    • The control module illuminates the malfunction indicator lamp (MIL) on the second consecutive ignition cycle that the diagnostic runs and fails.
    • The control module records the operating conditions at the time the diagnostic fails. The first time the diagnostic fails, the control module stores this information in the Failure Records. If the diagnostic reports a failure on the second consecutive ignition cycle, the control module records the operating conditions at the time of the failure. The control module writes the operating conditions to the Freeze Frame and updates the Failure Records.

Conditions for Clearing the MIL/DTC

    • The control module turns OFF the malfunction indicator lamp (MIL) after 3 consecutive ignition cycles that the diagnostic runs and does not fail.
    • A current DTC, Last Test Failed, clears when the diagnostic runs and passes.
    • A history DTC clears after 40 consecutive warm-up cycles, if no failures are reported by this or any other emission related diagnostic.
    • Clear the MIL and the DTC with a scan tool.

Diagnostic Aids

    • If DTC P0336 is set, diagnose that DTC first. An intermittent fault in the CKP circuit will cause the ECM to resync the cam and may set DTC P0341.
    • An intermittent short to voltage on the CMP signal circuit can set this DTC. A direct short to voltage on the CMP signal circuit will set DTC P0340, as there will be no change in the cam signal input.
    • The following conditions may set this DTC:
       - High resistance in the #1 secondary ignition system
       - Low resistance in the #4 secondary ignition system
       - Corroded or loose #1 or #4 secondary ignition components
       - Harness being routed too close to the secondary ignition components, relays, motors

If this DTC is determined to be intermittent, refer to Intermittent Conditions .

Test Description

The number below refers to the step number on the diagnostic table.

  1. This step determines if DTC P0341 is the result of a hard malfunction or an intermittent condition.

Step

Action

Values

Yes

No

Schematic Reference: Engine Controls Schematics

Connector End View Reference: Engine Controls Connector End Views or Engine Control Module Connector End Views

1

Did you perform the Diagnostic System Check-Engine Controls?

--

Go to Step 2

Go to Diagnostic System Check - Engine Controls

2

  1. Install a scan tool.
  2. Turn on the ignition, with the engine OFF.

Are any other DTCs set?

--

Go to Diagnostic Trouble Code (DTC) List

Go to Step 3

3

  1. Start the engine.
  2. Allow the engine to idle.
  3. Observe the CMP Resync Counter with the scan tool.

Does the CMP Resync Counter increment to 14, then reset to 0 continuously?

--

Go to Diagnostic Aids

Go to Step 4

4

Observe the Misfire Counter current CYL #1 and #4 counters with a scan tool.

Is cylinder # 1 and/or # 4 Misfire Counters counting up?

--

Go to DTC P0300

Go to Step 5

5

  1. Turn ON the ignition, with the engine OFF.
  2. Disconnect the ignition control module (ICM).
  3. Measure the voltage from the camshaft position (CMP) signal circuit at the ICM harness connector to a good ground with a DMM. Refer to Circuit Testing in Wiring Systems.

Is the voltage within the specified range?

4-6 V

Go to Step 6

Go to Step 7

6

  1. Observe the CMP Resync Counter with a scan tool.
  2. Crank the engine.

Does the CMP Resync Counter count up without resetting to 0?

--

Go to Step 8

Go to Step 10

7

Test the CMP signal circuit for a short to ground. Refer to Circuit Testing and Wiring Repairs in Wiring Systems.

Did you find and correct the condition?

--

Go to Step 12

Go to Step 10

8

Test for an intermittent and for a poor connection at the ICM. Refer to Testing for Intermittent Conditions and Poor Connections and Connector Repairs in Wiring Systems.

Did you find and correct the condition?

--

Go to Step 12

Go to Step 9

9

Replace the ICM. Refer to Ignition Control Module Replacement .

Did you complete the replacement?

--

Go to Step 12

--

10

Test for an intermittent and for a poor connection at the engine control module (ECM). Refer to Testing for Intermittent Conditions and Poor Connections and Connector Repairs in Wiring Systems.

Did you find and correct the condition?

--

Go to Step 12

Go to Step 11

11

Replace the ECM. Refer to Engine Control Module Replacement .

Did you complete the replacement?

--

Go to Step 12

--

12

  1. Clear the DTCs with a scan tool.
  2. Turn OFF the ignition for 30 seconds.
  3. Start the engine.
  4. Operate the vehicle within the Conditions for Running the DTC. You may also operate the vehicle within the conditions that you observed from the Freeze Frame/Failure Records.

Did the DTC fail this ignition?

--

Go to Step 2

Go to Step 13

13

Observe the Capture Info with a scan tool.

Are there any DTCs that have not been diagnosed?

--

Go to Diagnostic Trouble Code (DTC) List

System OK