GM Service Manual Online
For 1990-2009 cars only

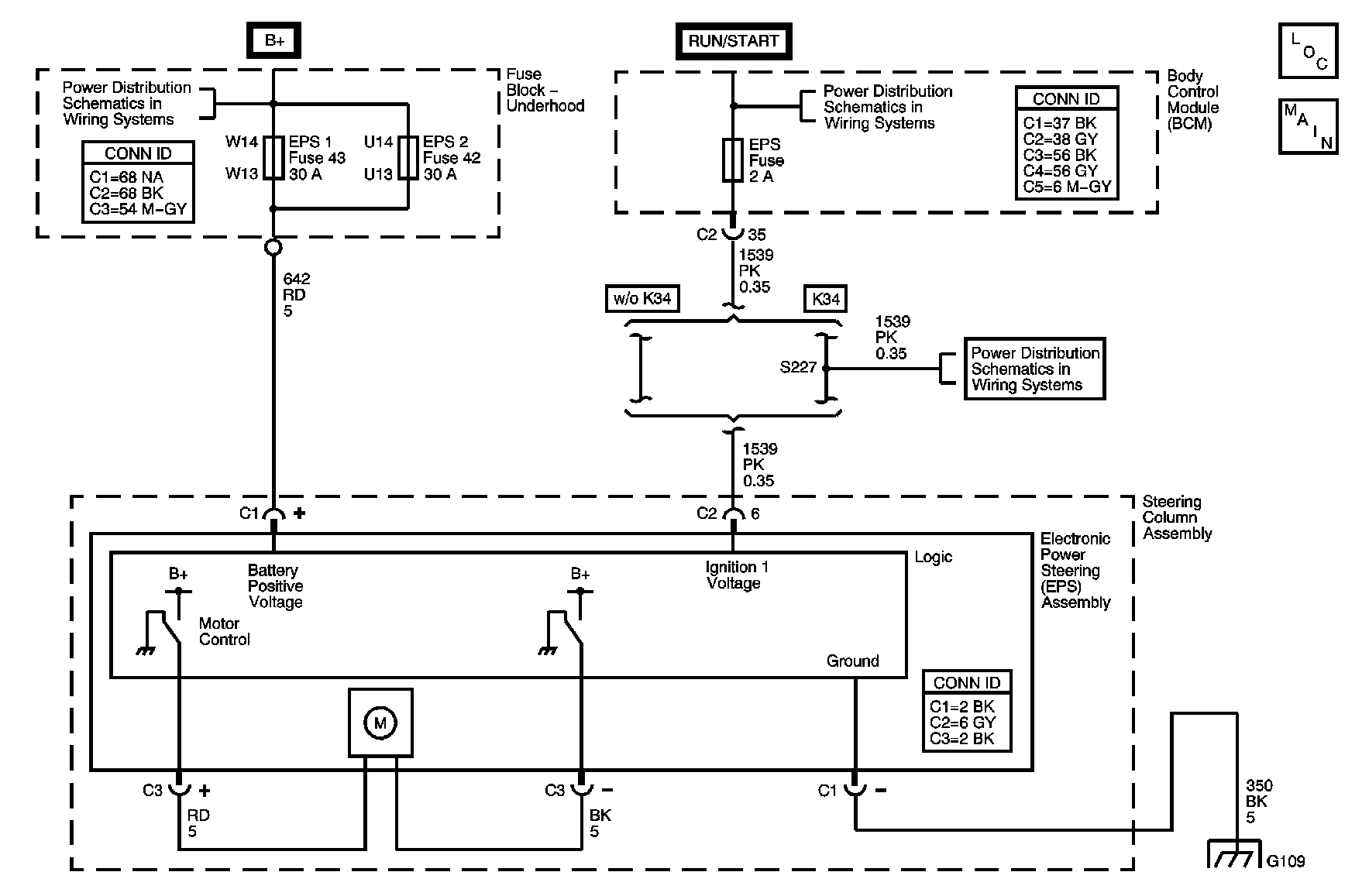
Object Number: 879518  Size: MF

Circuit Description

The Power Steering Control Module (PSCM) continuously monitors the voltage and current levels being commanded to the Electric Power Steering (EPS) motor. The PSCM compares the desired and actual current levels to detect malfunctions in the EPS motor, or the circuits to the motor.

Conditions for Running the DTC

    • The ignition is ON.
    • No voltage DTCs are present.

Conditions for Setting the DTC

A short to ground, short to voltage, or an open in the EPS motor, or the circuits to the motor.

Action Taken When the DTC Sets

    • A DTC C0475 is stored in memory.
    • The IPC message center displays the PWR STR warring message.
    • No steering assist is provided.

Conditions for Clearing the DTC

    • A current DTC will clear on the next malfunction free ignition cycle.
    • A history DTC will clear after 100 consecutive malfunction free ignition cycles.
    • Using a scan tool

Step

Action

Yes

No

Connector End Views Reference: Power Steering Connector End Views

1

Did you perform the Power Steering Diagnostic System Check?

Go to Step 2

Go to Diagnostic System Check - Power Steering System

2

Inspect for poor connections at the EPS motor harness connector, refer to Testing for Intermittent Conditions and Poor Connections and Connector Repairs in Wiring Systems.

Did you find and correct the condition?

Go to Step 6

Go to Step 3

3

Test the EPS motor control circuits for a short to ground or an open. Refer to Circuit Testing and Wiring Repairs in Wiring Systems.

Did you find and correct the condition?

Go to Step 6

Go to Step 4

4

Test the EPS motor control circuits for a short to voltage. Refer to Testing for a Short to Voltage and Wiring Repairs in Wiring Systems.

Did you find and correct the condition?

Go to Step 6

Go to Step 5

5

Replace the EPS assembly. Refer to Steering Column Replacement in Steering Wheel and Column.

Did you complete the repair?

Go to Step 6

--

6

  1. Use the scan tool in order to clear the DTCs.
  2. Operate the vehicle within the Conditions for Running the DTC.

Does the DTC reset?

Go to Step 2

System OK