GM Service Manual Online
For 1990-2009 cars only

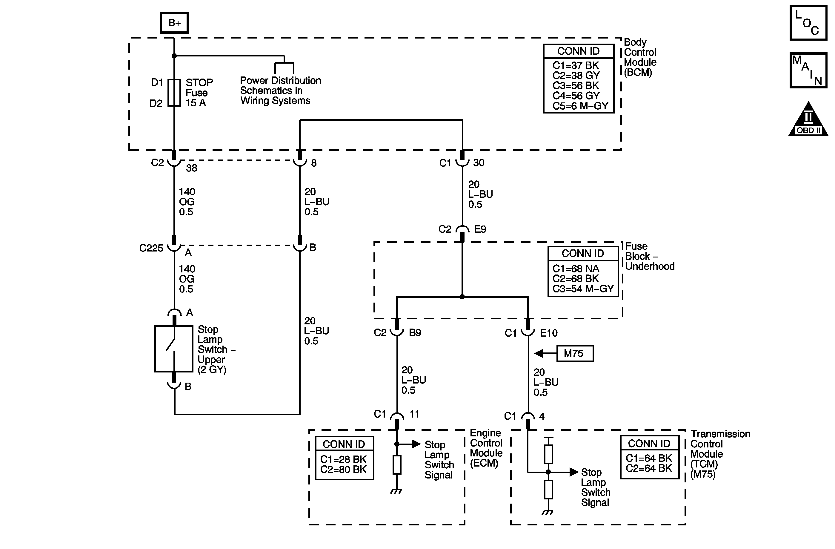
Object Number: 882389  Size: MF
Master Electrical Component List
Automatic Transmission Controls Schematics
OBD II Symbol Description Notice

Circuit Description

The stop lamp switch is used to indicate the status of the brake switch, applied or released, to the transmission control module (TCM). The normally-closed stop lamp switch supplies an ignition voltage input to the TCM. Applying thebrake pedal allows the switch to close, thereby applying a voltage to theTCM. Releasing the pedal pushes the brake plunger in and opens the switch, thus interrupting the voltage to the TCM. When the TCM senses ignition voltage at the stop lamp switch input, the TCM de-energizes the TCC pressure control solenoid valve.

If the TCM detects a closed stop lamp switch, stuck ON, during accelerations, the DTC P0724 sets. DTC P0724 is a type C DTC.

Conditions for Running the DTC

No OSS DTCs P0722 or P0723.

Conditions for Setting the DTC

The stop lamp switch input detects ignition voltage for 15 minutes and the following conditions occur 8 times without a status change on the stop lamp switch input:

    • The output shaft speed is less than 400 RPM, then;
    • The output shaft speed is between 400 RPM and 1,400 RPM for 3 seconds, then;
    • The output shaft speed is greater than 1,400 RPM for 6 seconds.

Action Taken When the DTC Sets

    • The TCM does not request the ECM to illuminate the malfunction indicator lamp (MIL).
    • SERVICE VEHICLE message displays on the driver information center (DIC).
    • The TCM defaults to the Controller Area Network brake switch or a calculated brake switch based on the output speed sensor, and the throttle position sensor.
    • The TCM records the operating conditions when the Conditions for Setting the DTC are met. The TCM stores this information as Failure Records.
    • The TCM stores DTC P0724 in TCM history.

Conditions for Clearing the DIC/DTC

    • The TCM clears the DIC message when the condition no longer exists.
    • A scan tool can clear the DTC.
    • The TCM clears the DTC from TCM history if the vehicle completes 40 warm-up cycles without a non-emission related diagnostic fault occurring.
    • The TCM cancels the DTC default actions when the fault no longer exists and the DTC passes.

Test Description

The numbers below refer to the step numbers on the diagnostic table.

  1. Disconnecting the brake switch connector, and observing a status change, isolates the brake switch as the source of the DTC.

  2. This step tests the signal circuit for a short to voltage, if the brake switch status on the scan tool did not change in Step 2.

  3. If the brake switch is properly adjusted, then the brake switch must be replaced.

  4. Replace the TCM only after you have completed the preceding diagnostic steps.

Step

Action

Values

Yes

No

1

Did you perform the Diagnostic System Check - Engine Controls?

--

Go to Step 2

Go to Diagnostic System Check - Engine Controls in Engine Controls - 2.2L (L61)

2

  1. Install a scan tool.
  2. Turn ON the ignition, with the engine OFF.
  3. Important: 

       • Before clearing the DTC, use the scan tool in order to record the ECM and the TCM Failure Records. Using the Clear Eng./Trans. DTC Info function erases the Failure Records from the ECM and TCM.
       • Using the Clear Eng./Trans. DTC Info function erases stored DTCs in both the ECM and TCM.

  4. Record the DTC Failure Records.
  5. Clear the DTC.
  6. Select Brake Switch on the scan tool.
  7. Disconnect the brake switch connector.

Does the brake switch status change from applied to released?

--

Go to Step 4

Go to Step 3

3

Test the stop lamp switch signal (CKT 20) of the brake switch for a short to voltage.

Refer to Testing for a Short to Voltage in Wiring Systems.

Did you find and correct the condition?

--

Go to Step 6

Go to Step 5

4

Replace the brake switch.

Refer to Stop Lamp Switch Replacement in Lighting Systems.

Did you complete the replacement?

--

Go to Step 6

--

5

Replace the TCM. Refer to Transmission Control Module Replacement .

Did you complete the replacement?

--

Go to Step 6

--

6

Perform the following procedure in order to verify the repair:

  1. Select DTC.
  2. Select Clear Info.
  3. Operate the vehicle under the following conditions:
  4. • Start and idle the engine for 5 seconds.
    • Apply the brake pedal, then release it.
  5. Select Specific DTC.
  6. Enter DTC P0724.

Has the test run and passed?

--

Go to Step 7

Go to Step 2

7

With the scan tool, observe the stored information, capture info and DTC info.

Does the scan tool display any DTCs that you have not diagnosed?

--

Go to Diagnostic Trouble Code (DTC) List in Engine Controls - 2.2L (L61)

System OK