GM Service Manual Online
For 1990-2009 cars only

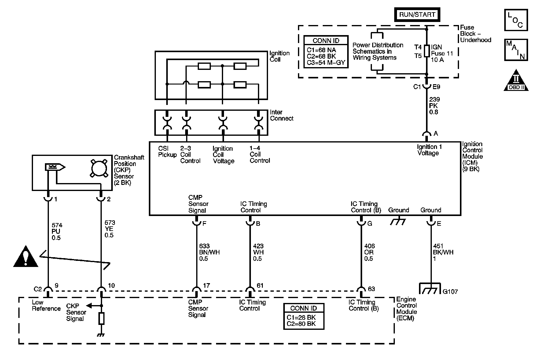
Object Number: 891182  Size: MF

Circuit Description

The engine control module (ECM) controls spark timing and dwell under all engine running conditions. The Ignition Control Module (ICM) has the ability to charge anddischarge the coil packs based on ECM control. The ECM uses a high control signal of near 5 volts to charge up the coil and a low control signal of near 0 volts to discharge the coil. If the coil is charged and the control signal is low, the coil will fire through its secondary towers. During engine crank, the ECM will pulse the ignition control (IC) timing control B circuit high and low to test for faults in the IC timing control B circuit. If the ECM detects an open or a short to voltage in IC timing control circuit, DTC P1352 sets.

Conditions for Running the DTC

This diagnostic runs continuously with ignition ON.

Conditions for Setting the DTC

This DTC will set if an open or short to voltage occurs on IC timing control B circuit.

Action Taken When the DTC Sets

    • The control module stores the DTC information into memory when the diagnostic runs and fails.
    • The malfunction indicator lamp (MIL) will not illuminate.
    • The control module records the operating conditions at the time the diagnostic fails. The control module stores this information in the Failure Records.
    • The driver information center, if equipped, may display a message.

Conditions for Clearing the DTC

    • A current DTC Last Test Failed clears when the diagnostic runs and passes.
    • A history DTC clears after 40 consecutive warm-up cycles, if no failures are reported by this or any other non-emission related diagnostic.
    • Clear the DTC with a scan tool.

Diagnostic Aids

An open or short to voltage on IC timing control B circuit will cause a misfire on both cylinders 2 and 3. Use the scan tool to monitor the Misfire Current Cylinders 2 and 3 to help locate an intermittent condition. Refer to Intermittent Conditions .

Step

Action

Values

Yes

No

Schematic Reference: Engine Controls Schematics

Connector End View Reference: Engine Controls Connector End Views or Engine Control Module Connector End Views

1

Did you perform the Diagnostic System Check-Engine Controls?

--

Go to Step 2

Go to Diagnostic System Check - Engine Controls

2

  1. Observe the Freeze Frame/Failure Records for this DTC.
  2. Turn OFF the ignition for 30 seconds.
  3. Start the engine.
  4. Operate the vehicle within the Conditions for Running the DTC. You may also operate the vehicle within the conditions that you observed from the Freeze Frame/Failure Records.

Did the DTC fail this ignition?

--

Go to Step 3

Go to Diagnostic Aids

3

Did DTC P0352 also fail this ignition?

--

Go to Step 9

Go to Step 4

4

  1. Turn OFF the ignition.
  2. Disconnect the ignition control module (ICM).
  3. Measure the voltage between the IC timing control B circuit and a good ground with a DMM.
  4. Crank the engine.

Does the voltage vary within the specified range?

0-5 V

Go to Step 6

Go to Step 5

5

  1. Turn ON the ignition, with the engine OFF.
  2. Measure the voltage between the IC timing control B circuit and a good ground with a DMM.

Does the voltage measure less than the specified value?

3.5 V

Go to Step 8

Go to Step 7

6

Test the IC timing control circuit for high resistance. Refer to Circuit Testing and Wiring Repairs in Wiring Systems.

Did you find and correct the condition?

--

Go to Step 14

Go to Step 11

7

Test the IC timing control B circuit for a short to voltage. Refer to Circuit Testing in Wiring Systems.

Did you find and correct the condition?

--

Go to Step 14

Go to Step 10

8

Test the IC timing control B circuit for an open. Refer to Circuit Testing in Wiring Systems.

Did you find and correct the condition?

--

Go to Step 14

Go to Step 10

9

Test for a short between the IC timing control circuit and IC timing control B circuit. Refer to Circuit Testing in Wiring Systems.

Did you find and correct the condition?

--

Go to Step 14

Go to Step 10

10

Test for an intermittent and for a poor connection at the Engine Control Module (ECM) . Refer to Testing for Intermittent Conditions and Poor Connections and Connector Repairs in Wiring Systems.

Did you find and correct the condition?

--

Go to Step 14

Go to Step 12

11

Test for an intermittent and for a poor connection at the ICM. Refer to Testing for Intermittent Conditions and Poor Connections and Connector Repairs in Wiring Systems.

Did you find and correct the condition?

--

Go to Step 14

Go to Step 13

12

Replace the ECM. Refer to Engine Control Module Replacement .

Did you complete the replacement?

--

Go to Step 14

--

13

Replace the ICM. Refer to Ignition Control Module Replacement .

Did you complete the replacement?

--

Go to Step 14

--

14

  1. Clear the DTCs with a scan tool.
  2. Turn OFF the ignition for 30 seconds.
  3. Start the engine.
  4. Operate the vehicle within the Conditions for Running the DTC. You may also operate the vehicle within the conditions that you observed from the Freeze Frame/Failure Records.

Did the DTC fail this ignition?

--

Go to Step 2

Go to Step 15

15

Observe the Capture Info with a scan tool.

Are there any DTCs that have not been diagnosed?

--

Go to Diagnostic Trouble Code (DTC) List

System OK