GM Service Manual Online
For 1990-2009 cars only

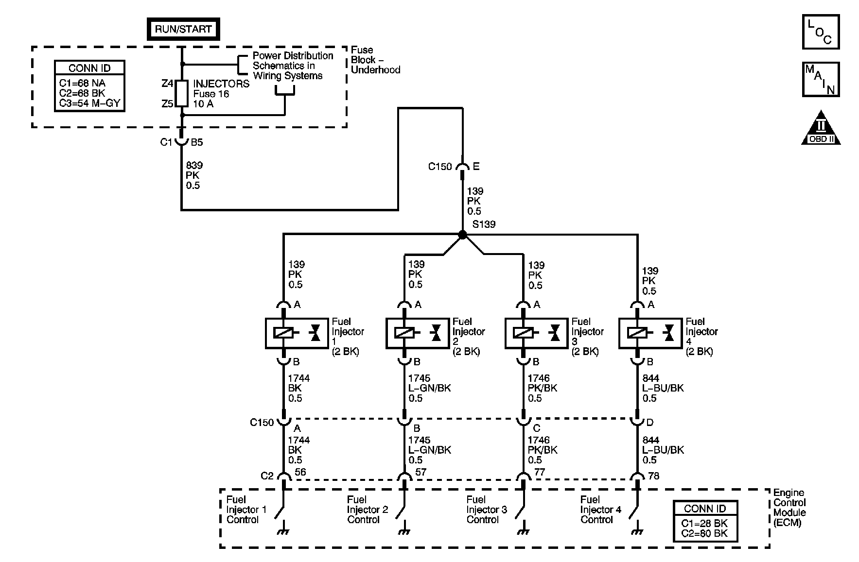
Object Number: 891203  Size: MF

Circuit Description

The control module enables the appropriate fuel injector pulse for each cylinder. Ignition voltage is supplied to the fuel injectors. The control module controls each fuel injector by grounding the control circuit via a solid state device called a driver. The control module monitors the status of each driver. If the control module detects an incorrect voltage for the commanded state of the driver, DTC P0261, P0264, P0267, or P0270 sets.

Conditions for Running the DTC

Continuously when the fuel injector is commanded OFF

Conditions for Setting the DTC

    • The control module detects feedback voltage less than 1.25 volts when the injector is commanded OFF.
    • The above condition is met for longer than 0.5 second.

Action Taken When the DTC Sets

    • The control module stores the DTC information into memory when the diagnostic runs and fails.
    • The malfunction indicator lamp (MIL) will not illuminate.
    • The control module records the operating conditions at the time the diagnostic fails. The control module stores this information in the Failure Records.
    • The driver information center, if equipped, may display a message.

Conditions for Clearing the DTC

    • A current DTC Last Test Failed clears when the diagnostic runs and passes.
    • A history DTC clears after 40 consecutive warm-up cycles, if no failures are reported by this or any other non-emission related diagnostic.
    • Clear the DTC with a scan tool.

Diagnostic Aids

    • Monitor the injector circuit low volt and open test with the ignition ON, and the engine OFF with a scan tool. Test Fail will be displayed when a fault exists.
    • If the condition is intermittent, refer to Intermittent Conditions

Step

Action

Yes

No

Schematic Reference: Engine Controls Schematics

Connector End View Reference: Engine Control Module Connector End Views or Engine Controls Connector End Views

1

Did you perform the Diagnostic System Check-Engine Controls?

Go to Step 2

Go to Diagnostic System Check - Engine Controls

2

Important: If DTCs P0261, P0264, P0267, and P0270 are all set, inspect the ignition 1 voltage supply circuit for a short to ground and for an open between the underhood fuse block and the splice.

  1. Clear the DTCs with a scan tool.
  2. Crank the engine or start the engine.

Does an injector DTC set?

Go to Step 4

Go to Step 3

3

  1. Observe the Freeze Frame/Failure Records for this DTC.
  2. Turn OFF the ignition for 30 seconds.
  3. Crank the engine or start the engine.
  4. Operate the vehicle within the Conditions for Running the DTC. You may also operate the vehicle within the conditions observed from the Freeze Frame/Failure Records.

Did the DTC fail this ignition?

Go to Step 4

Go to Diagnostic Aids

4

  1. Turn OFF the ignition.
  2. Remove the air cleaner outlet resonator. Refer to Air Cleaner Outlet Resonator Replacement .
  3. Disconnect the fuel injector.
  4. Turn ON the ignition, with the engine OFF.
  5. Probe the ignition 1 voltage circuit of the fuel injector with a test lamp that is connected to a good ground. Refer to Probing Electrical Connectors in Wiring Systems.

Does the test lamp illuminate?

Go to Step 5

Go to Step 11

5

  1. Turn OFF the ignition.
  2. Connect the J 34730-405 Injector Test Lamp (Noid Light) between the control circuit and the ignition 1 voltage circuit of the fuel injector.
  3. Start the engine.

Does the test lamp flash?

Go to Step 9

Go to Step 6

6

Does the test lamp remain illuminated at all times?

Go to Step 8

Go to Step 7

7

Test the control circuit of the fuel injector for an open. Refer to Circuit Testing in Wiring Systems.

Did you find and correct the condition?

Go to Step 14

Go to Step 10

8

Test the control circuit of the fuel injector for a short to ground. Refer to Circuit Testing and Wiring Repairs in Wiring Systems.

Did you find and correct the condition?

Go to Step 14

Go to Step 13

9

Test for an intermittent and for a poor connection at the fuel injector. Refer to Testing for Intermittent Conditions and Poor Connections and Connector Repairs in Wiring Systems.

Did you find and correct the condition?

Go to Step 14

Go to Step 12

10

Test for an intermittent and for a poor connection at the engine control module (ECM). Refer to Testing for Intermittent Conditions and Poor Connections and Connector Repairs in Wiring Systems.

Did you find and correct the condition?

Go to Step 14

Go to Step 13

11

Repair the open or short to ground in the ignition 1 voltage circuit of the fuel injector. Replace the fuse as necessary. Refer to Wiring Repairs in Wiring Systems.

Did you complete the repair?

Go to Step 14

--

12

Replace the affected fuel injector. Refer to Fuel Injector Replacement .

Did you complete the replacement?

Go to Step 14

--

13

Replace the ECM. Refer to Engine Control Module Replacement .

Did you complete the replacement?

Go to Step 14

--

14

  1. Clear the DTCs with a scan tool.
  2. Turn OFF the ignition for 30 seconds.
  3. Start the engine.
  4. Operate the vehicle within the Conditions for Running the DTC. You may also operate the vehicle within the conditions that you observed from the Freeze Frame/Failure Records.

Did the DTC fail this ignition?

Go to Step 2

Go to Step 15

15

Observe the Capture Info with a scan tool.

Are there any DTCs that have not been diagnosed?

Go to Diagnostic Trouble Code (DTC) List

System OK