GM Service Manual Online
For 1990-2009 cars only

Tools Required

J 45059 (SA9140E) Angle Meter


    Object Number: 1381557  Size: SH

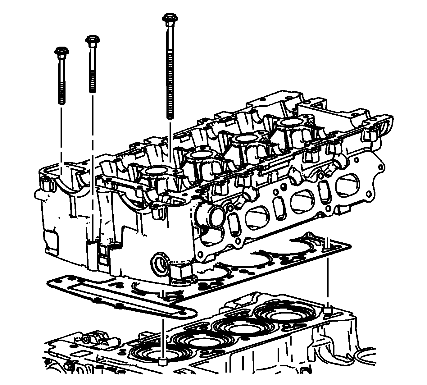
    Important: Do not use any sealing material.

  1. Install the cylinder head gasket to the block.
  2. Install the cylinder head.
  3. Important: Always use new cylinder head bolts.

  4. Lightly apply clean engine oil to the threads and the bottom side of the flange of the head bolt and allow the oil to drain before installing.

  5. Object Number: 412510  Size: SH

    Notice: Use the correct fastener in the correct location. Replacement fasteners must be the correct part number for that application. Fasteners requiring replacement or fasteners requiring the use of thread locking compound or sealant are identified in the service procedure. Do not use paints, lubricants, or corrosion inhibitors on fasteners or fastener joint surfaces unless specified. These coatings affect fastener torque and joint clamping force and may damage the fastener. Use the correct tightening sequence and specifications when installing fasteners in order to avoid damage to parts and systems.

  6. Install and tighten the cylinder head bolts in sequence.
  7. Tighten

        • Tighten bolts 30 N·m (22 lb ft).
        • Then turn all the bolts 155 degrees in sequence. Use the J 45059 (SA9140E).

    Object Number: 1381559  Size: SH
  8. Install the front cylinder head bolts.
  9. Tighten
    Tighten the cylinder head bolts to 35 N·m (26 lb ft).