GM Service Manual Online
For 1990-2009 cars only
Makes
🢒
Saturn
🢒
2004
🢒
ION
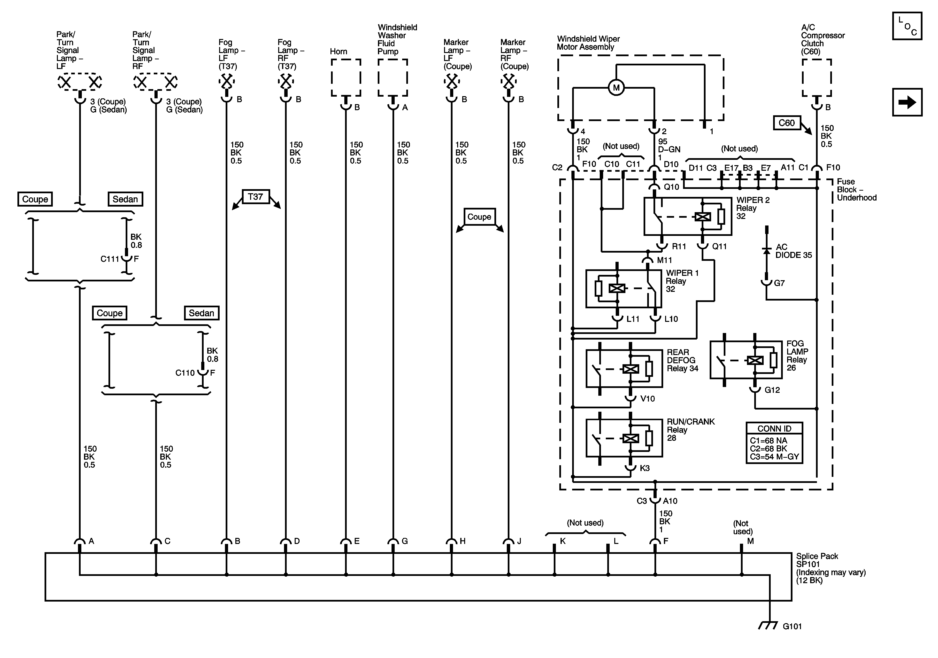
🢒 G101 - Early Production
G101 - Early Production
G101 - Early Production
Master Electrical Component List
G101 - Late Production