GM Service Manual Online
For 1990-2009 cars only
Makes
🢒
Saturn
🢒
2004
🢒
ION
🢒 Fuel Delivery
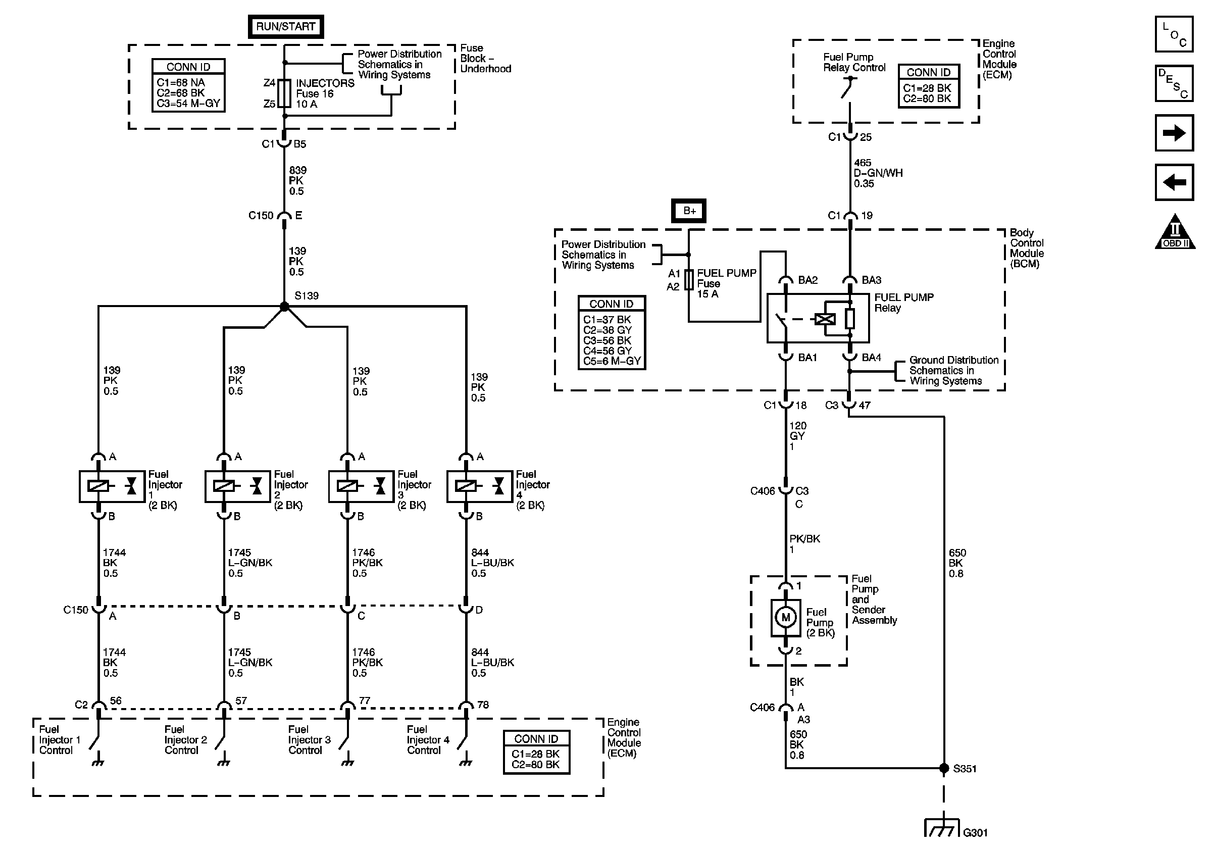
Fuel Delivery
Fuel Delivery
Master Electrical Component List
Engine Control Module Description
EVAP Controls and IAC
Ignition Controls
OBD II Symbol Description Notice
Fuse Block-Underhood Fuses: ERLS, and INJECTORS, BCM Fuses: AIR BAG, CRUISE, and EPS
Fuse Block-Underhood Fuses: IP BATT2 and RUN (IGN3), BCM Fuses: BCM ELECT, CLUSTER, FUELPUMP, HVAC, IGN. SW, and STOP
G301
G301