GM Service Manual Online
For 1990-2009 cars only
Makes
🢒
Saturn
🢒
2004
🢒
ION
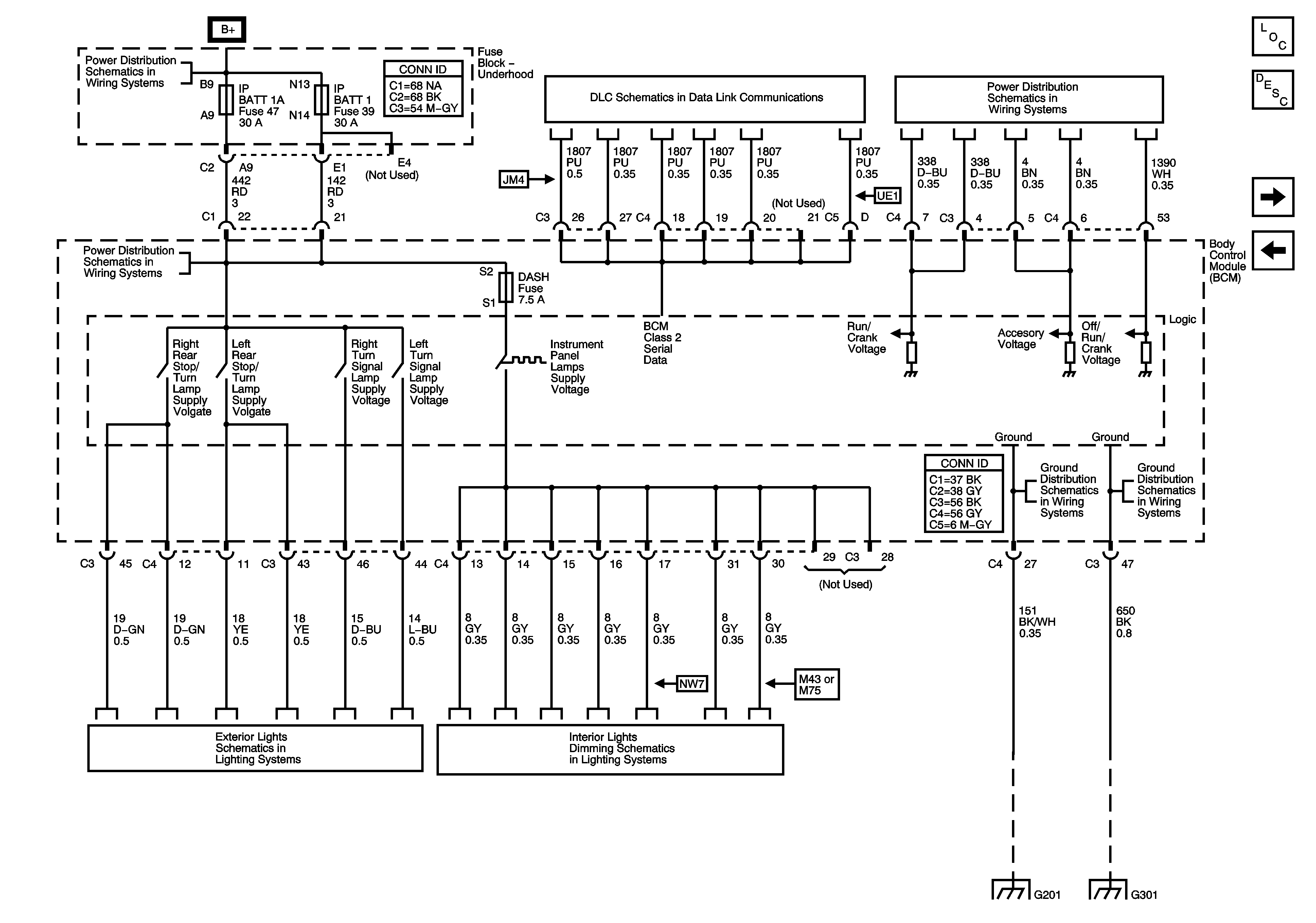
🢒 IP BATT 1A Fuse, IP BATT 1 Fuse, Grounds, and Subsystem References
IP BATT 1A Fuse, IP BATT 1 Fuse, Grounds, and Subsystem References
IP BATT 1A Fuse, IP BATT 1 Fuse, Grounds, and Subsystem References
Master Electrical Component List
Body Control System Description and Operation
PARK Fuse and Subsytem References
BCM ELECT Fuse 2 of 2, Bcm (PWR) Fuse, and Subsystem References
Fuse Block-Underhood Fuses: IP BATT1 and IP BATT1A, BCM Fuses: BCM PWR, DASH, LIGHTER, ONSTAR, PARK, PWR OUTLET, PWR WINDOWS, RADIO (ACC.), RADIO (BATT1), SUN ROOF, and WIPER SW
Data Link Connector Schematics
Ignition Switch
Fuse Block-Underhood Fuses: IP BATT1 and IP BATT1A, BCM Fuses: BCM PWR, DASH, LIGHTER, ONSTAR, PARK, PWR OUTLET, PWR WINDOWS, RADIO (ACC.), RADIO (BATT1), SUN ROOF, and WIPER SW
G201
G301
Turn/Hazard Lamps
Interior Lights Dimming Schematics
G201
G301