GM Service Manual Online
For 1990-2009 cars only
Makes
🢒
Saturn
🢒
2004
🢒
ION
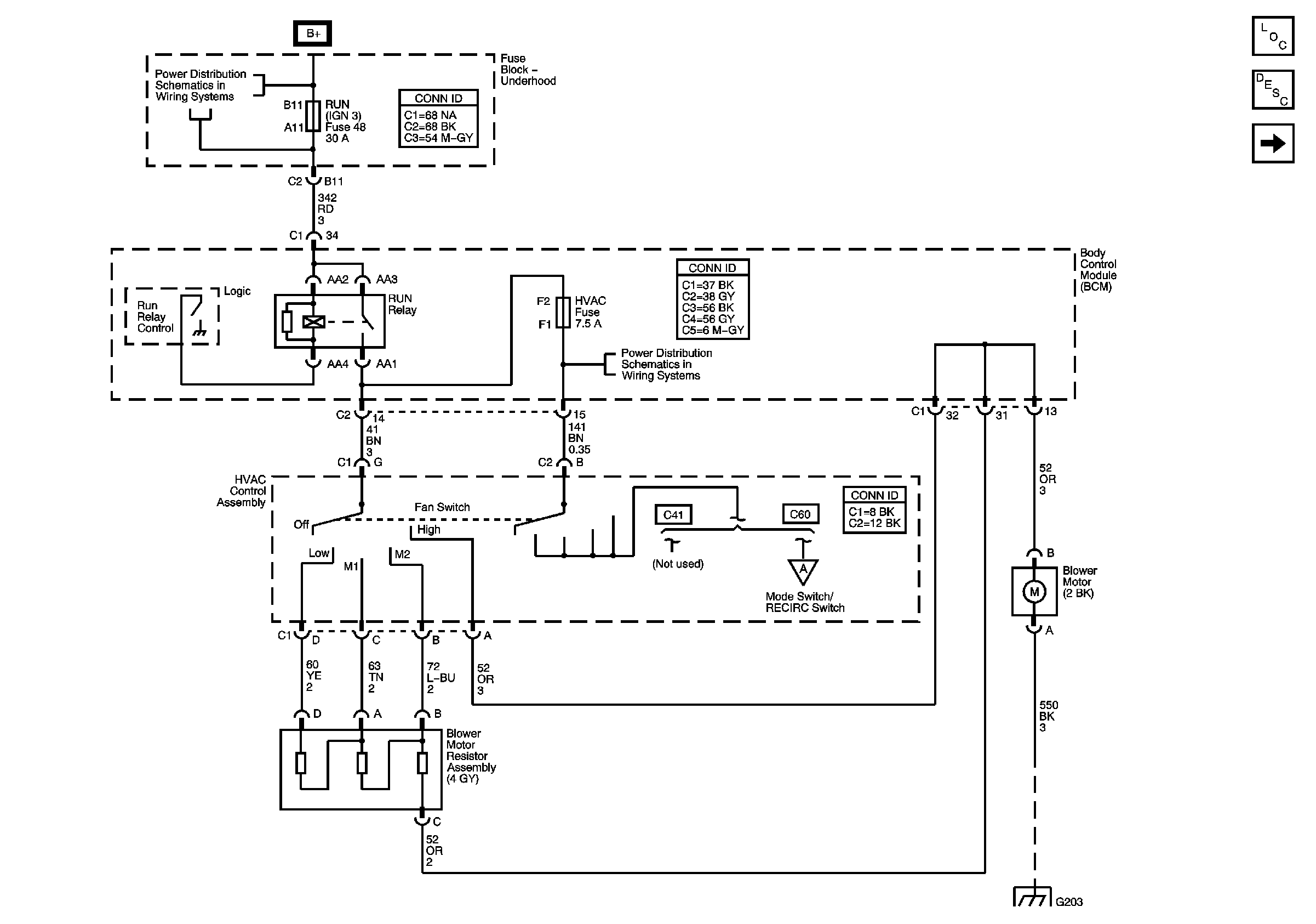
🢒 Blower Controls
Blower Controls
Blower Controls
Master Electrical Component List
Air Temperature Description and Operation
Air Recirculation and Compressor Controls-C60
Fuse Block-Underhood Fuses: IP BATT2 and RUN (IGN3), BCM Fuses: BCM ELECT, CLUSTER, FUELPUMP, HVAC, IGN. SW, and STOP
Fuse Block-Underhood Fuses: IP BATT2 and RUN (IGN3), BCM Fuses: BCM ELECT, CLUSTER, FUELPUMP, HVAC, IGN. SW, and STOP
Air Recirculation and Compressor Controls-C60
G203