GM Service Manual Online
For 1990-2009 cars only
Makes
🢒
Saturn
🢒
2004
🢒
ION
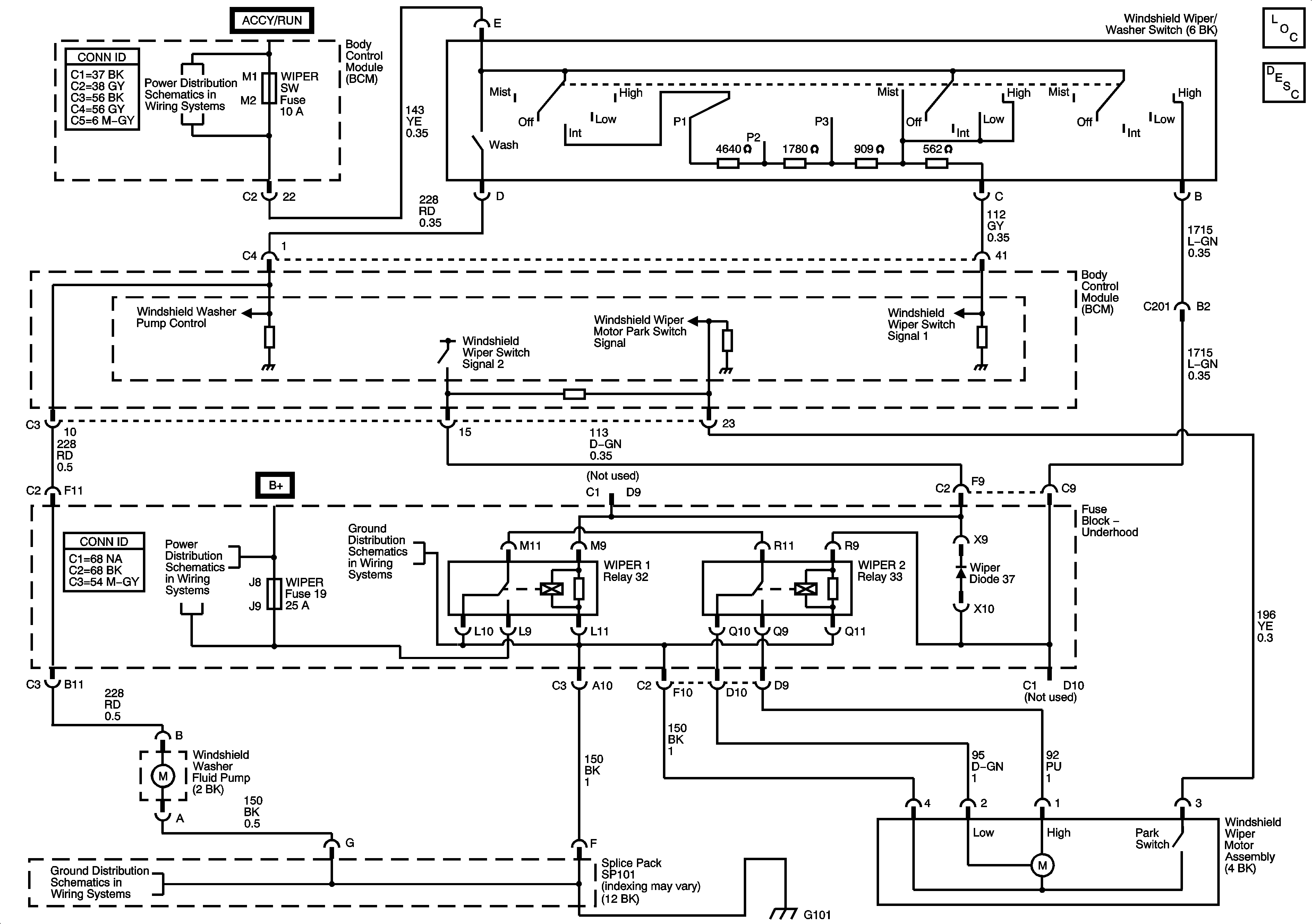
🢒 Wiper/Washer Schematics
Wiper/Washer Schematics
Master Electrical Component List
Wiper/Washer System Description and Operation
Fuse Block-Underhood Fuses: IP BATT1 and IP BATT1A, BCM Fuses: BCM PWR, DASH, LIGHTER, ONSTAR, PARK, PWR OUTLET, PWR WINDOWS, RADIO (ACC.), RADIO (BATT1), SUN ROOF, and WIPER SW
03 GMX357 Fuse Block-Underhood Bus
G101
G101
G101