GM Service Manual Online
For 1990-2009 cars only

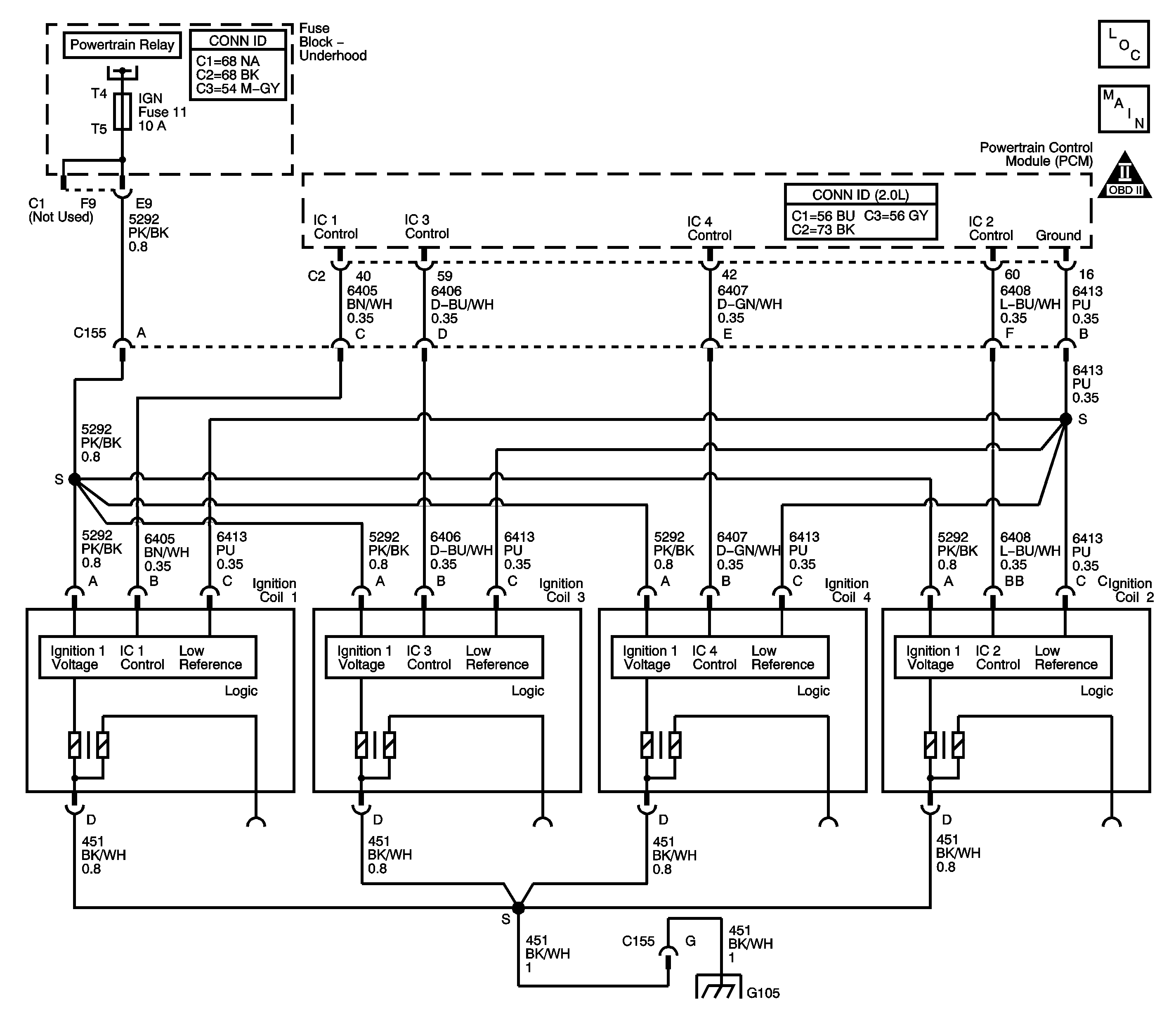
Object Number: 1403251  Size: LF

Circuit Description

The ignition system uses individual ignition coil/module assemblies for each cylinder. The powertrain control module (PCM) controls the individual coils by transmitting timing pulses on the ignition control (IC) circuit of each ignition coil/module to enable a spark event. The PCM monitors each IC circuit for improper voltage levels. Each ignition coil/module has the following circuits:

    • An ignition voltage circuit
    • A ground
    • An IC circuit
    • A low reference circuit

If the PCM detects a failure on the IC circuit of the ignition coil/module, it will set the corresponding DTC P0351-P0354.

DTC Descriptors

This diagnostic procedure supports the following DTCs:

    • DTC P0351 Ignition Coil 1 Control Circuit
    • DTC P0352 Ignition Coil 2 Control Circuit
    • DTC P0353 Ignition Coil 3 Control Circuit
    • DTC P0354 Ignition Coil 4 Control Circuit

Conditions for Running the DTC

    • The engine is running.
    • These DTCs run continuously.

Conditions for Setting the DTC

The PCM detects one of the following failures on the IC circuit :

    • An open
    • A short to ground
    • A short to voltage

The failure is present for 30 out of 100 ignition cycles. The failure time duration varies with engine speed.

Action Taken When the DTC Sets

    • The control module illuminates the malfunction indicator lamp (MIL) on the second consecutive ignition cycle that the diagnostic runs and fails.
    • The control module records the operating conditions at the time the diagnostic fails. The first time the diagnostic fails, the control module stores this information in the Failure Records. If the diagnostic reports a failure on the second consecutive ignition cycle, the control module records the operating conditions at the time of the failure. The control module writes the operating conditions to the Freeze Frame and updates the Failure Records.

Conditions for Clearing the MIL/DTC

    • The control module turns OFF the malfunction indicator lamp (MIL) after 3 consecutive ignition cycles that the diagnostic runs and does not fail.
    • A current DTC, Last Test Failed, clears when the diagnostic runs and passes.
    • A history DTC clears after 40 consecutive warm-up cycles, if no failures are reported by this or any other emission related diagnostic.
    • Clear the MIL and the DTC with a scan tool.

Step

Action

Yes

No

Schematic Reference: Engine Controls Schematics

Connector End View Reference: Powertrain Control Module Connector End Views or Engine Controls Connector End Views

1

Did you perform the Diagnostic System Check - Engine Controls?

Go to Step 2

Go to Diagnostic System Check - Engine Controls

2

  1. Observe the Freeze Frame/Failure Records for this DTC.
  2. Turn off the ignition for 30 seconds.
  3. Start the engine.
  4. Operate the vehicle within the Conditions for Running the DTC. You may also operate the vehicle within the conditions that you observed from the Freeze Frame/Failure Records.

Did the DTC fail this ignition?

Go to Step 3

Go to Intermittent Conditions

3

  1. Turn OFF the ignition.
  2. Disconnect the ignition coil/module of the affected cylinder.
  3. Probe the affected ignition control (IC) circuit in the harness connector with a test lamp that is connected to battery voltage.

Does the test lamp illuminate?

Go to Step 8

Go to Step 4

4

  1. Turn ON the ignition, with the engine OFF.
  2. Probe the affected IC circuit at the harness connector with a test lamp that is connected to a good ground.

Does the test lamp illuminate?

Go to Step 7

Go to Step 5

5

Probe the affected low reference circuit at the harness connector with a test lamp that is connected to battery voltage.

Does the test lamp illuminate?

Go to Step 6

Go to Step 9

6

  1. Turn OFF the ignition.
  2. Exchange the ignition coil/module of the affected cylinder with the ignition coil/module of a good cylinder.
  3. Start the engine.
  4. Observe the Misfire History counter parameters with a scan tool.

Does the cylinder misfire transfer with the suspected ignition coil/module?

Go to Step 12

Go to Step 10

7

Test the IC circuit of the ignition coil/module for a short to voltage. Refer to Circuit Testing and Wiring Repairs in Wiring Systems.

Did you find and correct the condition?

Go to Step 16

Go to Step 13

8

Test the IC circuit of the ignition coil/module for a short to ground. Refer to Circuit Testing and Wiring Repairs in Wiring Systems.

Did you find and correct the condition?

Go to Step 16

Go to Step 13

9

Test the low reference circuit of the ignition coil/module for an open. Refer to Circuit Testing and Wiring Repairs in Wiring Systems.

Did you find and correct the condition?

Go to Step 16

Go to Step 13

10

Test the IC circuit of the ignition coil/module for an open or high resistance. Refer to Circuit Testing and Wiring Repairs in Wiring Systems.

Did you find and correct the condition?

Go to Step 16

Go to Step 11

11

Test the low reference circuit of the ignition coil/module for high resistance. Refer to Circuit Testing and Wiring Repairs in Wiring Systems.

Did you find and correct the condition?

Go to Step 16

Go to Step 13

12

Test for an intermittent and for a poor connection at the ignition coil/module. Refer to Testing for Intermittent Conditions and Poor Connections and Connector Repairs in Wiring Systems.

Did you find and correct the condition?

Go to Step 16

Go to Step 14

13

Test for an intermittent and for a poor connection at the powertrain control module (PCM). Refer to Testing for Intermittent Conditions and Poor Connections and Connector Repairs in Wiring Systems.

Did you find and correct the condition?

Go to Step 16

Go to Step 15

14

Replace the ignition coil/module. Refer to Ignition Coil Replacement .

Did you complete the replacement?

Go to Step 16

--

15

Replace the PCM. Refer to Powertrain Control Module Replacement .

Did you complete the replacement?

Go to Step 16

--

16

  1. Clear the DTCs with a scan tool.
  2. Turn OFF the ignition for 30 seconds.
  3. Start the engine.
  4. Operate the vehicle within the Conditions for Running the DTC. You may also operate the vehicle within the conditions that you observed from the Freeze Frame/Failure Records.

Did the DTC fail this ignition?

Go to Step 2

Go to Step 17

17

Observe the Capture Info with a scan tool.

Are there any DTCs that have not been diagnosed?

Go to Diagnostic Trouble Code (DTC) List

System OK