GM Service Manual Online
For 1990-2009 cars only

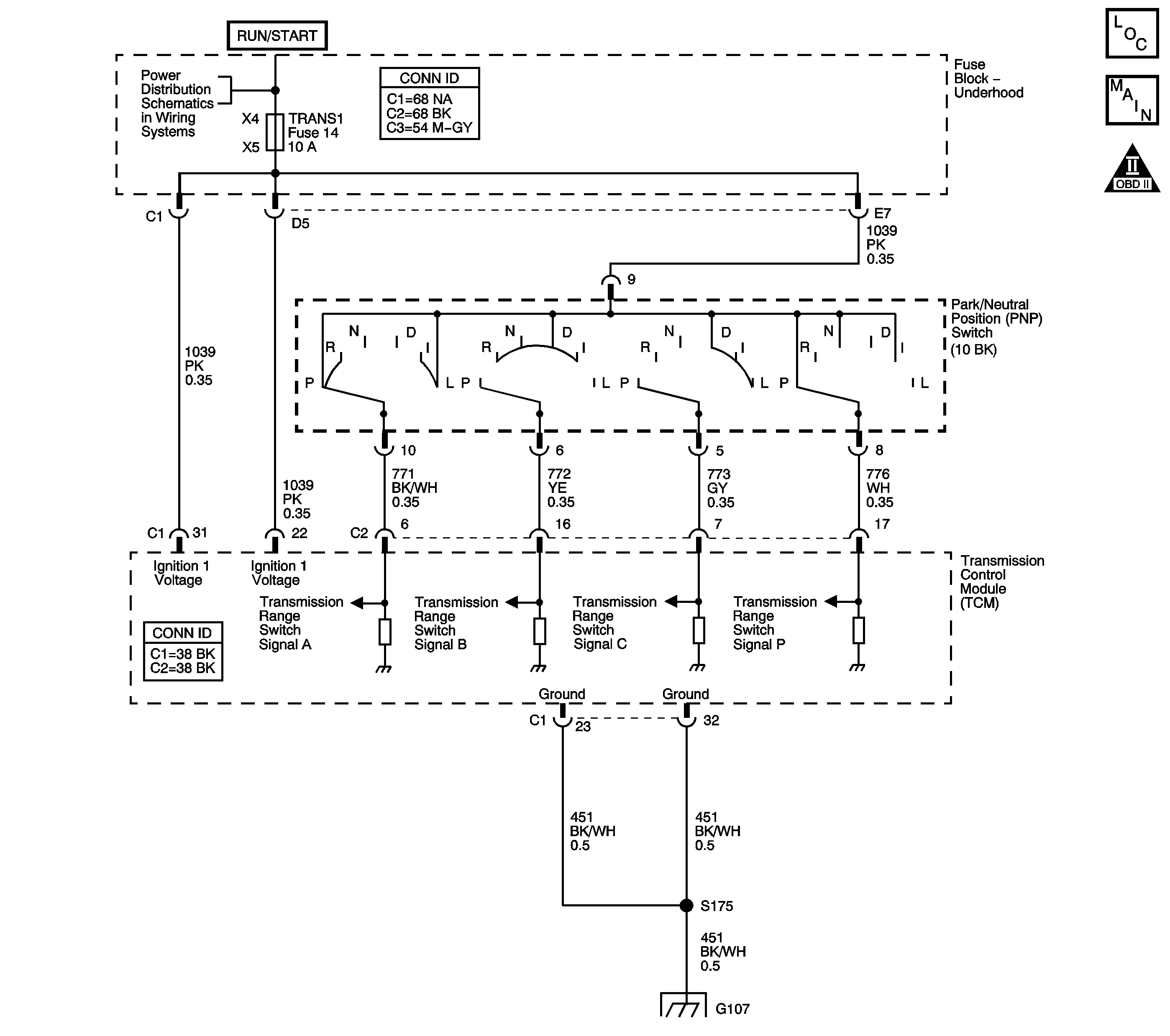
Object Number: 1340812  Size: LF
Master Electrical Component List
Automatic Transmission Controls Schematics
OBD II Symbol Description Notice

Circuit Description

The transmission range (TR) switch is part of the park/neutral position and back-up lamp switch assembly and is mounted on the transmission manual shaft. The TR switch is a multi-signal switch. The TRANS1 fuse supplies ignition voltage to the TR switch. Each gear selector lever position powers one or more of the signal circuits in a unique pattern. In order to determine the gear range selected by the driver, the transmission control module (TCM) compares the voltage combination on the signal circuits to a TR switch combination table stored in memory. Refer to Transmission Range Switch Logic .

When the TCM detects an invalid combination of TR switch signals, then DTC P0705 sets. DTC P0705 is a type A DTC.

Conditions for Running the DTC

    • The system voltage is 8-18 volts.
    • The engine is running.

Conditions for Setting the DTC

The combination of TR switch signals is invalid for 5 seconds. Refer to Transmission Range Switch Logic .

Action Taken When the DTC Sets

    • The TCM turns the Trans. Protection Mode ON. When the Trans. Protection Mode is ON, the following conditions occur:
       - The transmission will operate in 5th gear when the transmission is shifted into D or I range and 2nd gear when shifted into L range.
       - The line pressure is at maximum.
       - The torque converter clutch (TCC) is disabled.
       - The TCM freezes the transmission adaptive functions.
    • The TCM requests the engine control module (ECM) to illuminate the malfunction indicator lamp (MIL).
    • The TCM records the operating conditions when the Conditions for Setting the DTC are met. The TCM stores this information as Failure Records.
    • The TCM stores DTC P0705 in TCM history.

Conditions for Clearing the MIL/DTC

    • The ECM turns off the MIL after the third consecutive drive trip in which the TCM does not send a MIL illumination request.
    • A scan tool can clear the MIL/DTC.
    • The TCM clears the DTC from TCM history if the vehicle completes 40 warm-up cycles without an emission-related diagnostic fault occurring.
    • The TCM cancels the DTC default actions when the ignition switch is OFF long enough in order to power down the TCM.

Test Description

The numbers below refer to the step numbers on the diagnostic table.

  1. By disconnecting the TR switch, the ground path for all TR switch circuits would be removed and the TCM should recognize all circuits as open. The scan tool should display HI for all range signals.

  2. This step tests the TR switch wiring for an open or lack of signal voltage from the TCM.

  3. This step tests the TR switch wiring and the TCM by providing a ground path through a fused jumper wire. When grounded, the scan tool range signal A should change to LOW.

  4. This step tests the TR switch wiring and the TCM by providing a ground path through a fused jumper wire. When grounded, the scan tool range signal B should change to LOW.

  5. This step tests the TR switch wiring and the TCM by providing a ground path through a fused jumper wire. When grounded, the scan tool range signal C should change to LOW.

Step

Action

Values

Yes

No

1

Did you perform the Diagnostic System Check - Engine Controls?

--

Go to Step 2

Go to Diagnostic System Check - Engine Controls in Engine Controls - 2.2L (L61)

2

  1. Install a scan tool.
  2. Turn ON the ignition, with the engine OFF.
  3. Important: Before clearing the DTC, use the scan tool in order to record the Freeze Frame and Failure Records. Using the Clear Eng./Trans. DTC Info function erases the Freeze Frame and Failure Records from the TCM.

  4. Record the DTC Freeze Frame and Failure Records.
  5. Clear the DTC.
  6. Select TR Sw. on the scan tool.
  7. With a scan tool, observe the TR Sw. display while selecting each transmission range: P, R, N, D, I, and L.

Does each selected transmission range match the scan tool TR Sw. display?

--

Go to Intermittent Conditions in Engine Controls - 2.2L (L61)

Go to Step 3

3

  1. Inspect the prk/neutral position (PNP) switch assembly for the following:
  2. • Damage
    • Loose or missing mounting hardware
    • Proper adjustment
  3. Inspect the shift cable for the following:
  4. • Damaged or stretched cable
    • Proper adjustment
    • Refer to Shift Cable Replacement .

Did you find and correct a condition?

--

Go to Step 16

Go to Step 4

4

With the scan tool, observe the TR Sw. A/B/C/P display.

Does the scan tool TR Sw. A/B/C/P parameter indicate LOW for all range signal states?

--

Go to Step 13

Go to Step 5

5

  1. Turn OFF the ignition.
  2. Disconnect the TR switch 10-way connector.
  3. Turn ON the ignition, with the engine OFF.

Does the scan tool TR Sw. A/B/C/P parameter indicate LOW for all range signal states?

--

Go to Step 6

Go to Step 10

6

Using the DMM and the J-35616 connector test adapter kit, measure the voltage from all the transmission range switch signal circuits of the TR switch 10-way connector to the battery positive terminal.

Does the voltage measure within the specified value at all four circuits?

10-12 V

Go to Step 7

Go to Step 11

7

Connect a fused jumper wire from the TR switch 10-way connector, signal A circuit, to the battery positive terminal while monitoring the scan tool TR Sw. A/B/C/P parameter.

When the signal A circuit is jumpered to voltage, do any other signal circuits indicate HI?

--

Go to Step 12

Go to Step 8

8

Connect a fused jumper wire from the TR switch 10-way connector, signal B circuit, to the battery positive terminal while monitoring the scan tool TR Sw. A/B/C/P parameter.

When the signal B circuit is jumpered to voltage, do any other signal circuits indicate HI?

--

Go to Step 12

Go to Step 9

9

Connect a fused jumper wire from the TR switch 10-way connector, signal C circuit, to the battery positive terminal while monitoring the scan tool TR Sw. A/B/C/P parameter.

When the signal C circuit is jumpered to voltage, do any other signal circuits indicate HI?

--

Go to Step 12

Go to Step 14

10

Test the signal circuits of the TR switch that did not indicate LOW for a short to voltage.

Refer to Testing for a Short to Voltage and Wiring Repairs in Wiring Systems.

Did you find and correct the condition?

--

Go to Step 16

Go to Step 15

11

Test the signal circuits of the TR switch that did not indicate proper voltage for an open.

Refer to Testing for Continuity and Wiring Repairs in Wiring Systems.

Did you find and correct the condition?

--

Go to Step 16

Go to Step 15

12

Test the affected signal circuits of the TR switch for a shorted together condition.

Refer to Circuit Testing and Wiring Repairs in Wiring Systems.

Did you find and correct the condition?

--

Go to Step 16

Go to Step 15

13

Test the ignition 1 voltage circuit of the TR switch for an open, high resistance or short to ground.

Refer to Testing for Continuity and Wiring Repairs in Wiring Systems.

Did you find and correct the condition?

--

Go to Step 16

Go to Step 14

14

Replace the TR switch. The TR switch is part of the park/neutral position switch.

Refer to Park/Neutral Position Switch Replacement .

Did you complete the replacement?

--

Go to Step 16

--

15

Replace the TCM.

Refer to Transmission Control Module Replacement .

Did you complete the replacement?

--

Go to Step 16

--

16

Perform the following procedure in order to verify the repair:

  1. Select DTC.
  2. Select Clear Info.
  3. Road test the vehicle.
  4. Select Specific DTC.
  5. Enter DTC P0705.

Has the test run and passed?

--

Go to Step 17

Go to Step 2

17

With the scan tool, observe the stored information, capture info and DTC info.

Does the scan tool display any DTCs that you have not diagnosed?

--

Go to Diagnostic Trouble Code (DTC) List in Engine Controls - 2.2L (L61)

System OK