GM Service Manual Online
For 1990-2009 cars only
Figure 1:

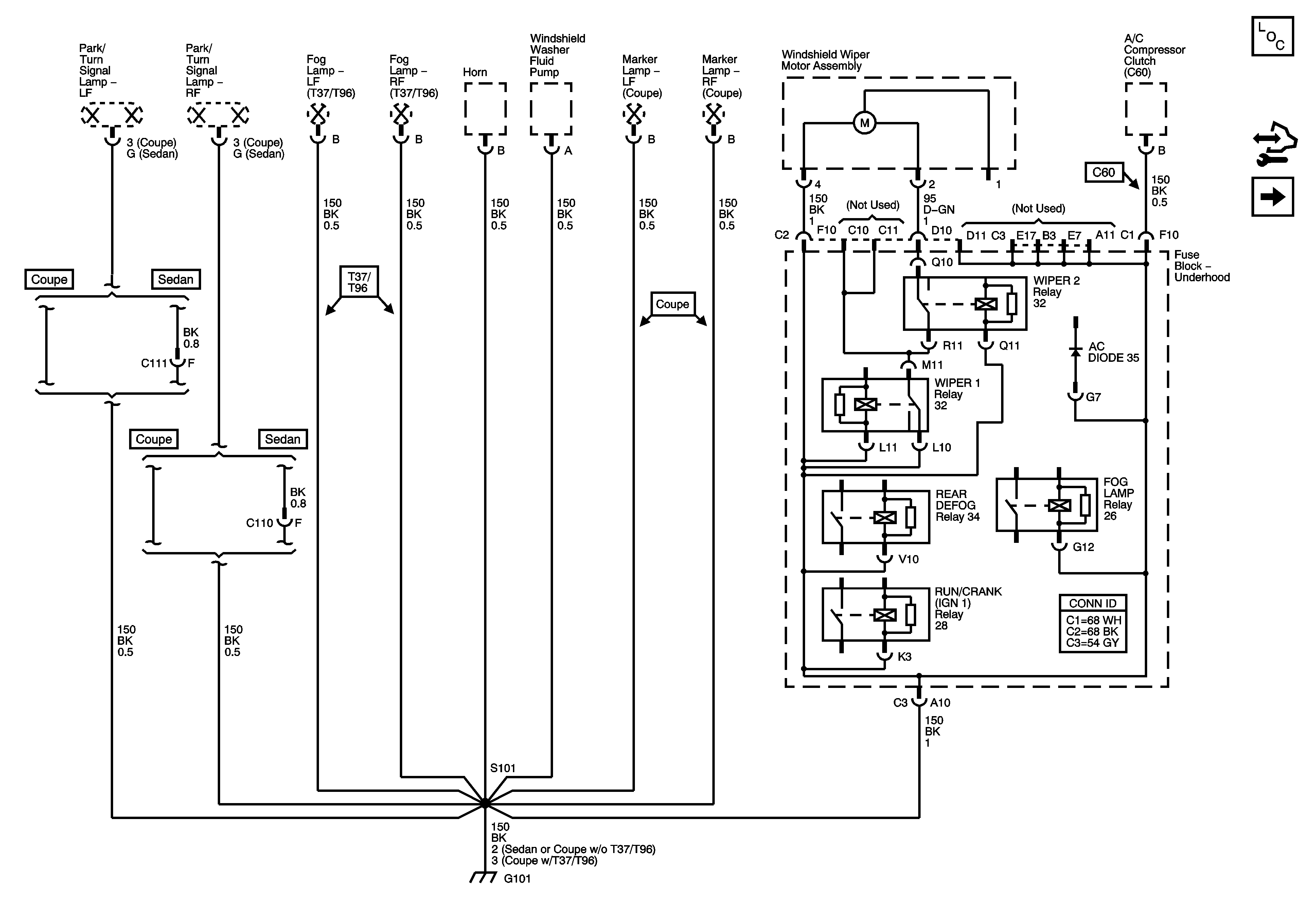
G101


Object Number: 1459000  Size: FS
Master Electrical Component List
Control Module References
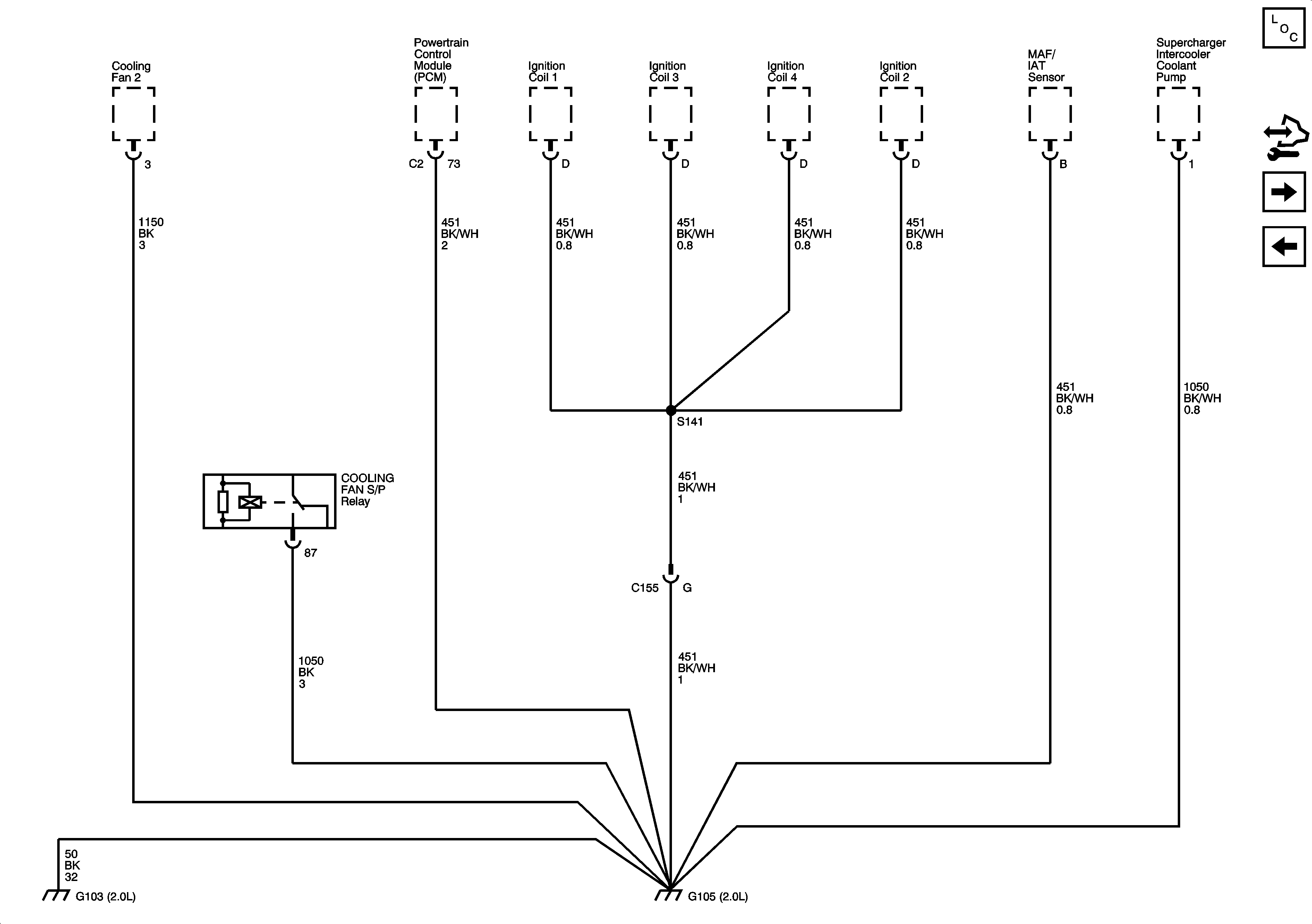
G103 and G105 - 2.0L
Figure 2:

G103 and G105 - 2.0L


Object Number: 1470583  Size: FS
Master Electrical Component List
Control Module References
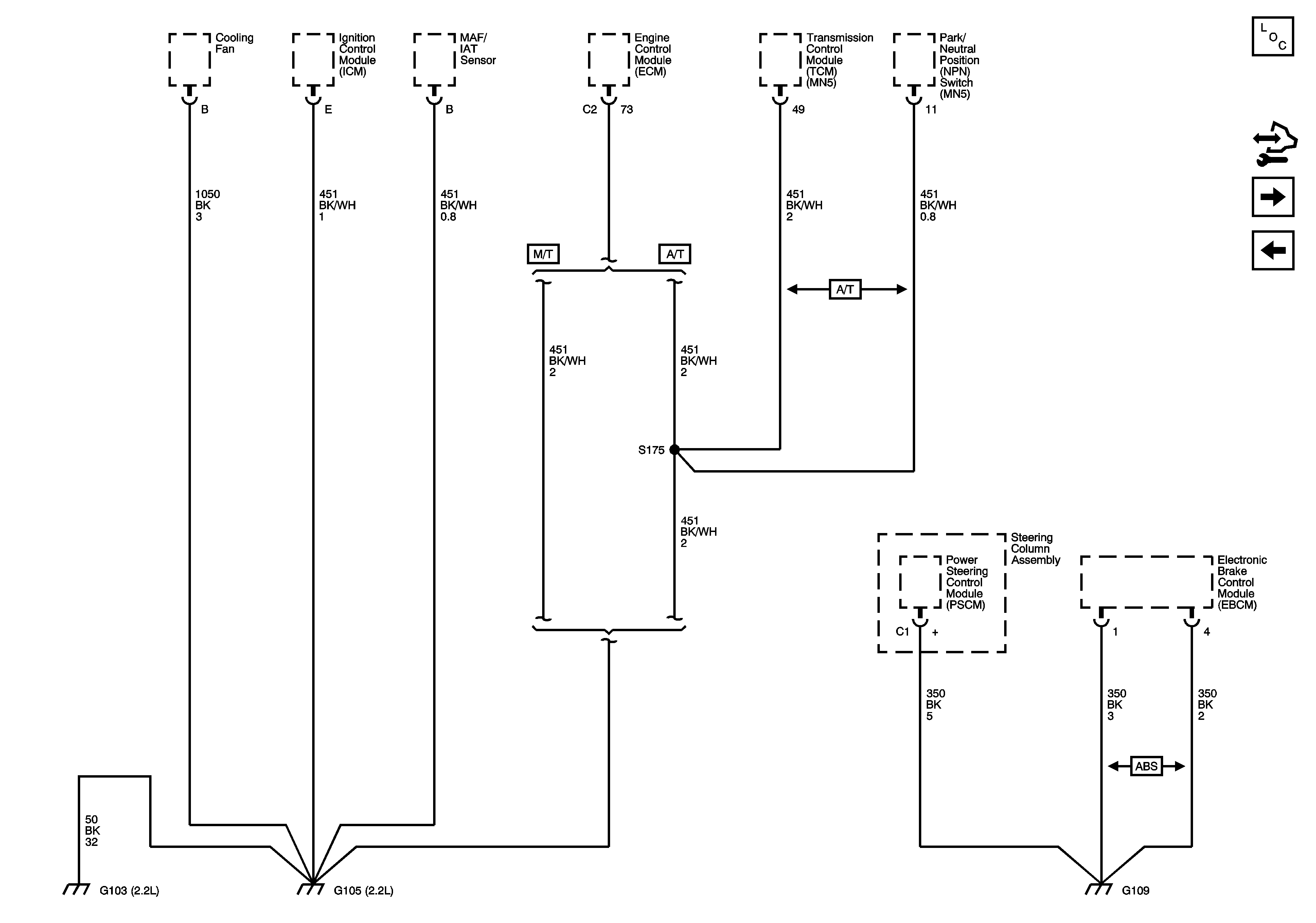
G103 (2.2L), G105 (2.2L), G109
G101
Figure 3:

G103 (2.2L), G105 (2.2L), and G109


Object Number: 1424699  Size: FS
Master Electrical Component List
Control Module References
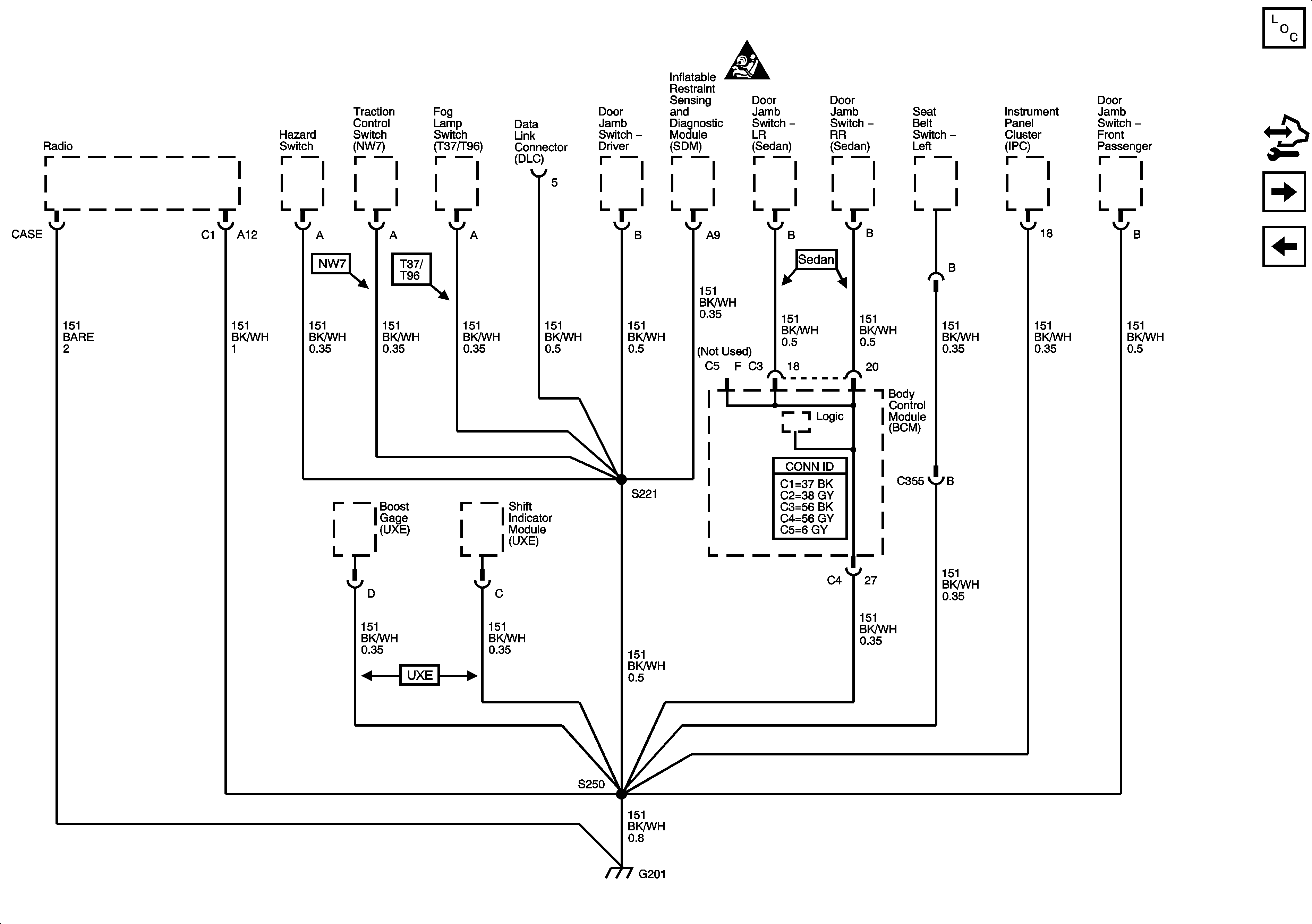
G201
G103 and G105 - 2.0L
Figure 4:

G201


Object Number: 1430675  Size: FS
Master Electrical Component List
Control Module References
G203
G103 (2.2L), G105 (2.2L), G109
SIR Caution for Zoning
Figure 5:

G203


Object Number: 1430677  Size: FS
Master Electrical Component List
Control Module References
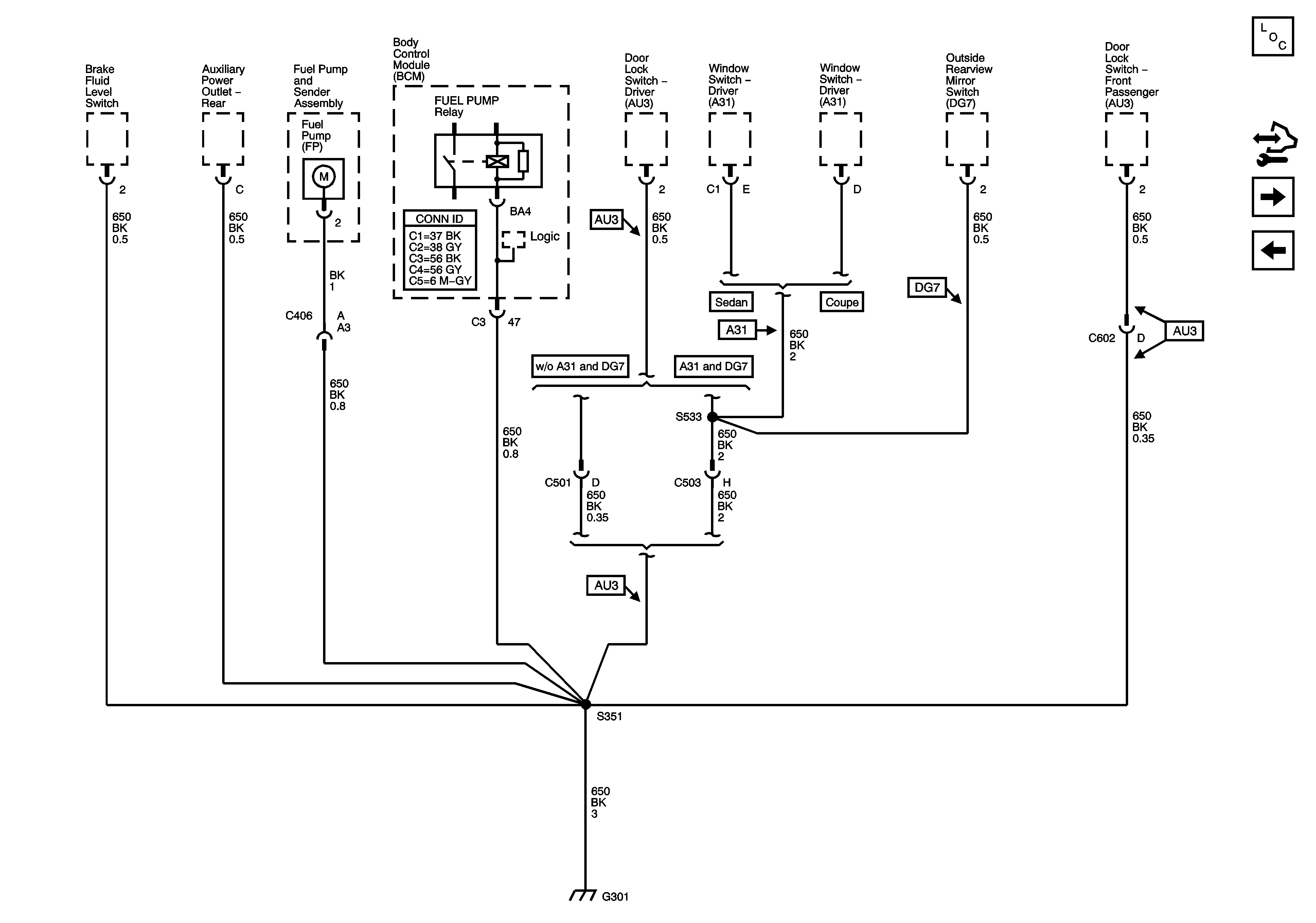
G301
G201
SIR Caution for Zoning
Figure 6:

G301


Object Number: 1455330  Size: FS
Master Electrical Component List
Control Module References
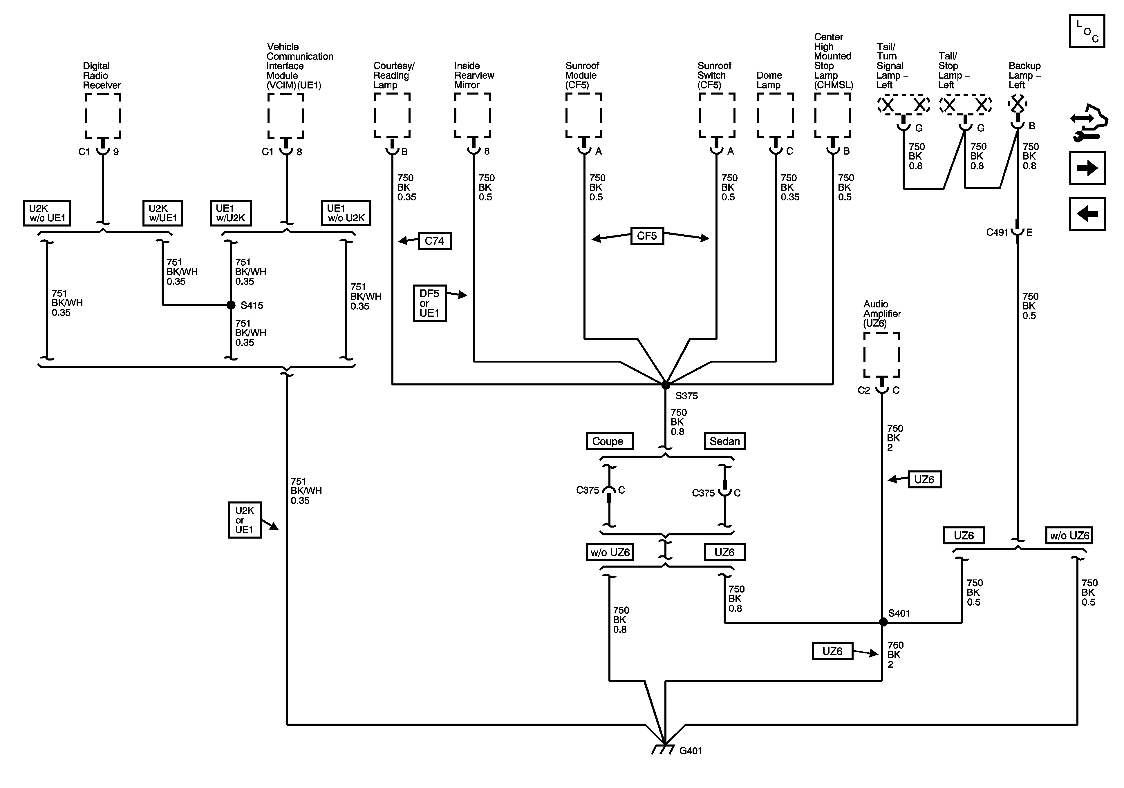
G401
G203
Figure 7:

G401


Object Number: 1470855  Size: FS
Master Electrical Component List
Control Module References
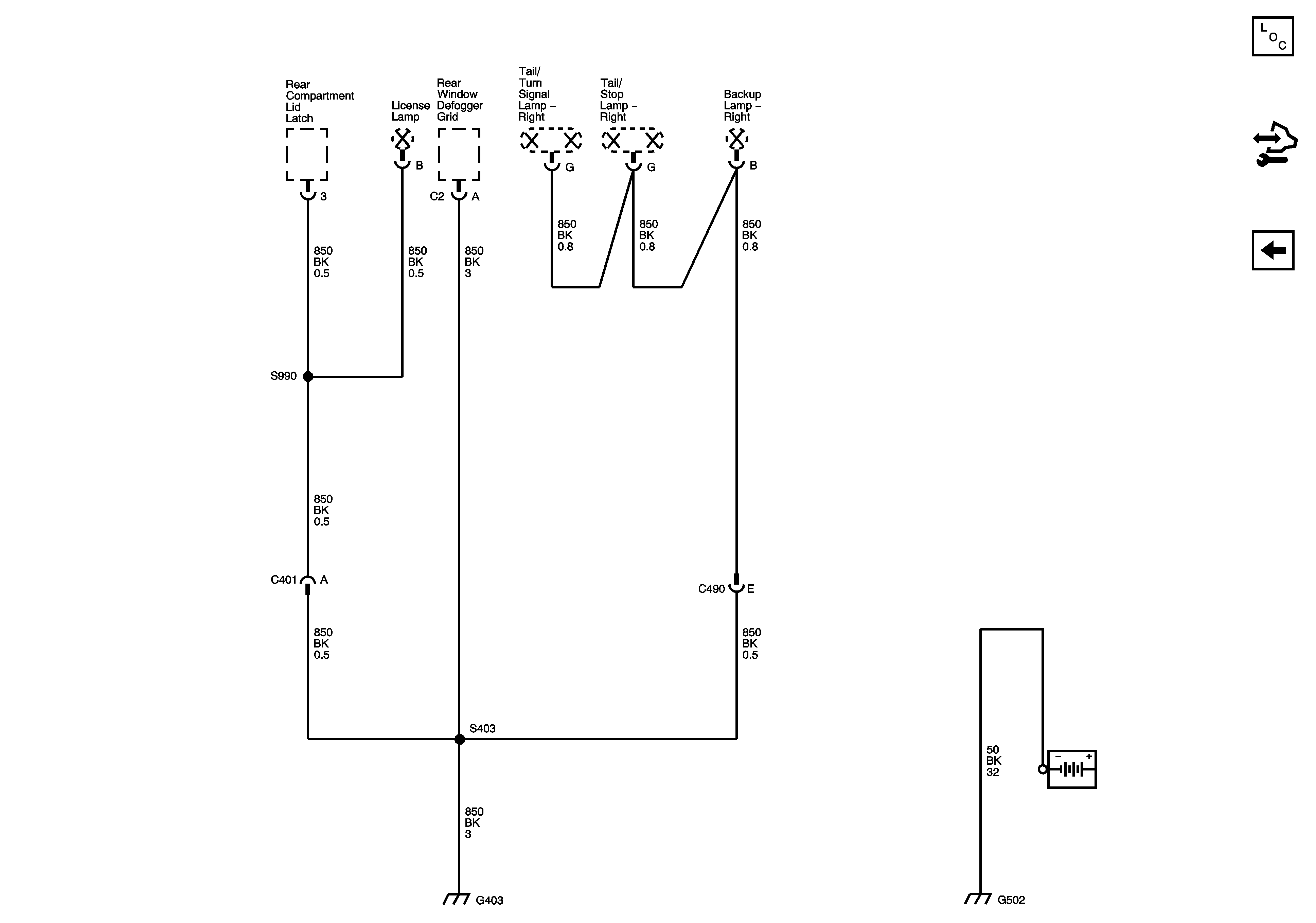
G403 and G502
G301
Figure 8:

G403 and G502


Object Number: 1453754  Size: FS
Master Electrical Component List
Control Module References
G401