GM Service Manual Online
For 1990-2009 cars only
Makes
🢒
Saturn
🢒
2005
🢒
ION
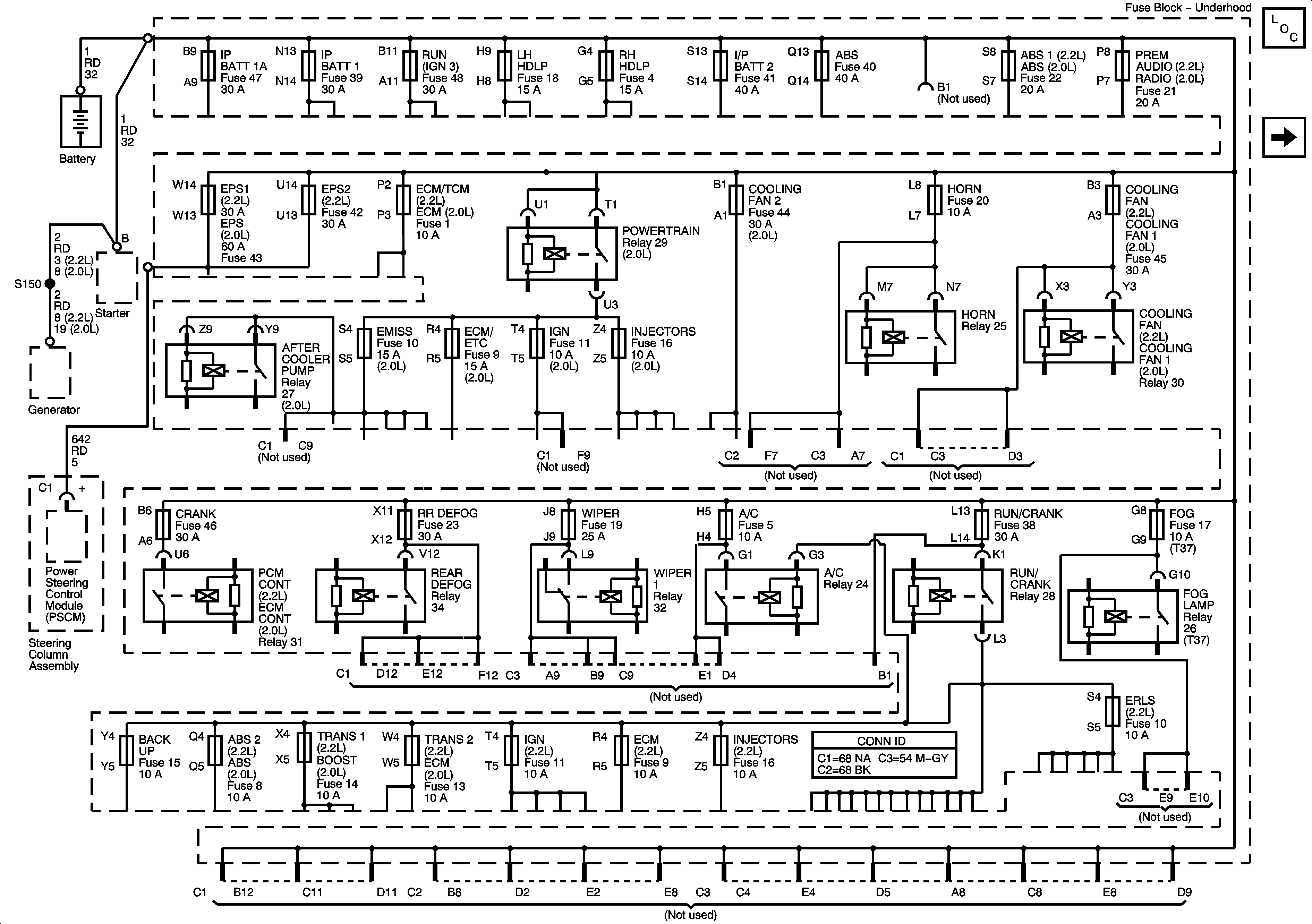
🢒 Fuse Block - Underhood BUS
Fuse Block - Underhood BUS
Fuse Block-Underhood Bus
Master Electrical Component List
Ignition Switch