GM Service Manual Online
For 1990-2009 cars only
Makes
🢒
Saturn
🢒
2005
🢒
ION
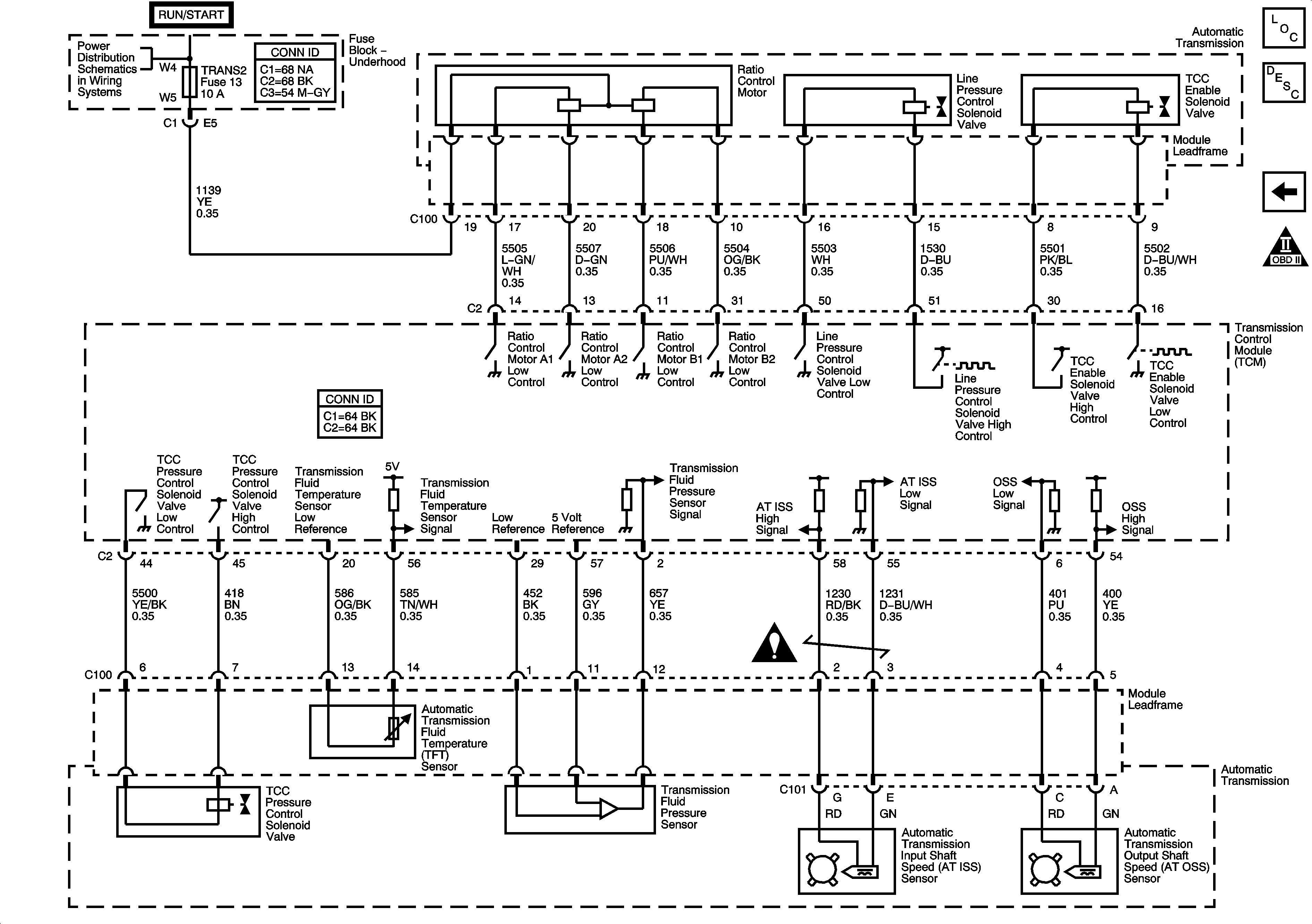
🢒 Ratio Control, Sensors, and Solenoids
Ratio Control, Sensors, and Solenoids
Ratio Control, Sensors, and Solenoids
Master Electrical Component List
Transmission Component and System Description
Module Power, Ground, DLC, PNP Switch Signals, and Message Center Controls
OBD II Symbol Description Notice
Fuse Block - Underhood Fuses: Backup, TRANS1, TRANS2
Automatic Transmission Schematic Icons