GM Service Manual Online
For 1990-2009 cars only
Makes
🢒
Saturn
🢒
2005
🢒
ION
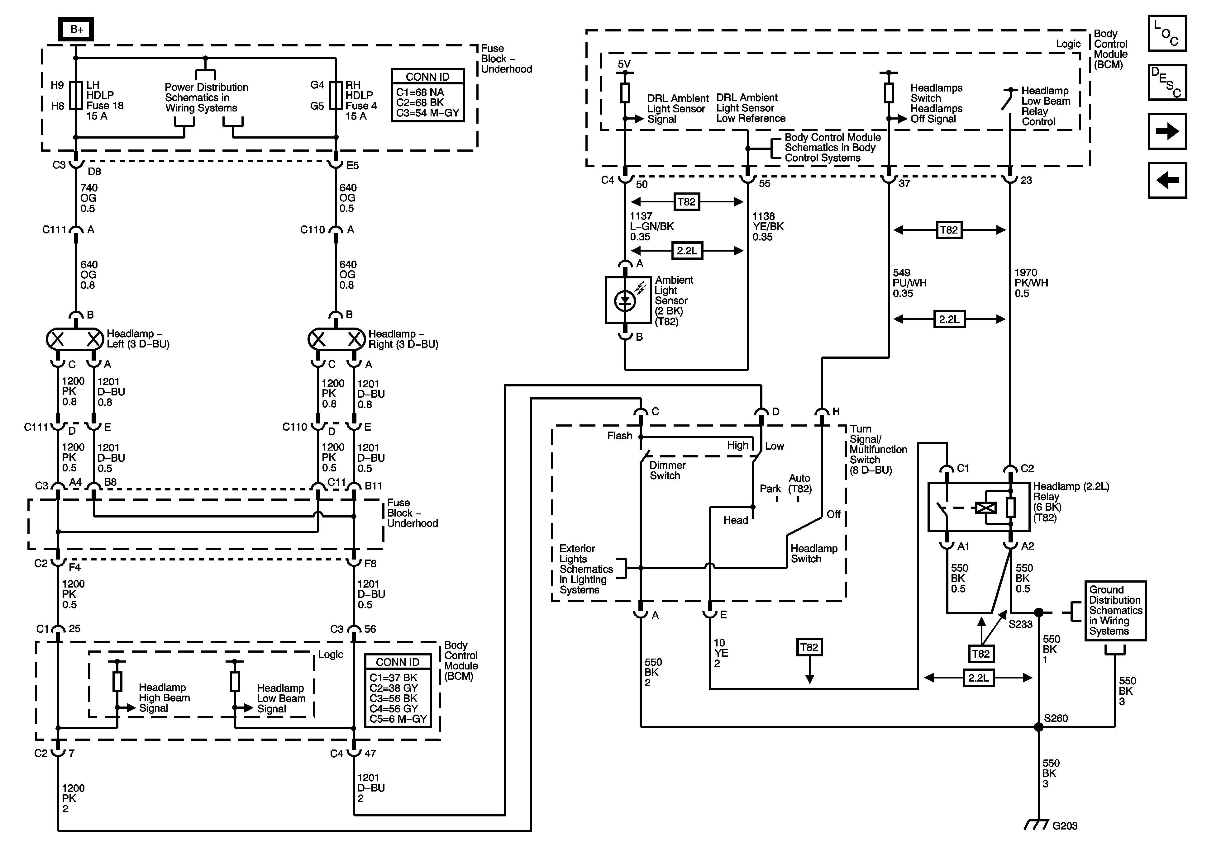
🢒 Headlights Schematics - Sedan
Headlights Schematics - Sedan
Headlamps - Sedan
Master Electrical Component List
Exterior Lighting Systems Description and Operation
Daytime Running Lights
Headlights Schematics - Coupe
Fuse Block - Underhood Fuses: ABS, ABS1, ABS2, ECM, ECM/TCM, IGN, LH HDLP, Prem Audio, RH HDLP, Run/Crank
Subsystem Reference to Entertainment and Lighting
Parking Lamps - Early Production
G203
G203