GM Service Manual Online
For 1990-2009 cars only
Makes
🢒
Saturn
🢒
2005
🢒
ION
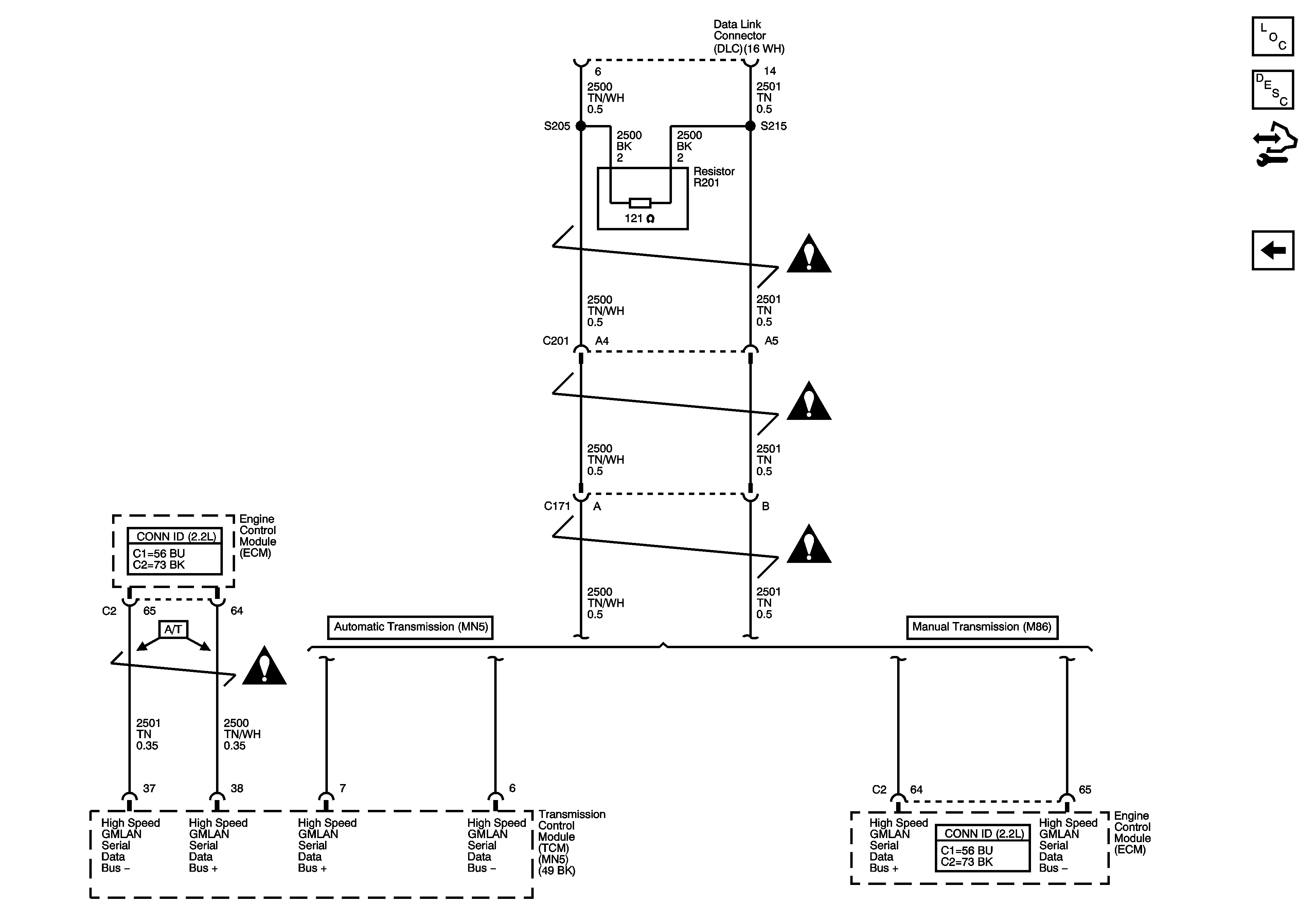
🢒 High Speed GM LAN - 2.2L
High Speed GM LAN - 2.2L
High Speed GM LAN - 2.2L
Master Electrical Component List
Data Link Communications Description and Operation
Control Module References
DLC Power, Ground, Class 2, and Low Speed GM LAN
Computer/Integrating Systems Schematic Icons
Computer/Integrating Systems Schematic Icons
Computer/Integrating Systems Schematic Icons
Computer/Integrating Systems Schematic Icons