GM Service Manual Online
For 1990-2009 cars only
Makes
🢒
Saturn
🢒
2005
🢒
ION
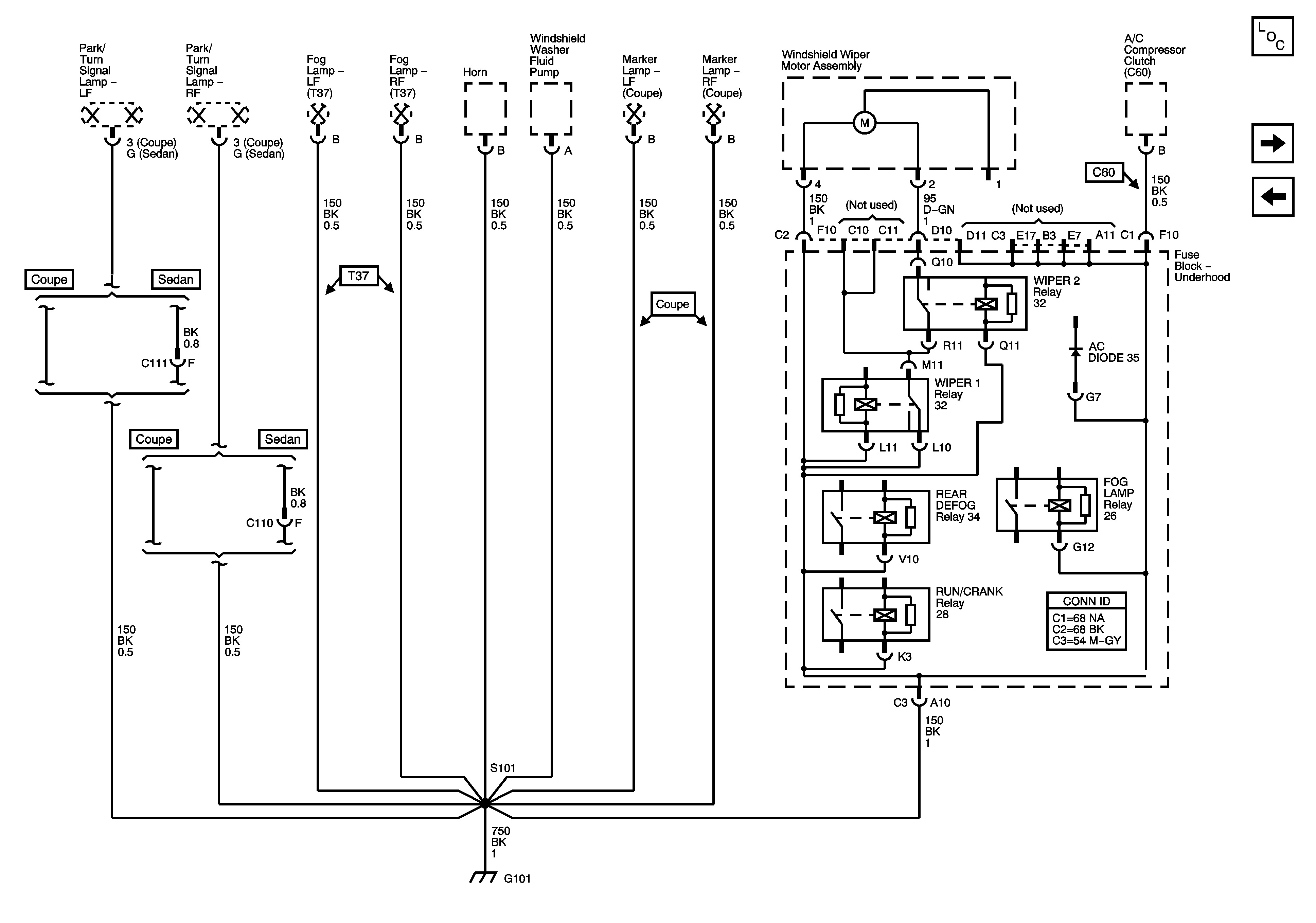
🢒 G101 - Late Production
G101 - Late Production
G101 - Late Production
Master Electrical Component List
G103(2.0L), G105(2.0L)
G101 - Early Production