GM Service Manual Online
For 1990-2009 cars only
Makes
🢒
Saturn
🢒
2005
🢒
ION
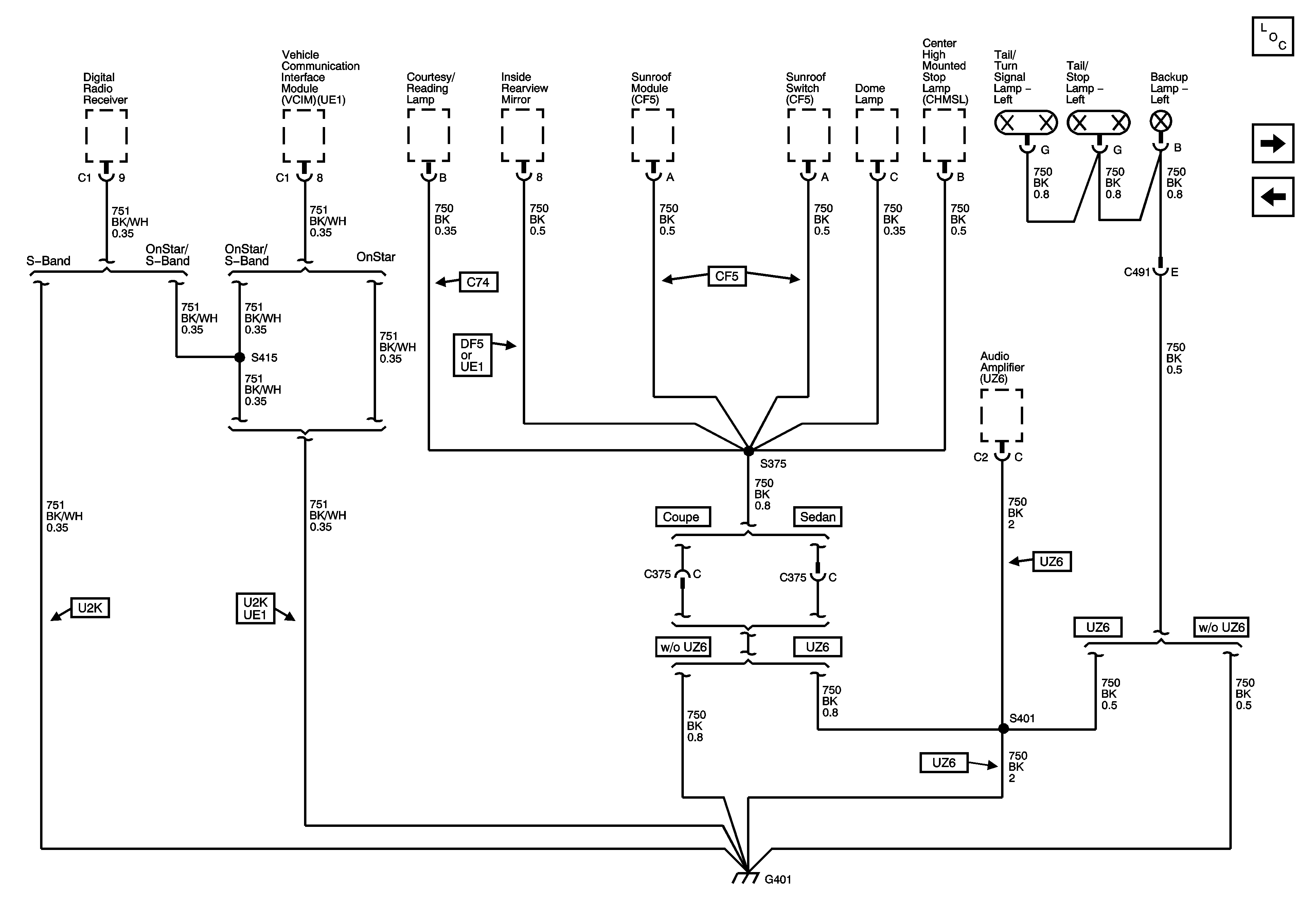
🢒 G401 - Late Production
G401 - Late Production
G401 - Late Production
Master Electrical Component List
G403 and G502
G401 - Early Production