GM Service Manual Online
For 1990-2009 cars only

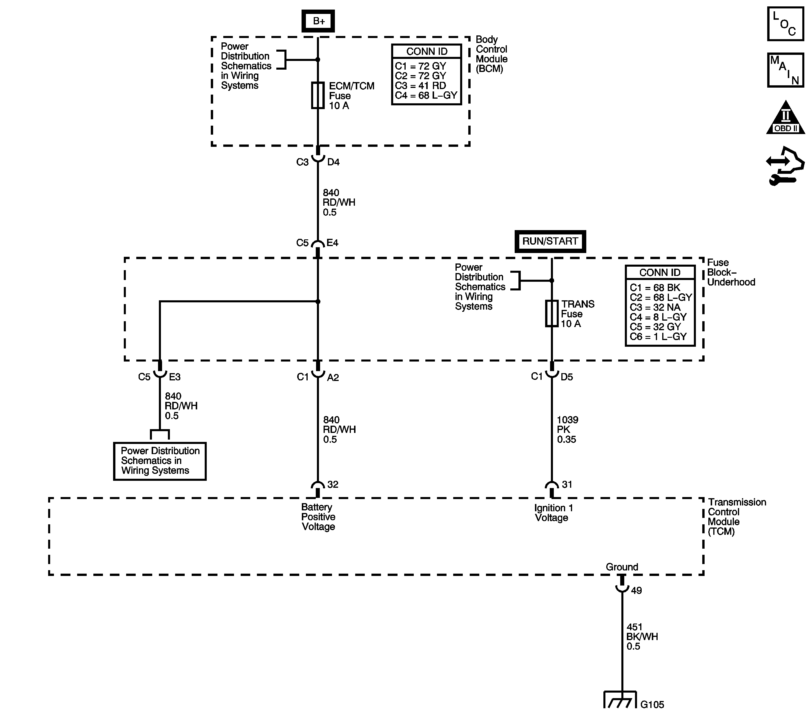
Object Number: 1888192  Size: LF
Master Electrical Component List
Automatic Transmission Controls Schematics
OBD II Symbol Description Notice
Control Module References

Circuit Description

The transmission control module (TCM) samples the system voltage on the Ignition 1 voltage circuit every 0.1 seconds. Lower than normal voltage may be inadequate to operate the transmission control solenoids properly. Improper solenoid operation may cause erratic transmission operation, which may result in internal damage.

If the TCM detects low voltage on the Ignition 1 voltage circuit, DTC P2534 sets. DTC P2534 is a type A DTC.

DTC Descriptor

This diagnostic procedure supports the following DTC:

DTC P2534 Ignition 1 Switch Circuit Low Voltage

Conditions for Running the DTC

The engine is running.

Conditions for Setting the DTC

The TCM detects a open or short to ground on the Ignition 1 voltage circuit.

Action Taken When the DTC Sets

    • The TCM requests the ECM to illuminate the malfunction indicator lamp (MIL).
    • The TCM commands maximum line pressure.
    • The TCM commands an immediate landing to 2nd gear.
    • The TCM freezes transmission adaptive functions.
    • The TCM records the operating conditions when the Conditions for Setting the DTC are met. The TCM stores this information as a Failure Record.
    • The ECM records the operating conditions when the Conditions for Setting the DTC are met. The ECM stores this information as a Freeze Frame.

Conditions for Clearing the DTC

    • The TCM turns OFF the MIL after the third consecutive trip in which the diagnostic test runs and passes.
    • A scan tool can clear the DTC.
    • The TCM clears the DTC from TCM history if the vehicle completes 40 warm-up cycles without an emission related diagnostic fault occurring.
    • The TCM cancels the DTC default actions when the ignition is OFF long enough in order to power down the TCM.

Step

Action

Yes

No

1

Did you perform the Diagnostic System Check - Vehicle?

Go to Step 2

Go to Diagnostic System Check - Vehicle in Vehicle DTC Information

2

  1. Install a scan tool.
  2. Turn ON the ignition with the engine OFF.
  3. Important: Before clearing the DTC, use the scan tool in order to record the Freeze Frame and Failure Records. Using the Clear Info function erases the Freeze Frame and Failure Records from the TCM.

  4. Record the DTC Freeze Frame and Failure Records.
  5. Clear the DTC.

Did DTC P2534 reset?

Go to Step 3

Go to Testing for Intermittent Conditions and Poor Connections in Wiring Systems

3

  1. Remove the TRANS fuse.
  2. Inspect the fuse for an open. Refer to Circuit Protection - Fuses in Wiring Systems.

Did you find the condition?

Go to Step 4

Go to Step 5

4

Test the ignition 1 voltage circuit of the TCM for a short to ground between the underhood fuse block and the TCM. Refer to Testing for Short to Ground and Wiring Repairs in Wiring Systems.

Did you find and correct the condition?

Go to Step 7

--

5

Test the ignition 1 voltage circuit of the TCM for an open between the underhood fuse block and the TCM. Refer to Testing for Continuity and Wiring Repairs in Wiring Systems.

Did you find and correct the condition?

Go to Step 7

Go to Step 6

6

Replace the TCM.

Refer to Control Module References in Computer/Integrating Systems for replacement, setup, and programming.

Did you complete the replacement?

Go to Step 7

--

7

Perform the following procedures in order to verify the repair:

  1. Select DTC.
  2. Select Clear Info.
  3. Start the vehicle.
  4. Select Specific DTC.
  5. Enter DTC P2534.

Has the test run and passed?

Go to Step 8

Go to Step 2

8

With the scan tool, observe the stored information, capture info, and DTC info.

Does the scan tool display any DTCs that you have not diagnosed?

Go to Diagnostic Trouble Code (DTC) List - Vehicle in Vehicle DTC Information

System OK