GM Service Manual Online
For 1990-2009 cars only

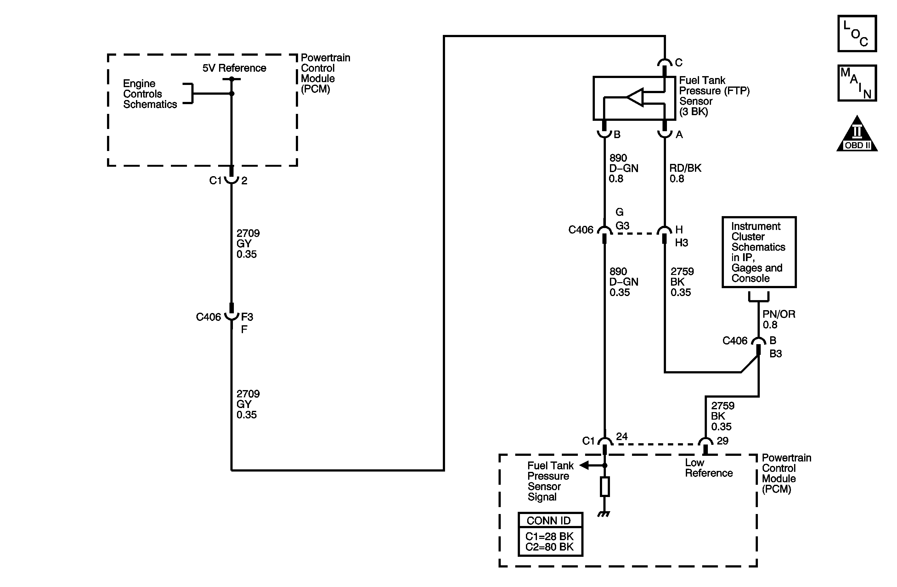
Object Number: 1397294  Size: MF

Circuit Description

The fuel tank pressure (FTP) sensor measures the difference between the air pressure or vacuum in the evaporative emission (EVAP) system, and the outside air pressure. The control module supplies a 5-volt reference and a low reference circuit to the FTP sensor. The FTP sensor signal circuit voltage varies depending on EVAP system pressure or vacuum. If the FTP sensor signal voltage goes below a calibrated value, this DTC sets.

The following table illustrates the relationship between the FTP sensor signal voltage and the EVAP system pressure/vacuum.

FTP Sensor Signal Voltage

Fuel Tank Pressure

High, Approximately 1.5 Volts or More

Negative Pressure/Vacuum

Low, Approximately 1.5 Volts or Less

Positive Pressure

DTC Descriptor

This diagnostic supports the following DTC:

DTC P0452 Fuel Tank Pressure (FTP) Sensor Circuit Low Voltage

Conditions for Running the DTC

    • The ignition is ON.
    • DTC P0452 runs continuously after a 1-second delay.

Conditions for Setting the DTC

    • The FTP voltage is less than 0.1 volt.
    • All conditions present for more than 5 seconds.

Action Taken When the DTC Sets

    • The control module illuminates the malfunction indicator lamp (MIL) on the second consecutive ignition cycle that the diagnostic runs and fails.
    • The control module records the operating conditions at the time the diagnostic fails. The first time the diagnostic fails, the control module stores this information in the Failure Records. If the diagnostic reports a failure on the second consecutive ignition cycle, the control module records the operating conditions at the time of the failure. The control module writes the operating conditions to the Freeze Frame and updates the Failure Records.

Conditions for Clearing the MIL/DTC

    • The control module turns OFF the malfunction indicator lamp (MIL) after 3 consecutive ignition cycles that the diagnostic runs and does not fail.
    • A current DTC, Last Test Failed, clears when the diagnostic runs and passes.
    • A history DTC clears after 40 consecutive warm-up cycles, if no failures are reported by this or any other emission related diagnostic.
    • Clear the MIL and the DTC with a scan tool.

Test Description

The numbers below refer to the step numbers on the diagnostic table.

  1. This step verifies that the condition is present.

  2. This step tests the 5-volt reference of the FTP sensor.

  3. This step tests if another component is causing the 5-volt reference circuit condition.

  4. If the scan tool displays 5 volts, the FTP sensor signal circuit, the FTP sensor 5-volt reference circuit, and the control module are OK.

Step

Action

Values

Yes

No

Schematic Reference: Engine Controls Schematics

Connector End View Reference: Powertrain Control Module Connector End Views or Engine Controls Connector End Views

1

Did you perform the Diagnostic System Check - Vehicle?

--

Go to Step 2

Go to Diagnostic System Check - Vehicle

2

Is DTC P0641 also set?

--

Go to Diagnostic Trouble Code (DTC) List - Vehicle

Go to Step 3

3

Observe the Fuel Tank Pressure Sensor parameter with a scan tool.

Is the Fuel Tank Pressure Sensor parameter less than the specified value?

0.1 V

Go to Step 5

Go to Step 4

4

  1. Observe the Freeze Frame/Failure Records for this DTC.
  2. Turn OFF the ignition for 30 seconds.
  3. Turn ON the ignition, with the engine OFF.
  4. Operate the vehicle within the Conditions for Running the DTC. You may also operate the vehicle within the conditions that you observed from the Freeze Frame/Failure Records.

Did the DTC fail this ignition?

--

Go to Step 5

Go to Intermittent Conditions

5

  1. Turn ON the ignition, with the engine OFF.
  2. Disconnect the fuel tank pressure (FTP) sensor.
  3. Measure the voltage from the 5-volt reference circuit of the FTP sensor to a good ground with a DMM. Refer to Circuit Testing .

Is the voltage within the specified value?

4.8-5.2 V

Go to Step 7

Go to Step 6

6

Disconnect the following components while monitoring the DMM:

    • The camshaft position (CMP) sensor
    • The barometric pressure (BARO) sensor
    • The manifold absolute pressure (MAP) sensor
    • The supercharger inlet pressure (SCIP) sensor
    • The accelerator pedal position (APP) sensor
    • The throttle position (TP) sensor
    • The A/C pressure sensor

Is the DMM within the specified value when any of the components are disconnected?

4.8-5.2 V

Go to Step 12

Go to Step 8

7

  1. Connect a 3-amp fused jumper wire between the 5-volt reference circuit of the FTP sensor and the signal circuit of the FTP sensor.
  2. Observe the Fuel Tank Pressure Sensor parameter with a scan tool.

Is Fuel Tank Pressure Sensor parameter within the specified value?

4.8-5.2 V

Go to Step 10

Go to Step 9

8

Test the FTP 5-volt reference circuit for an open or for a short to ground. Refer to Circuit Testing and Wiring Repairs .

Did you find and correct the condition?

--

Go to Step 15

Go to Step 11

9

Test the FTP signal circuit for an open or for a short to ground. Refer to Circuit Testing and Wiring Repairs .

Did you find and correct the condition?

--

Go to Step 15

Go to Step 11

10

Test for an intermittent and for a poor connection at the FTP sensor. Refer to Testing for Intermittent Conditions and Poor Connections and Connector Repairs .

Did you find and correct the condition?

--

Go to Step 15

Go to Step 13

11

Test for an intermittent and for a poor connection at the control module. Refer to Testing for Intermittent Conditions and Poor Connections and Connector Repairs .

Did you find and correct the condition?

--

Go to Step 15

Go to Step 14

12

Replace the component that affected the 5-volt reference circuit. Refer to the following procedures:

    •  Manifold Absolute Pressure Sensor Replacement for SCIP and TMAP replacement

Did you complete the replacement?

--

Go to Step 15

--

13

Replace the FTP sensor. Refer to Fuel Tank Pressure Sensor Replacement .

Did you complete the replacement?

--

Go to Step 15

--

14

Replace the powertrain control module (PCM). Refer to Control Module References for replacement, setup, and programming.

Did you complete the replacement?

--

Go to Step 15

--

15

  1. Clear the DTCs with a scan tool.
  2. Turn OFF the ignition for 30 seconds.
  3. Start the engine.
  4. Operate the vehicle within the Conditions for Running the DTC. You may also operate the vehicle within the conditions that you observed from the Freeze Frame/Failure Records.

Did the DTC fail this ignition?

--

Go to Step 2

Go to Step 16

16

Observe the Capture Info with a scan tool.

Are there any DTCs that have not been diagnosed?

--

Go to Diagnostic Trouble Code (DTC) List - Vehicle

System OK