GM Service Manual Online
For 1990-2009 cars only

Object Number: 891255  Size: MF

System Description

The control module tests the evaporative emission (EVAP) system for a large leak. The control module monitors the fuel tank pressure (FTP) sensor signal to determine the EVAP system vacuum level. When the conditions for running are met, the control module commands the EVAP canister purge solenoid valve OPEN and the EVAP vent solenoid valve CLOSED . This allows engine vacuum to enter the EVAP system. At a calibrated time, or vacuum level, the control module commands the EVAP canister purge solenoid valve closed, sealing the system, and monitors the FTP sensor input in order to determine the EVAP system vacuum level. If the system is unable to achieve the calibrated vacuum level, or the vacuum level decreases too rapidly, this DTC sets.

The following table illustrates the relationship between the ON and OFF states, and the OPEN or CLOSED states of the EVAP canister purge and vent solenoid valves.

Control Module Command

EVAP Canister Purge Solenoid Valve

EVAP Canister Vent Solenoid Valve

ON

Open

Closed

OFF

Closed

Open

DTC Descriptor

This diagnostic procedure supports the following DTC:

DTC P0455 Evaporative Emission (EVAP) System Large Leak

Conditions for Running the DTC

    • DTCs P0106, P0107, P0108, P0112, P0113, P0117, P0118, P0122, P0123, P0125, P0452, P0453, P0502, P0601, P0602, P0606, P0641 are not set.
    • The engine is running.
    • The ignition voltage is between 11-18 volts.
    • The barometric pressure (BARO) is more than 74 kPa.
    • The fuel level is between 15-85 percent.
    • The engine coolant temperature (ECT) is between 5-32°C (41-90°F).
    • The intake air temperature (IAT) is between 5-32°C (41-90°F).
    • The start-up ECT and IAT are within 9°C (16°F) of each other.
    • No vehicle speed DTCs are set in the transmission control module (TCM).
    • The engine run time is less than or equal to 10 minutes.
    • Accumulated purge mass is more than 6 000 grams.
    • DTC P0455 runs once per cold start when the above conditions are met

Conditions For Setting the DTC

The EVAP system is not able to achieve or maintain vacuum for up to 4 minutes during the diagnostic test.

Action Taken When the DTC Sets

    • The control module illuminates the malfunction indicator lamp (MIL) on the second consecutive ignition cycle that the diagnostic runs and fails.
    • The control module records the operating conditions at the time the diagnostic fails. The first time the diagnostic fails, the control module stores this information in the Failure Records. If the diagnostic reports a failure on the second consecutive ignition cycle, the control module records the operating conditions at the time of the failure. The control module writes the operating conditions to the Freeze Frame and updates the Failure Records.

Conditions for Clearing the MIL/DTC

    • The control module turns OFF the malfunction indicator lamp (MIL) after 3 consecutive ignition cycles that the diagnostic runs and does not fail.
    • A current DTC, Last Test Failed, clears when the diagnostic runs and passes.
    • A history DTC clears after 40 consecutive warm-up cycles, if no failures are reported by this or any other emission related diagnostic.
    • Clear the MIL and the DTC with a scan tool.

Diagnostic Aids

    • To help locate intermittent leaks, use the J 41413-200 (J 41413-100) Evaporative Emission System Tester (EEST) to introduce smoke into the EVAP system. Move all EVAP components while observing smoke with the High Intensity White Light.
    • Introducing smoke in 15 second intervals may allow smaller leaks to be more noticeable. When the system is less pressurized, the smoke will sometimes escape in a more condensed manner.
    • A temporary blockage in the EVAP canister purge solenoid valve, purge pipe, or EVAP canister could cause an intermittent condition. Inspect and repair any restriction in the EVAP system.
    • To improve the visibility of the smoke exiting the EVAP system, observe the suspected leak area from different angles with a High Intensity White Light.
    • An FTP sensor that does not correctly respond to vacuum, or pressure may cause this DTC to set.
    • Reviewing the Failure Records vehicle mileage since the diagnostic test last failed may help determine how often the condition that caused the DTC to be set occurs. This may assist in diagnosing the condition.
    • For intermittent conditions, refer to Intermittent Conditions .

Test Description

The number below refers to the step number on the diagnostic table.

  1. This test verifies that the FTP sensor is accurate.

Step

Action

Values

Yes

No

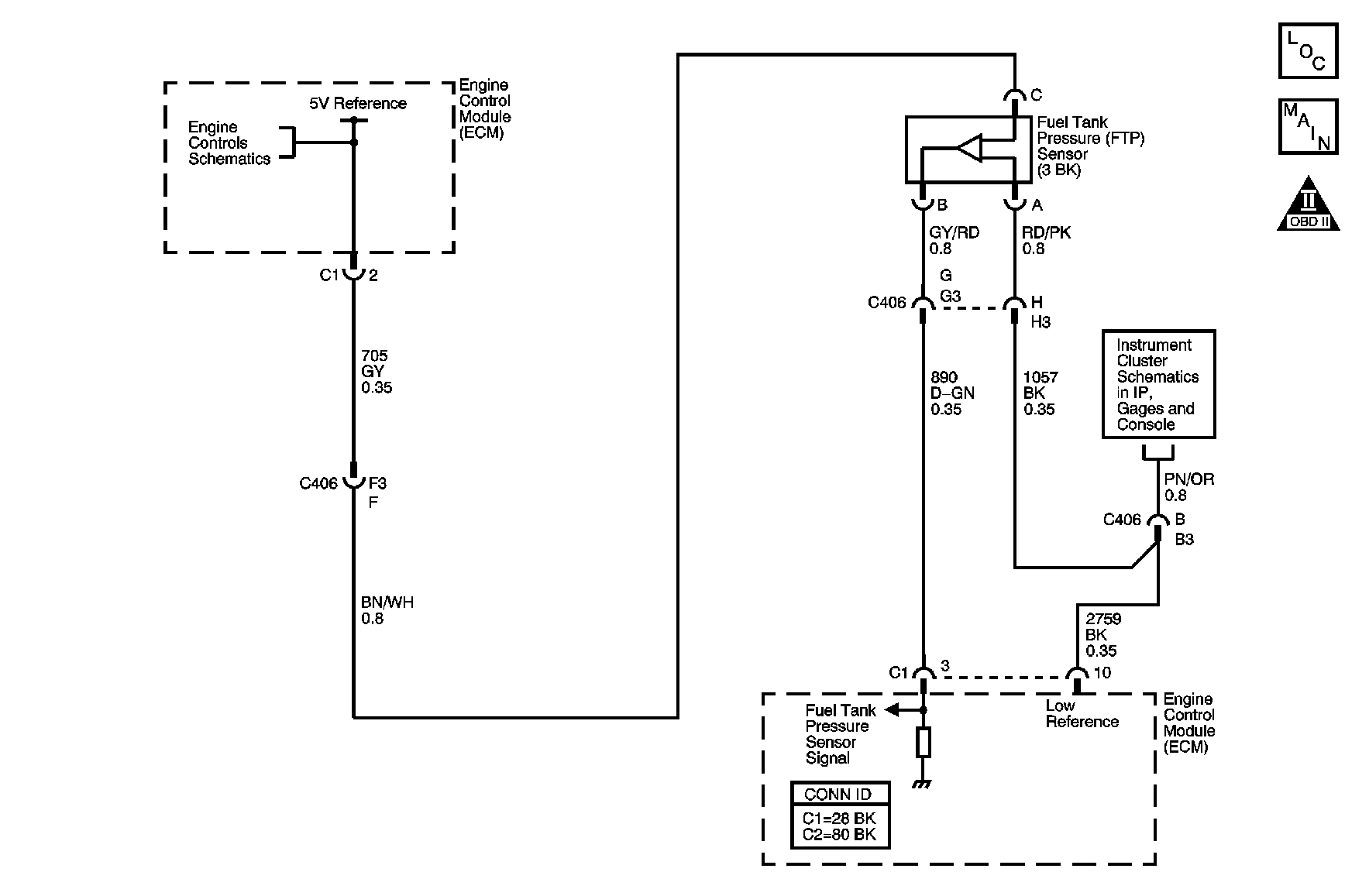
Schematic Reference: Engine Controls Schematics and Evaporative Emissions Hose Routing Diagram

Connector End View Reference: Engine Controls Connector End Views

1

Did you perform the Diagnostic System Check - Vehicle?

--

Go to Step 2

Go to Diagnostic System Check - Vehicle in Vehicle DTC Information

2

  1. Inspect the evaporative emission (EVAP) system for the following conditions:
  2. • A loose, incorrect, missing, or damaged fuel fill cap
    • A loose, missing, or damaged service port schrader valve
    • A damaged EVAP canister purge solenoid valve
  3. Raise the vehicle on a hoist. Refer to Lifting and Jacking the Vehicle in General Information.
  4. Inspect the EVAP system for the following conditions:
  5. • Any disconnected, improperly routed, kinked, or damaged EVAP pipes and hoses
    • A damaged EVAP canister vent solenoid valve or EVAP canister

Did you find and correct the condition?

--

Go to Step 19

Go to Step 3

3

  1. Remove the EVAP canister vent solenoid valve from the EVAP canister. Refer to Evaporative Emission Canister Vent Solenoid Valve Replacement .
  2. Connect the EVAP canister vent solenoid valve electrical connector.
  3. Command the EVAP vent solenoid valve ON and OFF with the scan tool.

Does the EVAP canister vent solenoid valve operate when it is commanded ON and OFF?

--

Go to Step 4

Go to Step 16

4

Important: Ensure that the vehicle underbody temperature is similar to the ambient temperature, and allow the surrounding air to stabilize before starting the diagnostic procedure. System flow will be less with higher temperatures.

  1. Turn OFF the ignition.
  2. Install the EVAP canister vent solenoid valve. Refer to Evaporative Emission Canister Vent Solenoid Valve Replacement .
  3. Connect the J 41413-200 (J 41413-100) Evaporative Emission System Tester (EEST) power supply clips to a known good 12-volt source.
  4. Install the J 41415-40 Fuel Tank Cap Adapter to the fuel fill pipe.
  5. Connect the fuel fill cap to the J 41415-40 .
  6. Connect the J 41413-200 (J 41413-100) nitrogen/smoke supply hose to the J 41415-40 .
  7. Turn ON the ignition, with the engine OFF.
  8. Command the EVAP canister vent solenoid valve closed with a scan tool.
  9. Turn the nitrogen/smoke valve on the J 41413-200 (J  41413-100) control panel to SMOKE.
  10. Introduce smoke into the EVAP system with the remote switch.
  11. Open the EVAP service port with the J 41413-VLV EVAP Service Port Vent Fitting.
  12. Remove the J 41413-VLV once smoke is observed.
  13. Continue to introduce smoke into the EVAP system for an additional 60 seconds.
  14. Inspect the entire EVAP system for exiting smoke with the High Intensity White Light.
  15. Introduce smoke at 15 second intervals until the leak source has been located

Did you find and correct the condition?

--

Go to Step 19

Go to Step 5

5

  1. Disconnect the J 41415-40 from the fuel fill pipe.
  2. Install the fuel fill cap to the fuel fill pipe.
  3. Connect the J 41413-200 (J  41413-100) nitrogen/smoke supply hose to the EVAP service port.
  4. Introduce smoke into the EVAP system at 15 second intervals with the remote switch.
  5. Inspect the entire EVAP system for exiting smoke with a High Intensity White Light.

Did you find and correct the condition?

--

Go to Step 19

Go to Step 6

6

  1. Stop introducing smoke with the remote switch.
  2. Install the J 41415-40 to the fuel fill pipe.
  3. Connect the J 41413-200 (J 41413-100) nitrogen/smoke supply hose to the J 41415-40 .
  4. Connect the vehicle fuel fill cap to the J 41415-40 .
  5. Command the EVAP canister vent solenoid valve open with a scan tool.
  6. Compare the Fuel Tank Pressure Sensor parameter with a scan tool to theJ 41413-200 (J 41413-100) pressure/vacuum gage.

Is the difference between the scan tool Fuel Tank Pressure Sensor parameter and the pressure/vacuum gage on the J 41413-200 (J  41413-100) within the specified value?

1 in H2O

Go to Step 7

Go to Step 12

7

  1. Seal the EVAP system with a scan tool.
  2. Turn the nitrogen/smoke valve on the J 41413-200 (J 41413-100) control panel to NITROGEN.
  3. Pressurize the EVAP system to the first specified value with the J 41413-200 (J  41413-100).

Is the Fuel Tank Pressure Sensor parameter more than the second specified value?

10 in H2O

5 in H2O

Go to Step 8

Go to Step 12

8

  1. Stop introducing nitrogen into the EVAP system with the remote switch.
  2. Increase the EVAP canister purge solenoid valve to 100 percent.

Is the Fuel Tank Pressure Sensor parameter less than the specified value?

1 in H2O

Go to Diagnostic Aids

Go to Step 9

9

Disconnect the EVAP purge vacuum source from the EVAP canister purge solenoid valve.

Is the Fuel Tank Pressure Sensor parameter less than the specified value?

1 in H2O

Go to Step 13

Go to Step 10

10

Disconnect the EVAP purge pipe from the EVAP canister purge solenoid valve.

Is the Fuel Tank Pressure Sensor parameter less than the specified value?

1 in H2O

Go to Step 15

Go to Step 11

11

Disconnect the EVAP purge pipe at the EVAP canister.

Is the Fuel Tank Pressure Sensor parameter less than the specified value?

1 in H2O

Go to Step 14

Go to Step 17

12

Test for an intermittent and for a poor connection at the fuel tank pressure (FTP) sensor. Refer to Testing for Intermittent Conditions and Poor Connections and Connector Repairs in Wiring Systems.

Did you find and correct the condition?

--

Go to Step 19

Go to Step 18

13

Repair the pinched or obstructed EVAP purge solenoid vacuum source.

Did you complete the repair?

--

Go to Step 19

--

14

Repair the restriction in the EVAP purge pipe. Refer to Evaporative Emission System Cleaning .

Did you complete the repair?

--

Go to Step 19

--

15

Replace the EVAP canister purge solenoid valve. Refer to Evaporative Emission Canister Purge Solenoid Valve Replacement .

Did you complete the replacement?

--

Go to Step 19

--

16

Replace the EVAP canister vent solenoid valve. Refer to Evaporative Emission Canister Vent Solenoid Valve Replacement .

Did you complete the replacement?

--

Go to Step 19

--

17

Replace the EVAP canister. Refer to Evaporative Emission Canister Replacement .

Did you complete the replacement?

--

Go to Step 19

--

18

Replace the FTP sensor. Refer to Fuel Tank Pressure Sensor Replacement .

Did you complete the replacement?

--

Go to Step 19

--

19

Important: Larger volume fuel tanks and/or those with lower fuel levels may require several minutes for the floating indicator to stabilize.

  1. Turn the nitrogen/smoke valve to nitrogen.
  2. Connect the nitrogen/smoke hose to the 0.5 mm (0.2 in) test orifice on the bottom front of the J 41413-200 (J 41413-100).
  3. Use the remote switch to activate the J 41413-200 (J 41413-100).
  4. Align the red flag on the flow meter with the floating indicator. Use the remote switch to de-activate the J 41413-200 (J  41413-100).
  5. Install the J 41415-40 to the fuel fill pipe.
  6. Remove the nitrogen/smoke hose from the test orifice and install the hose onto the J 41415-40 .
  7. Turn ON the ignition, with the engine OFF.
  8. Command the EVAP canister vent solenoid closed with a scan tool.
  9. Use the remote switch to introduce nitrogen and fill the EVAP system until the floating stabilizes.
  10. Compare the flow meter's stable floating indicator position to the red flag.

Is the floating indicator below the red flag?

--

Go to Step 20

Go to Step 2

20

Observe the Capture Info with a scan tool.

Are there any DTCs that have not been diagnosed?

--

Go to Diagnostic Trouble Code (DTC) List - Vehicle in Vehicle DTC Information

System OK