GM Service Manual Online
For 1990-2009 cars only
Makes
🢒
Saturn
🢒
2006
🢒
ION
🢒 Fuel Controls - 2.2L
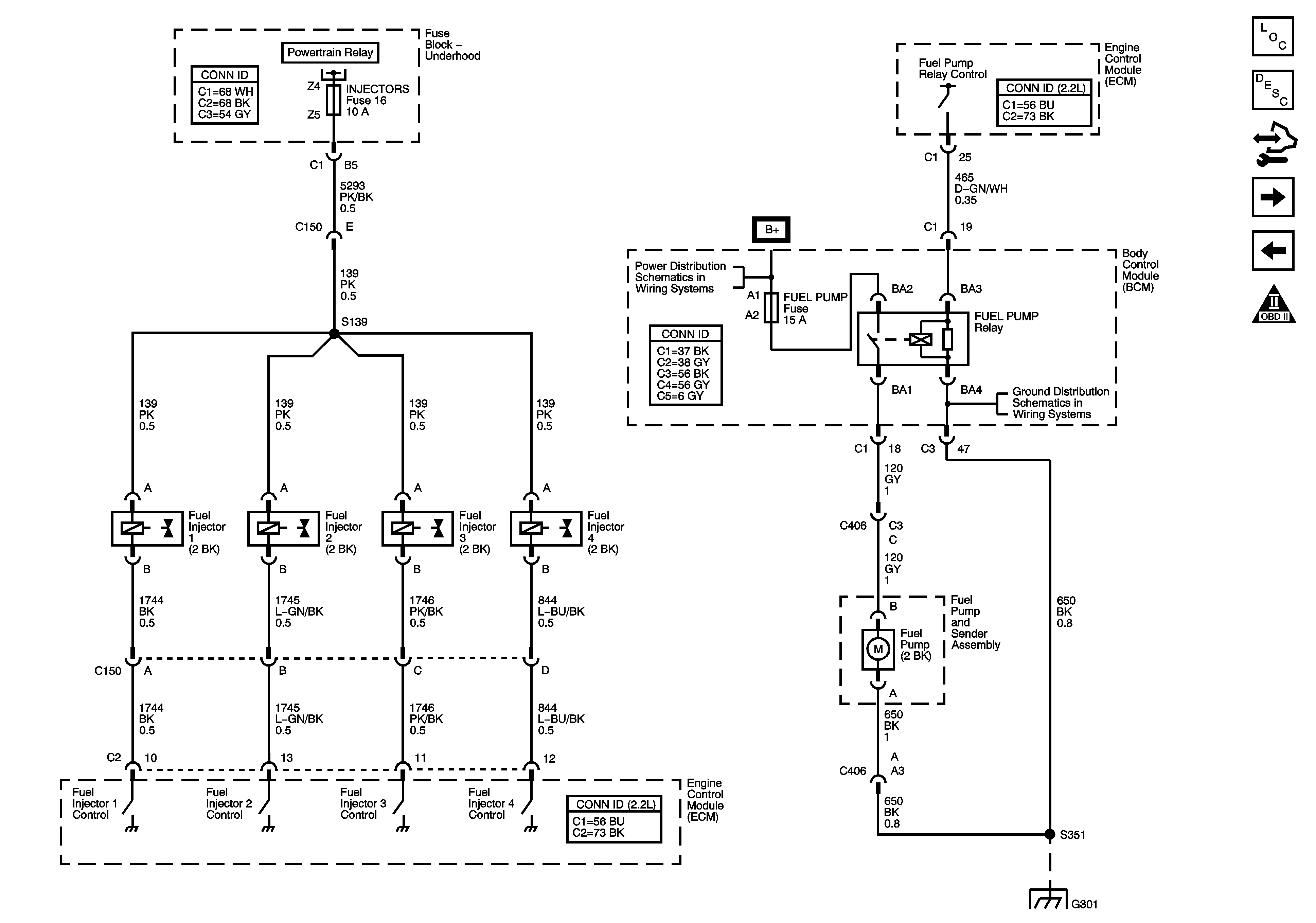
Fuel Controls - 2.2L
Fuel Controls
Master Electrical Component List
Fuel System Description
Control Module References
EVAP Controls - 2.2L
Secondary Air Injection System (NU3)
Engine Controls Schematic Icons
Power, Ground, MIL, and Serial Data - 2.2L
BCM ELECT, CLUSTER/AOS, EPS (60A), FUEL PUMP, HVAC, IGN SW, IP BATT 2, RUN (IGN 3), and STOP Fuses, RUN and FUEL PUMP Relays
G301
G301