GM Service Manual Online
For 1990-2009 cars only

Battery Negative Cable Replacement Engine to Chassis

Removal Procedure

Important: 

   • Always use replacement cables that are of the same type, diameter and length of the cables that you are replacing.
   • Always route the replacement cable the same way as the original cable.


    Object Number: 1648000  Size: SH
  1. Disconnect the negative battery cable. Refer to Battery Negative Cable Disconnection and Connection .
  2. Remove the engine harness ground nut (4).
  3. Remove the engine harness ground terminal (3) from the stud (1).
  4. Remove the negative battery cable ground terminal (2) from the stud (1).

  5. Object Number: 1650330  Size: SH
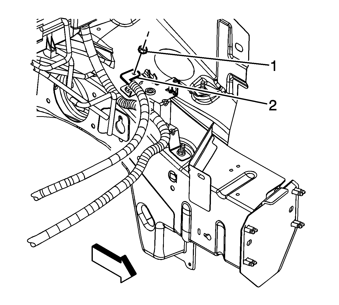
  6. Remove the battery cable ground nut (1) from the stud on the side rail.
  7. Remove the negative battery cable ground terminal (2) from the stud.
  8. Remove the negative battery cable ground.

Installation Procedure


    Object Number: 1650330  Size: SH
  1. Install the negative battery cable ground.
  2. Install the negative battery cable ground terminal (2) to the stud.
  3. Notice: Refer to Fastener Notice in the Preface section.

  4. Install the battery cable ground nut (1) to the stud on the side rail.
  5. Tighten
    Tighten the nut to 20 N·m (15 lb ft).


    Object Number: 1648000  Size: SH
  6. Install the negative battery cable ground terminal (2) to the stud (1).
  7. Install the engine harness ground terminal (3) to the stud (1).
  8. Install the engine harness ground nut (4).
  9. Tighten
    Tighten the nut to 17 N·m (13 lb ft).

  10. Tape the negative battery cable ground to the wiring harness near the transmission.
  11. Connect the negative battery cable. Refer to Battery Negative Cable Disconnection and Connection .

Battery Negative Cable Replacement Battery to Battery Tray

Removal Procedure

Important: 

   • Always use replacement cables that are of the same type, diameter and length of the cables that you are replacing.
   • Always route the replacement cable the same way as the original cable.


    Object Number: 1650324  Size: SH
  1. Disconnect the negative battery cable. Refer to Battery Negative Cable Disconnection and Connection .
  2. Remove the negative battery cable ground bolt (3).
  3. Remove the negative battery cable.

Installation Procedure


    Object Number: 1650324  Size: SH
  1. Install the negative battery cable. Ensure that the anti-rotation tab on the terminal (4) is correctly located.
  2. Notice: Refer to Fastener Notice in the Preface section.

  3. Install the negative battery cable ground bolt (3).
  4. Tighten
    Tighten the bolt to 17 N·m (13 lb ft).

  5. Connect the negative battery cable. Refer to Battery Negative Cable Disconnection and Connection .