GM Service Manual Online
For 1990-2009 cars only
Figure 1:

Instrument Panel


Object Number: 1538303  Size: MF
(1)Turn Signal/Multifunction Switch
(2)Windshield Wiper/Washer Switch
(3)Hazard Switch
(4)Instrument Panel Cluster (IPC)
(5)Traction Control Switch (NW7)
(6)Radio
(7)A/T Shifter (MN5)
(8)HVAC Control Assembly
(9)Steering Wheel Controls - Right (K34)
(10)Steering Wheel Controls - Left (K34)
(11)Rear Compartment Lid Release Switch
Figure 2:

Lower Left Front of the I/P


Object Number: 898038  Size: MF
(1)Stop Lamp Switch - Upper
(2)Stop Lamp Switch - Lower
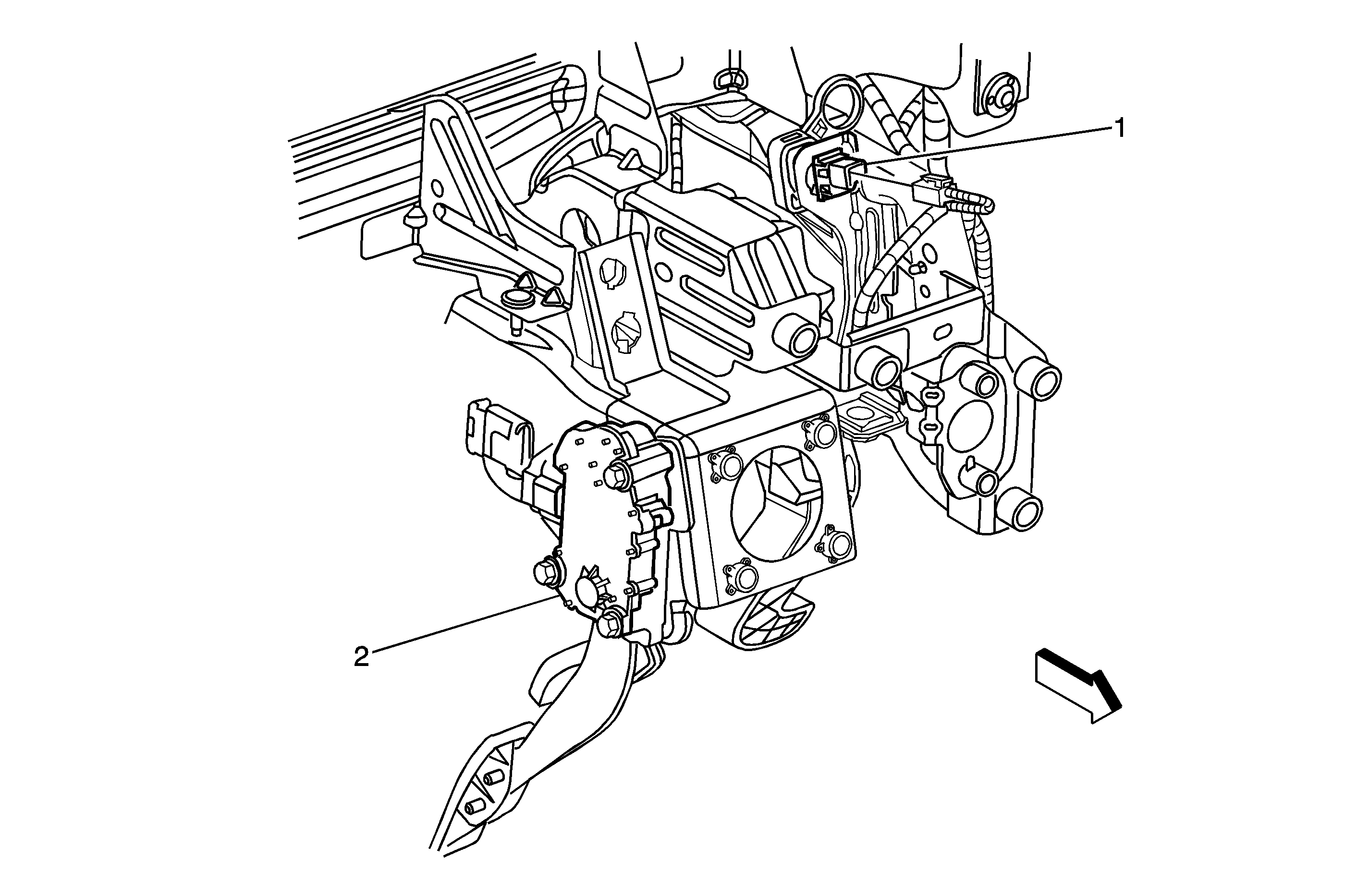
Figure 3:

Behind the Right Side of the I/P


Object Number: 1540111  Size: MF
(1)Clutch Pedal Position (CPP) Switch (K34)
(2)Accelerator Pedal Position (APP) Switch